.it
Benvenuti
Contatti
Spedizione
L’azienda
Guest book
Condizioni e Privacy
Catalogare
Tagliare, profilare
Componenti per motore
Officine meccaniche
Parti e componentistica per macchine varie
Forestali
Articoli elettrici
Articoli invernali
Cinghie trapezoidali e relative pulegge
Filters
PEZZI DI RICAMBIO
Sprocket Rims
Guide Bars
Chainsaw Chains
Search by Part Number
Diagrammi ed elenchi
Servizio
Determine Chain
Ricerca
Il mio account
Registrati
Log in
Settings
DE
EN
FR
ES
IT
Desktop
Cub Cadet CC 1020 RD 13AE51CN630 (2006) Dashboard from 04.01.2006 Ricambi
Start
Cub Cadet
Lawn tractors
CC 1020 RD
13AE51CN630 (2006)
Dashboard from 04.01.2006
Dashboard from 04.01.2006 13AE51CN630 (2006)
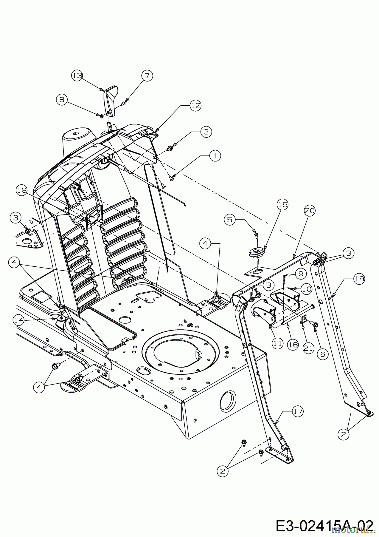
Posizione
Articolo numero
Descrizione
1
710-0192
SCR:MACH:#10-24:0.375:TRUSPHI
2
710-0599
SCR:TT:1/4-20:0.500:HXINDWSH
3
710-0653
SCREW:TT:1/4-20:0.375:HXINDWSH
4
710-0726
SCR:AB:5/16-12:0.750:HXINDWSH
5
710-0837
SCR:AB:#10-16:0.625:OVALCSK
6
710-0895
SCR:HL:1/4-15:0.750:HXINDWSH
7
710-3217
SCR:MACH:#8-32:0.375:TRUSPHI
8
712-0142
NUT:HEX:#8-32:GRA
9
714-0104
PIN:COT:.072 DIA x 1.13 LG
10
731-04293A
LVR:DASH:BRAKE CUB 1000
11
731-04294A
LVR:DASH:CRUISE CUB 1000
12
731-05585
DASH:CUB:500 MANUAL PTO
13
731-3161
KNOB:THROTTLE CONTROL
14
736-0701
WASH:FLAT:8.4x24x2.00 DIN 9021
15
741-0587
BRG:STRG:COLUMN .628 ID x1.360
16
747-1323A
ROD:.250 DIA x 4.55 LG
17
783-04285D
SUPT:DASH:PLATE R.H.
18
783-04323D
SUPT:DASH:PLATE:L.H.
19
783-0462
LOCK
20
783-04729A
BRKT:DASH:SUPT CUB 500
21
783-1499
BRACKET:ROD:DASH CUB 1500
Gestione della qualità
Aiutaci a migliorare il nostro sito. Informaci se trovi un errore.