Il mio account
Settings Desktop

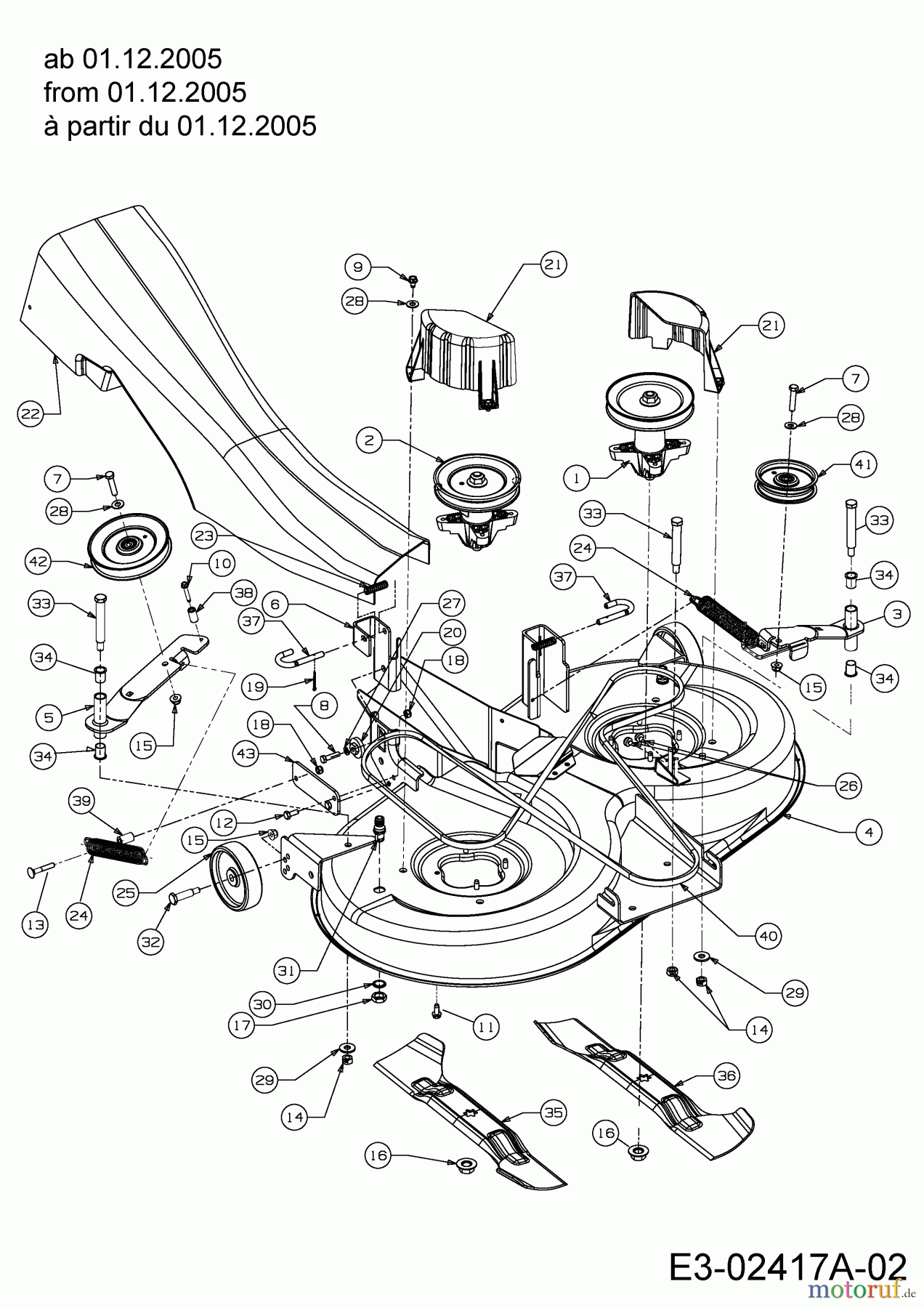
Cub Cadet CC 1020 RD 13AE51CN603 (2006) Mowing deck N (41"/105cm) from 01.12.2005 Ricambi

Mowing deck N (41"/105cm) from 01.12.2005 13AE51CN603 (2006)

 Cub Cadet Lawn tractors CC 1020 RD 13AE51CN603  (2006) Mowing deck N (41
PosizioneArticolo numeroDescrizione
1 Cub Cadet SPDL ASM:PUL:6.482 DIA X .5625618-0609SPDL ASM:PUL:6.482 DIA X .5625
2 618-0624SPDL ASM:PUL:6.3 DIA
3 683-04058ABRKT ASM:IDLR:DECK 500
4 683-04059ADECK ASM:RR DIS:105
5 683-04061BRKT ASM:IDLR:V-PUL
6 683-0596BRKT ASM:DECK:HNGR ADJ 92/105
7 Cub Cadet HHCS:3/8-16:1.75:GR5:STD710-0347HHCS:3/8-16:1.75:GR5:STD
8 Cub Cadet HHCS:5/16-18:1.25:GR5:STD710-0528HHCS:5/16-18:1.25:GR5:STD
9 Cub Cadet SCREW:TT:5/16-18:.500:HXINDWSH710-0607SCREW:TT:5/16-18:.500:HXINDWSH
10 Cub Cadet HEX. SCREW TT:1/4-20:1.500:710-0778HEX. SCREW TT:1/4-20:1.500:
11 Cub Cadet SCR:TT:5/16-18:0.750:HXINDWSH710-1260ASCR:TT:5/16-18:0.750:HXINDWSH
12 710-1681HHCS:M8-1.25:20.00:GR8.8:STD
13 Cub Cadet BOLT:CRG:M8x1.25x50 DIN 603710-1719BOLT:CRG:M8x1.25x50 DIN 603
14 Cub Cadet NUT-HEXLK 7/16-14:GRA:CTRLK712-0290NUT-HEXLK 7/16-14:GRA:CTRLK
15 Cub Cadet NUT:FLGLK:3/8-16:GRF:NYLON712-04065NUT:FLGLK:3/8-16:GRF:NYLON
16 Cub Cadet NUT:FLG:5/8-18712-0417ANUT:FLG:5/8-18
17 Cub Cadet NUT:HEX:M16-1.5 DIN 936712-0641NUT:HEX:M16-1.5 DIN 936
18 712-0692NUT:HEXLK:M8-1.25 NYLON DIN985
19 Cub Cadet PIN:COT:1/8 x 1.25714-0470PIN:COT:1/8 x 1.25
20 717-1553BADJ:DECK:GEAR
21 Cub Cadet CVR:DECK:BELT:92CM/105CM731-2538CVR:DECK:BELT:92CM/105CM
22 731-2539AREAR CHUTE SHORT VERSION
23 Cub Cadet COMP.SPRING: .531 OD x 1.75 LG732-0306ACOMP.SPRING: .531 OD x 1.75 LG
24 Cub Cadet SPR:EXT:1.25 DIA x 8.224 LG732-04099SPR:EXT:1.25 DIA x 8.224 LG
25 734-0973WHEEL:DECK 5.0 X 1.38
26 735-0271BUMPER: .62 DIA X .3
27 Cub Cadet WASHER:LOCK:5/16:SPLT:REG736-0119WASHER:LOCK:5/16:SPLT:REG
28 Cub Cadet WASH:FLAT:.406 X .875 X.059736-0300WASH:FLAT:.406 X .875 X.059
29 Cub Cadet WASH:FLAT:11.65 x 28.75 x 3 mm736-04097AWASH:FLAT:11.65 x 28.75 x 3 mm
30 Cub Cadet WASH:LOCK:SCHNORR 17X23.8X1.95736-0760WASH:LOCK:SCHNORR 17X23.8X1.95
31 737-04003CNOZ:DECK:WATER
32 Cub Cadet SCR:SHLDR:.496 x 1.525: 3/8-16738-0373SCR:SHLDR:.496 x 1.525: 3/8-16
33 Cub Cadet SCR:SHLDR:.625 x 3.50:7/16-14738-0476SCR:SHLDR:.625 x 3.50:7/16-14
34 Cub Cadet BRG:FLNG:.630 ID x .693 OD741-0591BRG:FLNG:.630 ID x .693 OD
35 Cub Cadet BLADE:RH:21.240 LG:STAR BAG742-0670ABLADE:RH:21.240 LG:STAR BAG
36 Cub Cadet BLADE:LH:21.240 LG:STAR BAG742-0671ABLADE:LH:21.240 LG:STAR BAG
37 747-04116ROD:HNDL:DECK REL .375 DIA
38 750-04182SPACER:14mm OD x 7mm ID
39 750-04195SPACER Ò16 x Ò8 x 27LG DIN2391
40 Cub Cadet BELT:V TYP:HB x 105 LG754-04069BELT:V TYP:HB x 105 LG
41 Cub Cadet PUL:IDLR:4.0 DIA.756-04049PUL:IDLR:4.0 DIA.
42 Cub Cadet PUL:IDLR:6.0 DIA.756-04050PUL:IDLR:6.0 DIA.
43 783-04255BRKT:DECK:SPR 500 SERIES
Rasen
Bankeinzug, MasterCard, Visa, American Express, PayPal, Nachnahme, Vorauskasse, Sofortüberweisung
Gestione della qualità
Aiutaci a migliorare il nostro sito. Informaci se trovi un errore.