.it
Benvenuti
Contatti
Spedizione
L’azienda
Guest book
Condizioni e Privacy
Catalogare
Tagliare, profilare
Componenti per motore
Officine meccaniche
Parti e componentistica per macchine varie
Forestali
Articoli elettrici
Articoli invernali
Cinghie trapezoidali e relative pulegge
Filters
PEZZI DI RICAMBIO
Sprocket Rims
Guide Bars
Chainsaw Chains
Search by Part Number
Diagrammi ed elenchi
Servizio
Determine Chain
Ricerca
Il mio account
Registrati
Log in
Settings
DE
EN
FR
ES
IT
Desktop
Cub Cadet GTX 2100 14A-3GE-603 (2015) Electric parts Ricambi
Start
Cub Cadet
Garden tractors
GTX 2100
14A-3GE-603 (2015)
Electric parts
Electric parts 14A-3GE-603 (2015)
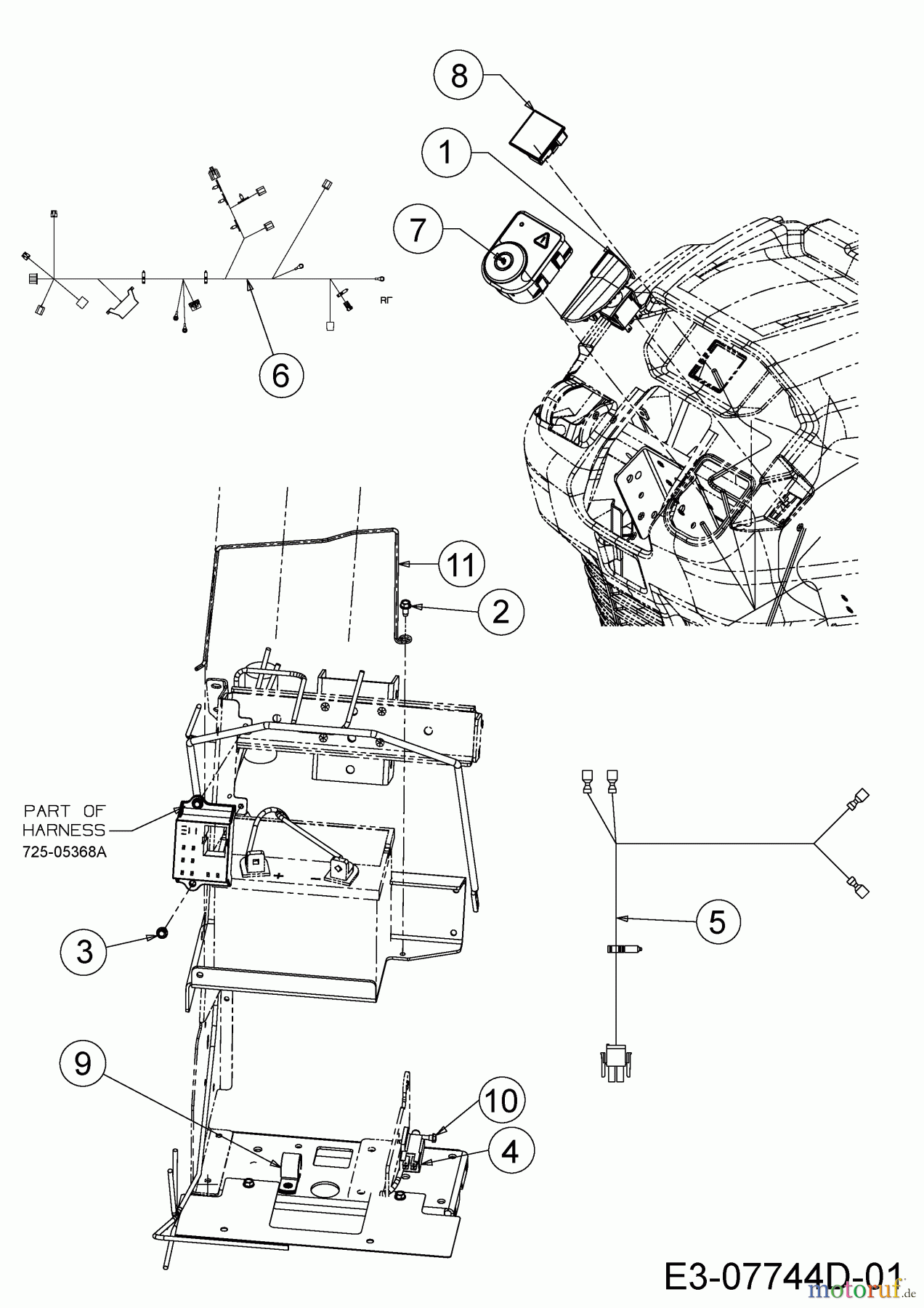
Posizione
Articolo numero
Descrizione
1
625-04150
SWITCH PTO
2
710-0599
SCR:TT:1/4-20:0.500:HXINDWSH
3
710-0642
SCR:TT:1/4-20:.750:HXINDWSH
4
725-04363
SW:INTLK:NO/NC
5
725-05212
HARNESS ASM HEADLIGHT
6
725-05368A
7
725-06102A
SW:KEY:RMC MDL TRIAC:EPTO:WHT
8
725-06154A
METER:HOUR:SVC MNDR:IND:SEALED
9
726-0475
CLAMP:1.0 DIA
10
738-04237A
SCR:SHLDR:T:#10-32:.500
11
747-04215
STRAP:BAT 400
Gestione della qualità
Aiutaci a migliorare il nostro sito. Informaci se trovi un errore.