.it
Carrello
vuoto
Il mio account
Registrati
Log in
Benvenuti
Contatti
Spedizione
L’azienda
Guest book
Condizioni e Privacy
Catalogare
Tagliare, profilare
Componenti per motore
Officine meccaniche
Parti e componentistica per macchine varie
Forestali
Articoli elettrici
Articoli invernali
Cinghie trapezoidali e relative pulegge
Filters
PEZZI DI RICAMBIO
Sprocket Rims
Guide Bars
Chainsaw Chains
Search by Part Number
Diagrammi ed elenchi
Servizio
Determine Chain
Ricerca
DE
EN
FR
ES
IT
Versione mobile
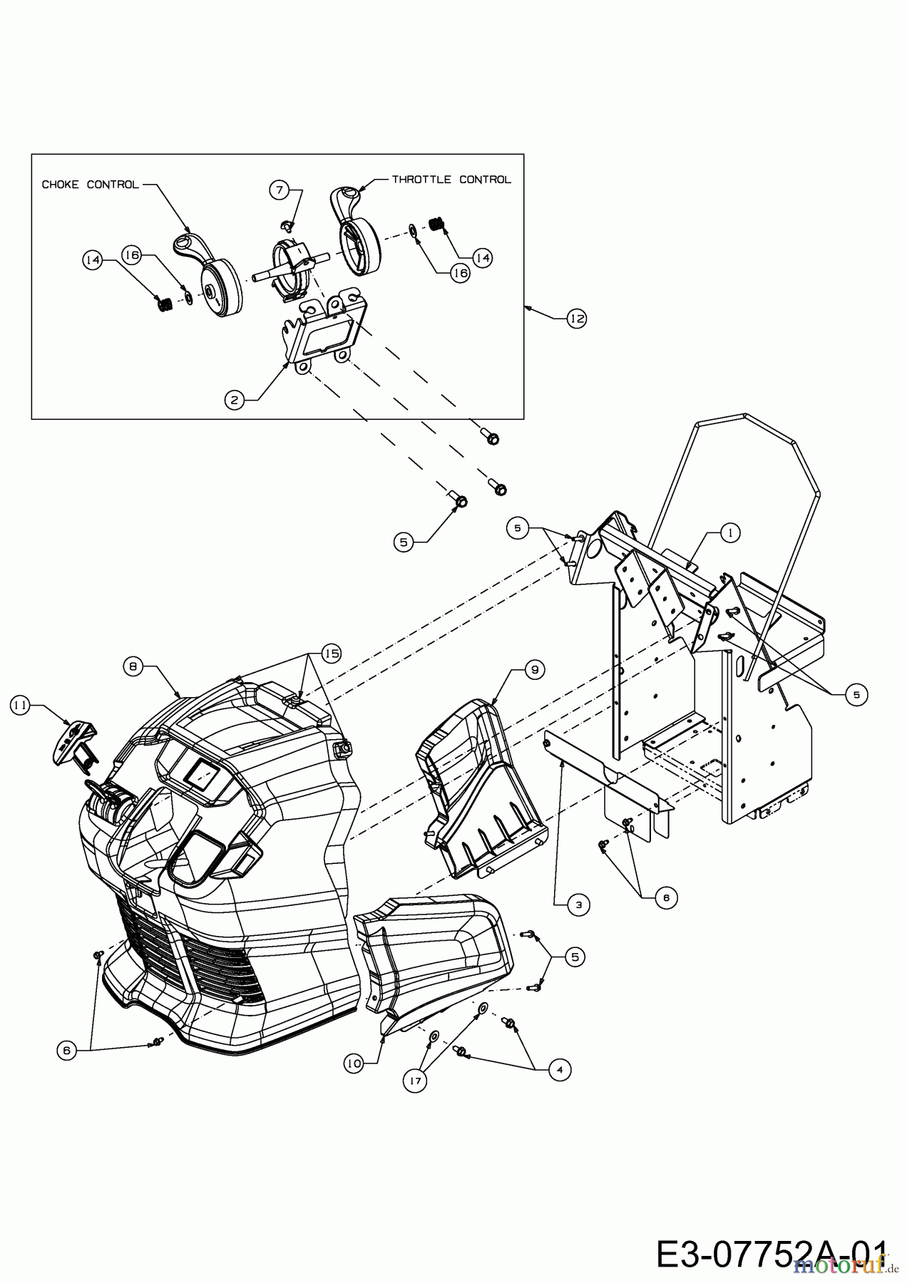
Cub Cadet GTX 2100 14A-3GE-603 (2015) Dashboard Ricambi
Start
Cub Cadet
Garden tractors
GTX 2100
14A-3GE-603 (2015)
Dashboard
Dashboard 14A-3GE-603 (2015)
Posizione
Articolo numero
Descrizione
1
603-04838A
2
703-08069
3
703-08226
SHIELD PEDESTAL AIR
4
710-04484
SCREW:TT:5/16-18:.750:HXINDWSH
5
710-05109
SCREW HEX 5/16-14X1.0
6
710-0599
SCR:TT:1/4-20:0.500:HXINDWSH
7
710-1268
HEX. SCREW:B:#10-16:0.375
8
731-07783
DASH PANEL
9
731-07825
PANEL DASH LH
10
731-07826
PANEL DASH RH
11
731-07917
LEVER CRUISE/PARK BRAKE
12
603-0586
CONTROL ASSY-CHOKE/THROTTLE
14
732-0334
COMPRESSION SPRING
15
735-0271A
BUMPER:.62 DIA x.3
16
736-0204
WASH:FLAT:.344 X .620 X .033
17
736-0300
WASH:FLAT:.406 X .875 X.059
Gestione della qualità
Aiutaci a migliorare il nostro sito. Informaci se trovi un errore.