.it
Benvenuti
Contatti
Spedizione
L’azienda
Guest book
Condizioni e Privacy
Catalogare
Tagliare, profilare
Componenti per motore
Officine meccaniche
Parti e componentistica per macchine varie
Forestali
Articoli elettrici
Articoli invernali
Cinghie trapezoidali e relative pulegge
Filters
PEZZI DI RICAMBIO
Sprocket Rims
Guide Bars
Chainsaw Chains
Search by Part Number
Diagrammi ed elenchi
Servizio
Determine Chain
Ricerca
Il mio account
Registrati
Log in
Settings
DE
EN
FR
ES
IT
Desktop
MTD 420/38 13A2765F308 (2015) Engine accessories Ricambi
Start
MTD
Lawn tractors
420/38
13A2765F308 (2015)
Engine accessories
Engine accessories 13A2765F308 (2015)
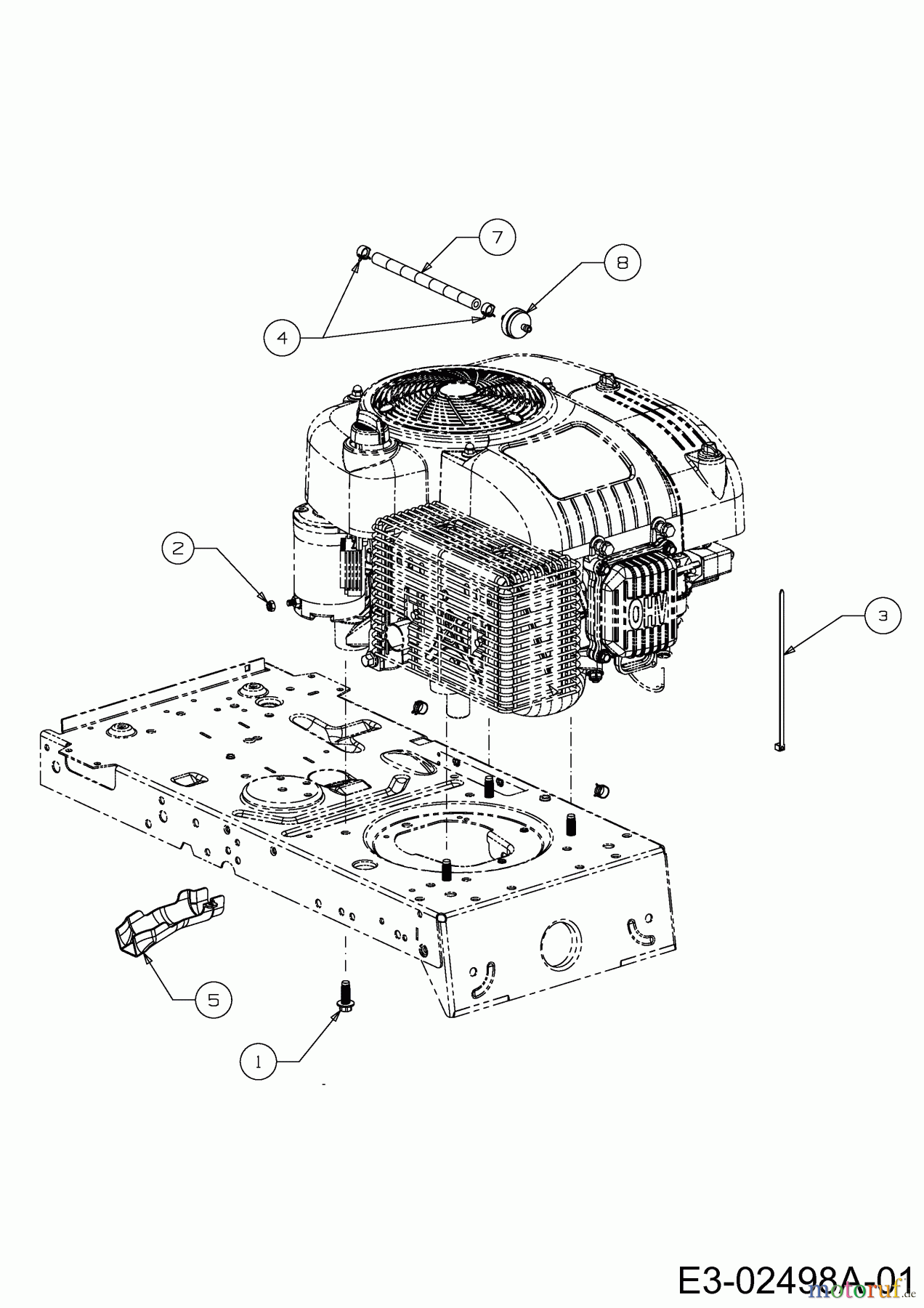
Posizione
Articolo numero
Descrizione
1
710-04683B
SCR:TT:3/8-16:1.000:HXINDWSH
2
712-0691
NUT:HEXLK:M6-1:NYLON:DIN 985
3
725-0157
CBL:TIE: 3/16 X .05 X 7.4
4
726-0205
CLAMP HOSE: .490 DIA
5
731-05628
SLEV:DRAIN:OIL
7
751-10349
HOSE:FUEL:LOW PERMEATION
8
751-3013
FLTR:FUEL:1/4":298090
Gestione della qualità
Aiutaci a migliorare il nostro sito. Informaci se trovi un errore.