.it
Carrello
vuoto
Il mio account
Registrati
Log in
Benvenuti
Contatti
Spedizione
L’azienda
Guest book
Condizioni e Privacy
Catalogare
Tagliare, profilare
Componenti per motore
Officine meccaniche
Parti e componentistica per macchine varie
Forestali
Articoli elettrici
Articoli invernali
Cinghie trapezoidali e relative pulegge
Filters
PEZZI DI RICAMBIO
Sprocket Rims
Guide Bars
Chainsaw Chains
Search by Part Number
Diagrammi ed elenchi
Servizio
Determine Chain
Ricerca
DE
EN
FR
ES
IT
Versione mobile
Wolf-Garten SF 56 31A-32AD650 (2015) Impeller Ricambi
Start
Wolf-Garten
Snow throwers
SF 56
31A-32AD650 (2015)
Impeller
Impeller 31A-32AD650 (2015)
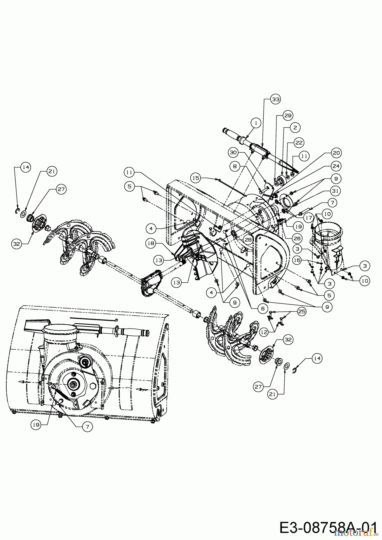
Posizione
Articolo numero
Descrizione
1
731-2643
CHUTE CLEAN-OUT TOOL
2
684-04358
PULLEY IDLER ASSY.
3
710-0134
BOLT:CRG:1/4-20:.62:GR2
4
710-0260A
BOLT:CRG: 5/16-18:.62 GR5
5
710-04484
SCREW:TT:5/16-18:.750:HXINDWSH
6
710-0451
BOLT:CRG:5/16-18:.750 GR1
7
710-04606A
SCR:TT:5/16-18:.4300 W/STUD
8
710-0520
HHCS:3/8-16:1.50:GR5:STD
9
712-04063
FLANGED NUT 5/16-18:GRF:NYLON
10
712-04064
NUT:FLGLK:1/4-20:GRF:NYLON
11
712-04065
NUT:FLGLK:3/8-16:GRF:NYLON
12
714-04040
PIN-COTTER
13
715-04020
SPRING PIN
14
716-0231
RING:E-TYPE:.750
15
725-0157
CBL:TIE: 3/16 X .05 X 7.4
16
726-0233
NUT:PUSH:.25 ID X .50 OD
17
726-04012
NUT:PUSH-ON:.25 DIA
18
731-04218B
IMPELLER ASSY.
19
732-0611
SPR:EXTN:.38 OD x 3.6 LG
20
736-0174
WASHER:WAVE:.625x.885x.015
21
736-0188
WASH:FLAT:.760x1.490X.060:HD
22
736-0267
WASH:FLAT:.385 x.87 x.06:HT
24
738-0281
SCR:SHLDR:.625 x.17:3/8-16
25
738-04124A
PIN-SHEAR:.25 x 1.50:GR2
26
741-0309
BALL BRG:.75 ID x 1.85 OD FLNG
27
741-05041
FLANGE BEARING HEX
28
750-04191
SPACER:.76 ID 1.16 OD X .25"
29
750-04852
COLLAR
30
784-0434C
31
790-00075
BEARING HOUSING 1.85 ID
32
790-00534
BEARING HOUSING ASSY
33
731-2635
MOUNTING BRACKET - CHUTE TOOL
Gestione della qualità
Aiutaci a migliorare il nostro sito. Informaci se trovi un errore.