.it
Carrello
vuoto
Il mio account
Registrati
Log in
Benvenuti
Contatti
Spedizione
L’azienda
Guest book
Condizioni e Privacy
Catalogare
Tagliare, profilare
Componenti per motore
Officine meccaniche
Parti e componentistica per macchine varie
Forestali
Articoli elettrici
Articoli invernali
Cinghie trapezoidali e relative pulegge
Filters
PEZZI DI RICAMBIO
Sprocket Rims
Guide Bars
Chainsaw Chains
Search by Part Number
Diagrammi ed elenchi
Servizio
Determine Chain
Ricerca
DE
EN
FR
ES
IT
Versione mobile
Columbia C 40 SL 186-0160 (1986) Basic machine Ricambi
Start
Columbia
Petrol mower
C 40 SL
186-0160 (1986)
Basic machine
Basic machine 186-0160 (1986)
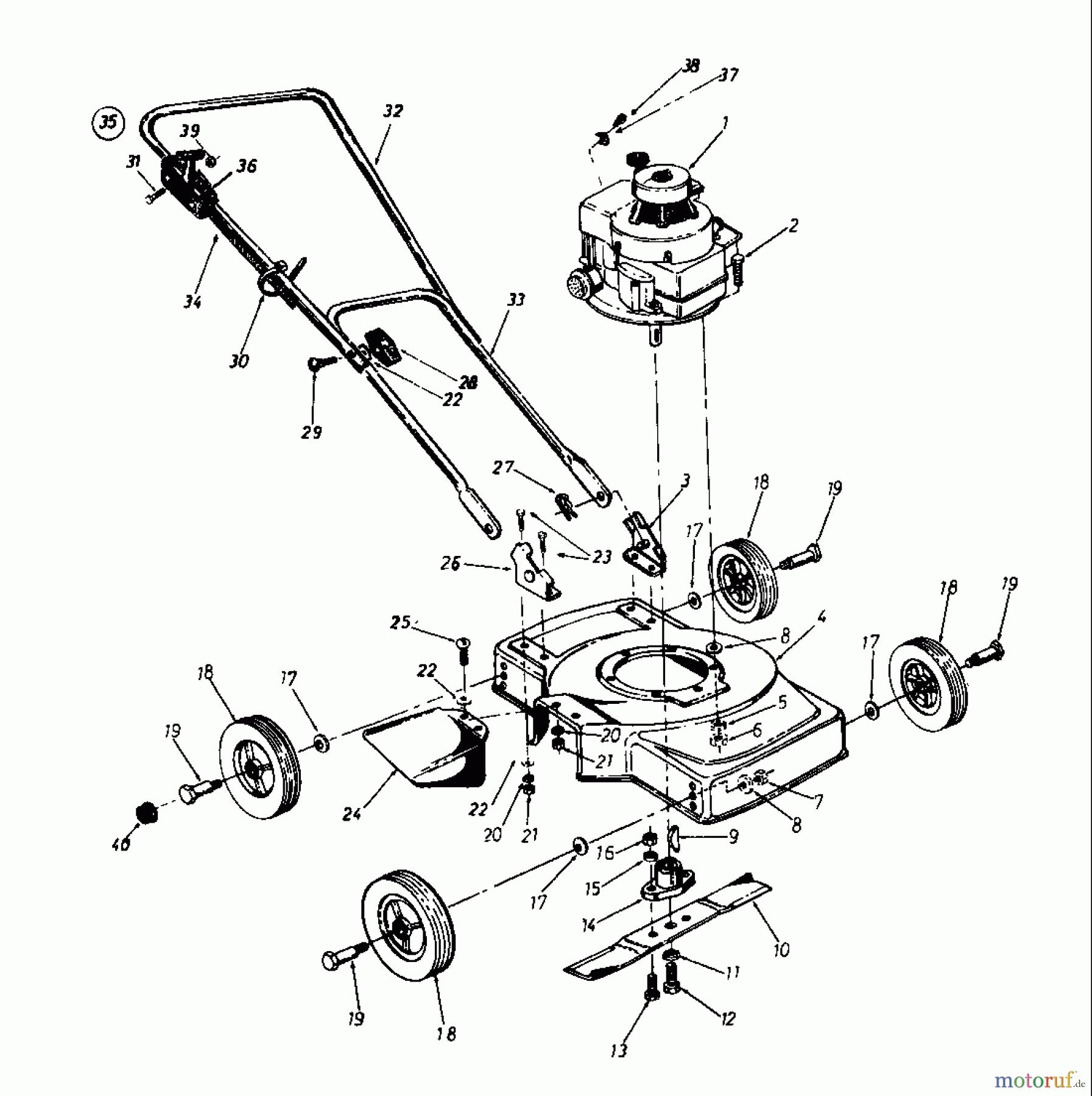
Posizione
Articolo numero
Descrizione
2
710-2038
SKT-SCHR. M8X30,DIN 933
3
70163
LENKERBEFESTIGUNG LINKS
4
70159
HOUSING
5
736-2004
SICHERUNGSSCHEIBE 8"
6
712-2004
SKT-MUTTER M 8,DIN 934/5
7
712-2005
SKT.MUTTER M 10
8
736-2029
SPANNSCH.A10,DIN 6796/FST
9
714-0365
KEY-HI-PRO
10
742-0118
BLADE-15IN
11
736-0217
WASHER:LOCK:3/8:HEAVY DUTY
12
710-0152
SCREW HHCS:3/8-24:1.00:GR5:STD
13
710-2037
SKT-SCHR.M 8X25, DIN 933
14
748-2000
MESSERMITNEHMER M.KEIL
15
736-2004
SICHERUNGSSCHEIBE 8"
16
712-2004
SKT-MUTTER M 8,DIN 934/5
17
736-2029
SPANNSCH.A10,DIN 6796/FST
18
734-2056
USE WD-C37855
19
738-2040
AXLE BOLT
20
736-2003
washer
21
712-2003
SKT-MUTTER M 6,DIN 934/5
22
736-2047
SCHEIBE 6.4X18X1.5"
23
710-2166
Screw
24
70162
Deflecter
25
710-2205
FLK-SCHR. M6X12, DIN 85
26
70164
LENKERBEFESTIGUNG RECHTS
27
715-2087
COTTER PIN
28
712-2056
WING NUT
29
710-2213
SCREW
30
731-2036
TIE-PLASTIC
31
710-2215
FLK-SCHR.M 5X40, DIN 85
32
749-2033
HANDLE-UPPER
33
749-2032
USE 749-0928-0637
34
746-2001
THROTTLE WIRE 39.L RED
35
746-2003
CABLE
36
731-2038
ENGINE SWITCH CPL.
37
70168
Screw
38
710-2154
Screw
39
712-2002
SKT-MUTTER M 5,DIN 934
40
731-2043
HUB CAP