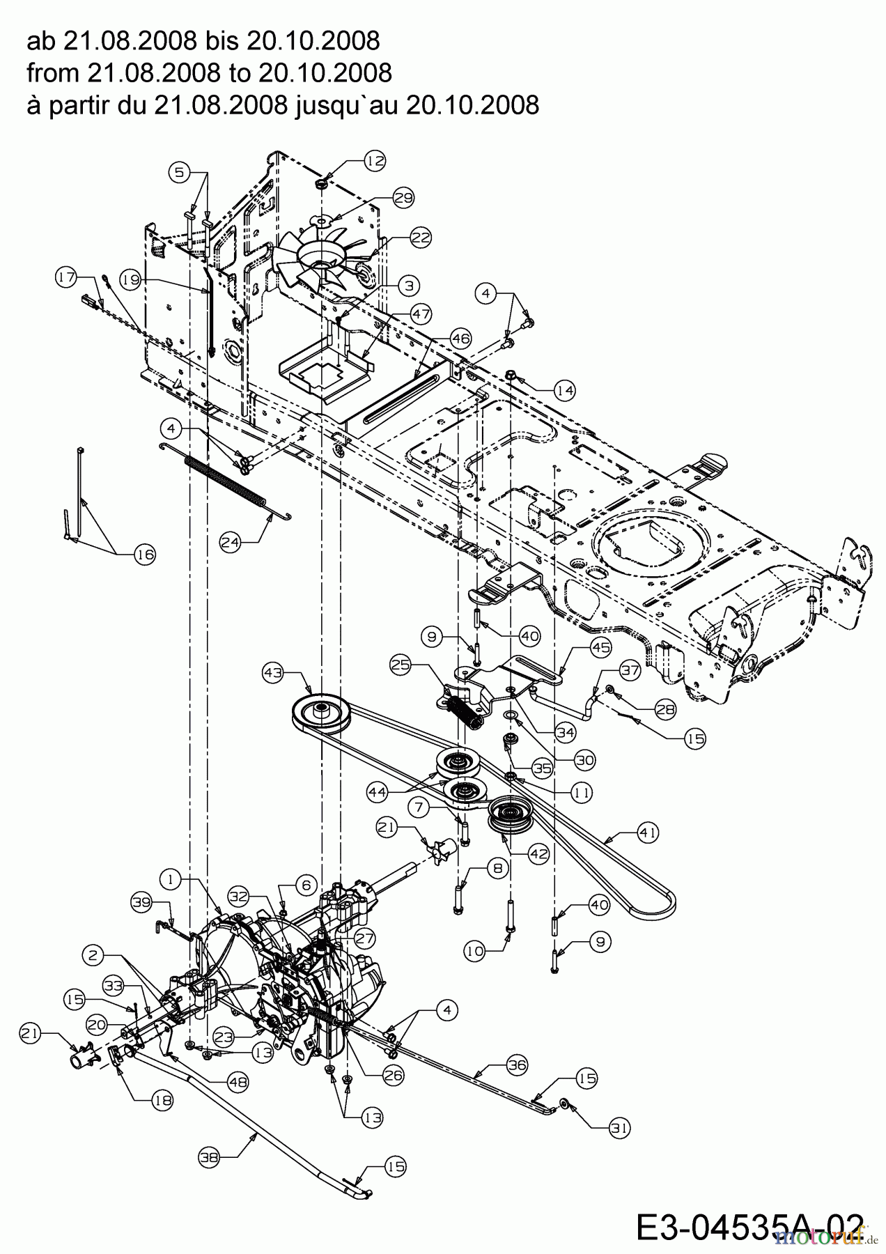
Massey Ferguson MF 38-15 SD 13AV91CF695 (2009) Drive system from 21.08.2008 to 20.10.2008 Ricambi
Drive system from 21.08.2008 to 20.10.2008 13AV91CF695 (2009)



Gestione della qualità
Aiutaci a migliorare il nostro sito. Informaci se trovi un errore.





















