.it
Benvenuti
Contatti
Spedizione
L’azienda
Guest book
Condizioni e Privacy
Catalogare
Tagliare, profilare
Componenti per motore
Officine meccaniche
Parti e componentistica per macchine varie
Forestali
Articoli elettrici
Articoli invernali
Cinghie trapezoidali e relative pulegge
Filters
PEZZI DI RICAMBIO
Sprocket Rims
Guide Bars
Chainsaw Chains
Search by Part Number
Diagrammi ed elenchi
Servizio
Determine Chain
Ricerca
Il mio account
Registrati
Log in
Settings
DE
EN
FR
ES
IT
Desktop
MTD-Engines 1X65RH 752Z1X65RH (2018) Piston, Camshaft, Crankshaft, Connecting rod Ricambi
Start
MTD-Engines
Vertical
1X65RH
752Z1X65RH (2018)
Piston, Camshaft, Crankshaft, Connecting rod
Piston, Camshaft, Crankshaft, Connecting rod 752Z1X65RH (2018)
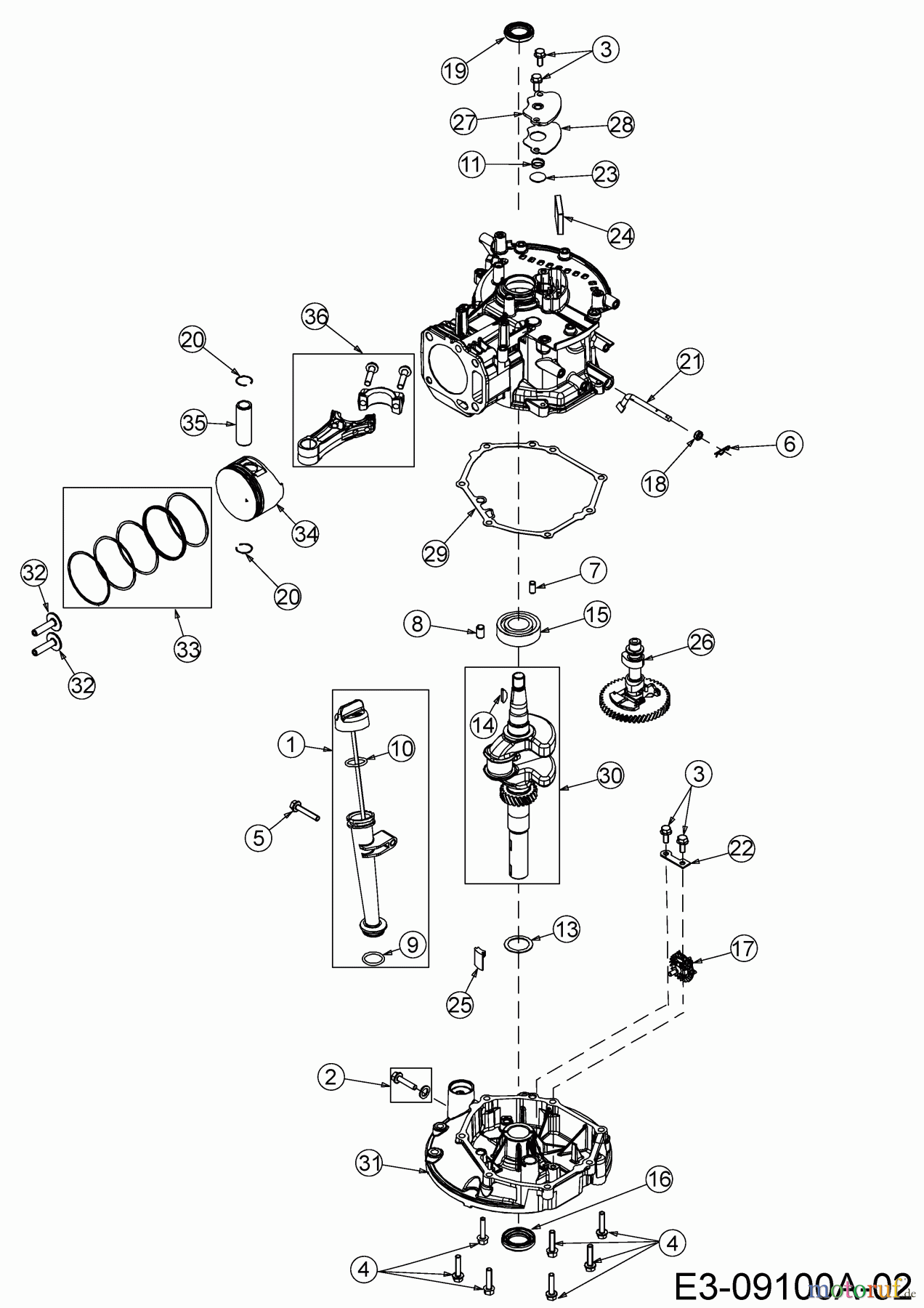
Posizione
Articolo numero
Descrizione
1
651-05438
DIPSTICK CPL.
2
751-10370
OIL DRAIN PLUG AND WASHER ASSY
3
710-04916
BOLT M6X14
4
710-04920
BOLT M6X28
5
710-05198
HHFLG:M6-1:35:CL8.8
6
714-04075
PIN:COT:21mm x 67mm LG
7
715-04092
8
715-04096
DOWEL PIN
9
721-04697
O-RING
10
721-04795
O-RING
11
732-04718
SPRING, VALVE
13
736-04491
WASHER 25.2X32X1
14
751-10307
FLYWHEEL KEY
15
751-11369
BALL BEARING
16
751-11545
OIL SEAL, CRANKCASE, 38X25X7
17
751-11549
REGULATOR (20-30AMP FW W/OVP)
18
751-11574
OIL SEAL, GOVERNOR ARM
19
751-11596
GASKET CRANKCASE
20
751-11603
LOCK RING
21
751-11608
ARM,ROCKER
22
751-11609
STEERING PIVOT MOUNT PLATE
23
751-11614
BREATHER VALVE
24
751-11730
MESH SCREEN
25
751-11733
GASKET, CRANKCASE COVER
26
751-11741
CAMSHAFT ASSY.
27
751-14404
PROTECTION PLATE
28
751-14405
Gasket
29
751-14415
CRANKCASE COVER GASKET
30
751-14417
CRANKSHAFT
31
751-14418
COVER CRANKCASE
32
751-14432
TAPPET
33
751-14433
RING SET
34
751-14434
Piston assy
35
751-14435
Pin STD
36
751-14436
CONNECTING ROD
Gestione della qualità
Aiutaci a migliorare il nostro sito. Informaci se trovi un errore.