.it
Carrello
vuoto
Il mio account
Registrati
Log in
Benvenuti
Contatti
Spedizione
L’azienda
Guest book
Condizioni e Privacy
Catalogare
Tagliare, profilare
Componenti per motore
Officine meccaniche
Parti e componentistica per macchine varie
Forestali
Articoli elettrici
Articoli invernali
Cinghie trapezoidali e relative pulegge
Filters
PEZZI DI RICAMBIO
Sprocket Rims
Guide Bars
Chainsaw Chains
Search by Part Number
Diagrammi ed elenchi
Servizio
Determine Chain
Ricerca
DE
EN
FR
ES
IT
Versione mobile
Black Edition 180-92 TWIN H 13AT71GE615 (2018) Ricambi
Start
Black Edition
Lawn tractors
180-92 TWIN H
13AT71GE615 (2018)
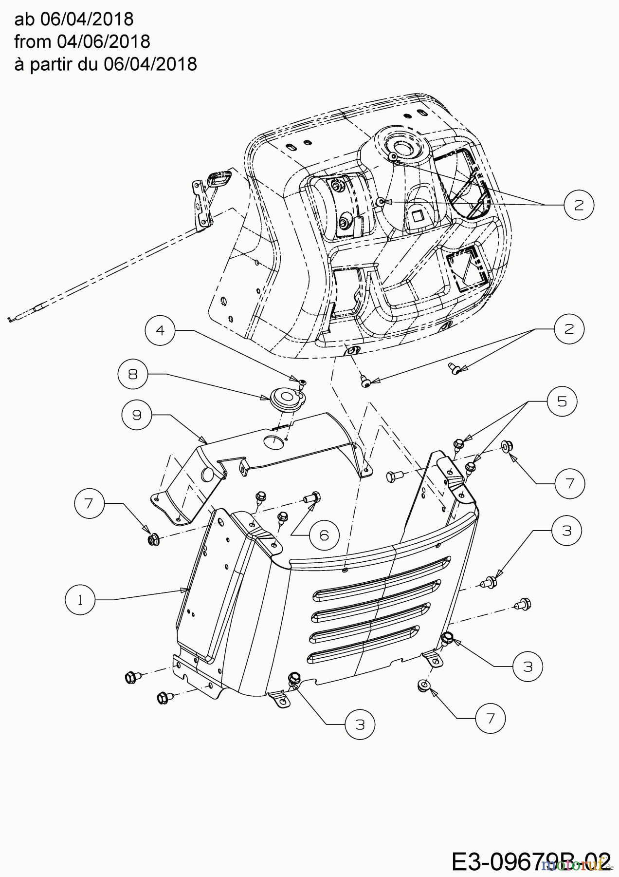
Dashboard from 04/06/2018
13AT71GE615 (2018) 180-92 TWIN H
Posizione
Articolo numero
Descrizione
1
683-05307
2
710-05070
SCR:TT:1/4-20:.5:PANTRXI:BLK
3
710-0604A
SCREW:TT:5/16-18:0.625HXINDWSH
4
710-0837
SCR:AB:#10-16:0.625:OVALCSK
5
710-1652
SCR:TT:1/4-20 x.625:HXINDWH
6
710-3025
HHCS:5/16-18:.625:GR5:STD
7
712-04063
FLANGED NUT 5/16-18:GRF:NYLON
8
741-0587
BRG:STRG:COLUMN .628 ID x1.360
9
783-06785C
Gestione della qualità
Aiutaci a migliorare il nostro sito. Informaci se trovi un errore.