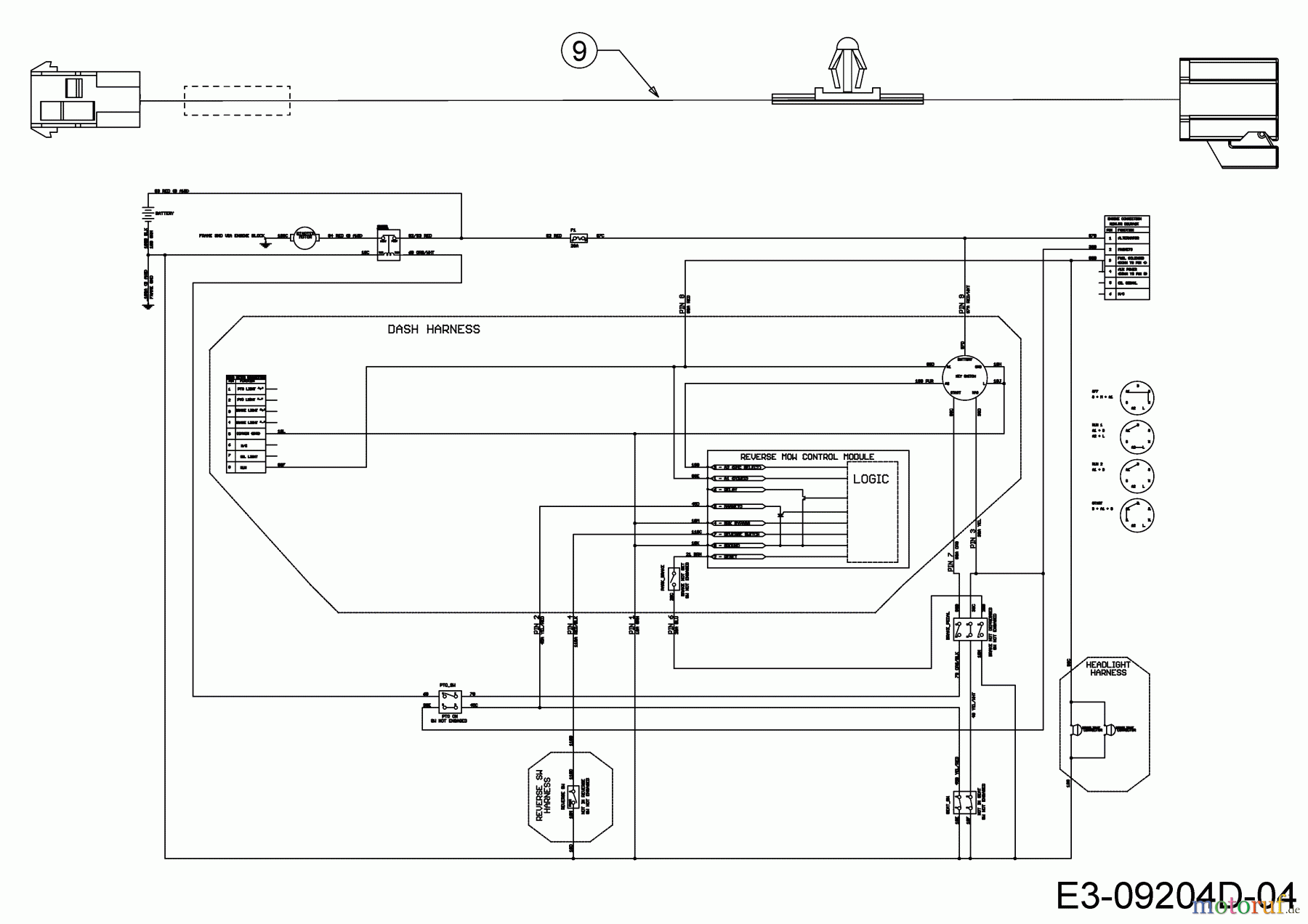
Troy-Bilt Super Bronco GT 54 FAB 14A7A3KA066 (2018) Wiring diagram reverse Ricambi
Wiring diagram reverse 14A7A3KA066 (2018)

| Posizione | Articolo numero | Descrizione | |
| 9 | 725-06167 | HARN:REV:9.75IN:IN LINE:SHORT | |


Gestione della qualità
Aiutaci a migliorare il nostro sito. Informaci se trovi un errore.

