.it
Carrello
vuoto
Il mio account
Registrati
Log in
Benvenuti
Contatti
Spedizione
L’azienda
Guest book
Condizioni e Privacy
Catalogare
Tagliare, profilare
Componenti per motore
Officine meccaniche
Parti e componentistica per macchine varie
Forestali
Articoli elettrici
Articoli invernali
Cinghie trapezoidali e relative pulegge
Filters
PEZZI DI RICAMBIO
Sprocket Rims
Guide Bars
Chainsaw Chains
Search by Part Number
Diagrammi ed elenchi
Servizio
Determine Chain
Ricerca
DE
EN
FR
ES
IT
Versione mobile
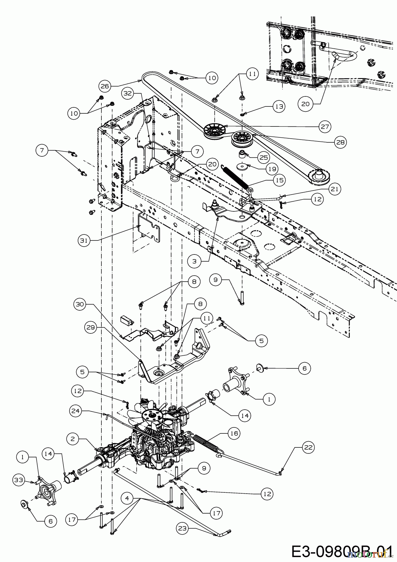
Troy-Bilt Super Bronco GT 54 FAB 14A7A3KA066 (2018) Drive system Ricambi
Start
Troy-Bilt
Garden tractors
Super Bronco GT 54 FAB
14A7A3KA066 (2018)
Drive system
Drive system 14A7A3KA066 (2018)
Posizione
Articolo numero
Descrizione
1
618-04317
HUB ASM:WHL:DOUBLE D LONG
2
618-07233
TRANS ASM:HYDRO:K58
3
683-05090A
BRKT ASM:IDLR
4
710-0176
HHCS:5/16-18:2.75:GR5:STD
5
710-06133
SCR:TAP:CF:M6-1.00:HXACRN
6
710-06168
HHCS:SEMS:3/8-16:.750:GR5.1
7
710-06256
SCR:TT:M8-1.25 X.750:HXINDWSH
8
710-1611B
SCR:TT:5/16-18:0.750:PANTRXI
9
710-3011
HHCS:3/8-16:2.25:GR5:STD
10
712-04063
FLANGED NUT 5/16-18:GRF:NYLON
11
712-04217
NUT:FLGLK:3/8-16:GRF:TOPLK
12
714-04040
PIN-COTTER
13
726-0201
NUT:SPD:.3125 ID
14
731-10547A
SLEV:1.02 ID X 1.60 LG.
15
732-05108A
SPR:EXTN:.790 DIA X 8.41"LG
16
732-05146
SPR:EXTN:0.90 DIA X 8.14 LG
17
736-0278
WASH:FLAT:.330x.687x.030:HD
19
738-04162C
SPCR:SHLDR:.8840 x .190
20
747-05608
HOOK:ROD:SPRING:DECK
21
747-06193B
ROD:ADJ:IDLR
22
747-06251A
ROD:BRAKE:TUFF-TORQ
23
747-06281A
ROD:CTRL:HYDRO
24
747-06447
ROD:DSNGA:TRANS:TT
25
748-05037B
SPCR:SHLDR:IDLR PIVOT
26
754-05027B
BELT:V TYP:A SEC:90.9"
27
756-05024
PUL:IDLR:3.56 OD
28
756-05032
PUL:IDLR:FLAT:3.00 OD
29
783-08463
30
783-08991A
BRKT:KEEPR:BELT:TUFF TORQ
31
783-09775
32
783-09776
33
710-0852
STUD, RIBBED NECK
Gestione della qualità
Aiutaci a migliorare il nostro sito. Informaci se trovi un errore.