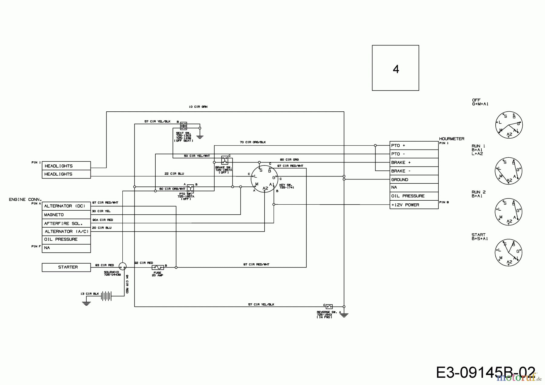
Troy-Bilt Pony 42 13AD77KS309 (2018) Wiring diagram Ricambi
Wiring diagram 13AD77KS309 (2018)

| Posizione | Articolo numero | Descrizione | |
| 4 | 725-05320B | HARN:ACDC:HL:4NRMC:SM | |


Gestione della qualità
Aiutaci a migliorare il nostro sito. Informaci se trovi un errore.

