Il mio account
Settings Desktop

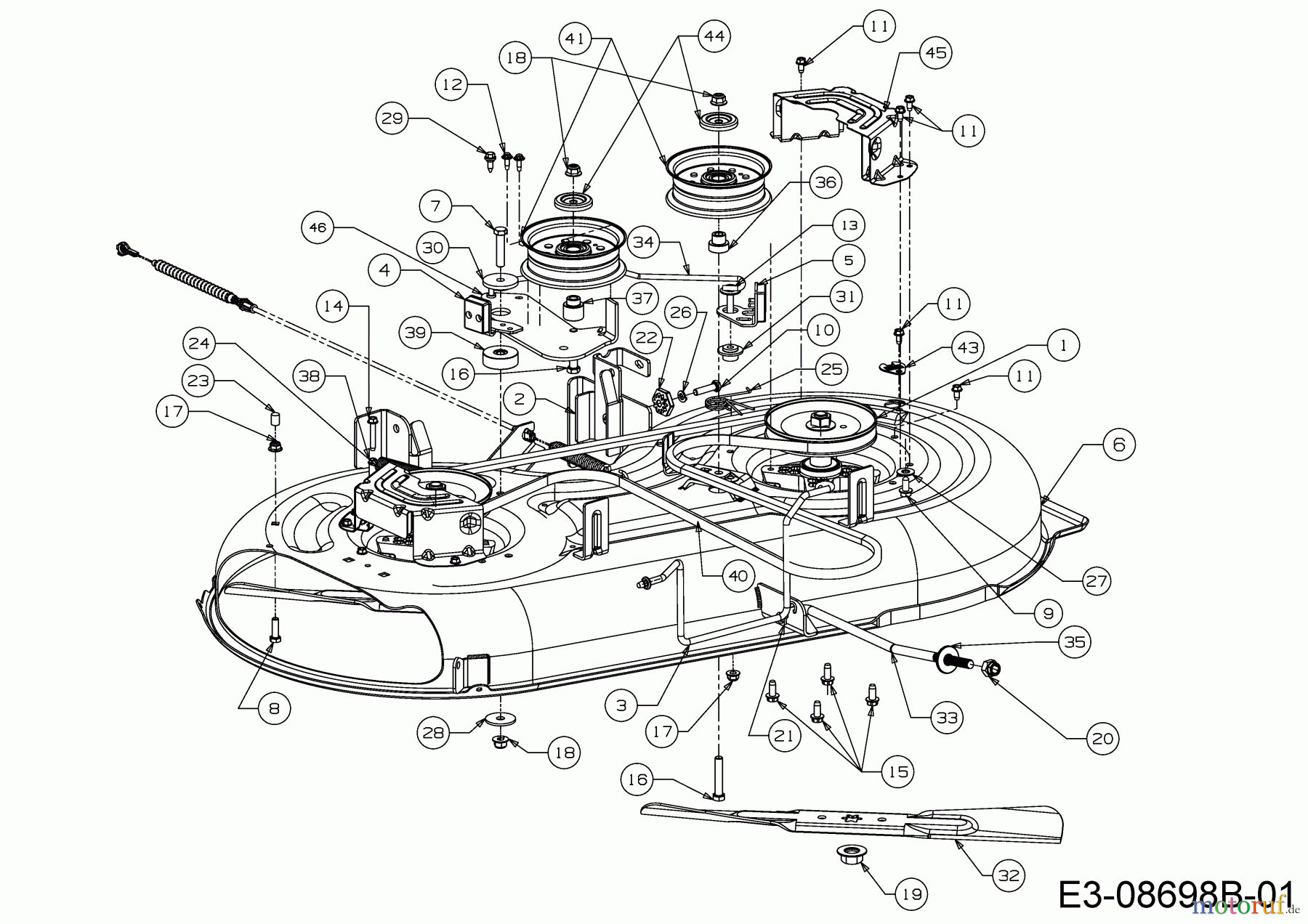
Troy-Bilt Pony 42 13AN77KS309 (2015) Mowing deck S (42"/107cm) Ricambi

Mowing deck S (42"/107cm) 13AN77KS309 (2015)

 Troy-Bilt Lawn tractors Pony 42 13AN77KS309  (2015) Mowing deck S (42
PosizioneArticolo numeroDescrizione
1 618-06991SPINDLE ASM
2 683-0254BBRKT:ASM:DECK:HNGR LH LT
3 683-04443ROD ASM:KEEPR:BELT 42":PAINT
4 683-05182BRAKE ASM:DECK:RH
5 683-05183BRAKE ASM:DECK:LH
6 683-05185SHELL 42" DECK
7 Troy-Bilt HHCS:3/8-16:1.75:GR5:STD710-0347HHCS:3/8-16:1.75:GR5:STD
8 Troy-Bilt HHCS:5/16-18:1.00:GR5:STD710-0376HHCS:5/16-18:1.00:GR5:STD
9 Troy-Bilt SCREW:TT:5/16-18:.750:HXINDWSH710-04484SCREW:TT:5/16-18:.750:HXINDWSH
10 Troy-Bilt HHCS:5/16-18:1.25:GR5:STD710-0528HHCS:5/16-18:1.25:GR5:STD
11 Troy-Bilt SCR:TT:1/4-20:0.500:HXINDWSH710-0599SCR:TT:1/4-20:0.500:HXINDWSH
12 710-06133SCR:TAP:CF:M6-1.00:HXACRN
13 710-06213HHCS:SEMS:5/16-18X1.25:HD WSH
14 Troy-Bilt SCR:TT:1/4-20:1.500:HXINDWISH710-0778SCR:TT:1/4-20:1.500:HXINDWISH
15 Troy-Bilt SCR:TT:5/16-18:0.750:HXINDWSH710-1260ASCR:TT:5/16-18:0.750:HXINDWSH
16 710-3096HHCS:3/8-16:2.00:GR8:STD
17 Troy-Bilt FLANGED NUT 5/16-18:GRF:NYLON712-04063FLANGED NUT 5/16-18:GRF:NYLON
18 Troy-Bilt NUT:FLGLK:3/8-16:GRF:NYLON712-04065NUT:FLGLK:3/8-16:GRF:NYLON
19 Troy-Bilt NUT:FLG:5/8-18712-0417ANUT:FLG:5/8-18
20 Troy-Bilt NUT:FLXLK:1/2-13712-04243NUT:FLXLK:1/2-13
21 Troy-Bilt PIN COTTER:BOW - TIE 91714-04043PIN COTTER:BOW - TIE 91
22 Troy-Bilt GEAR:DECK:ADJUSTMENT717-04074GEAR:DECK:ADJUSTMENT
23 720-05010CAP:VINYL: .290 x .500
24 732-04629SPR:EXTN:HOOK:.750 X 4.77
25 732-05151ASPR:TORSN:BRAKE:LH
26 Troy-Bilt WASHER:LOCK:5/16:SPLT:REG736-0119WASHER:LOCK:5/16:SPLT:REG
27 Troy-Bilt WASH:FLAT:.406 X .875 X.059736-0300WASH:FLAT:.406 X .875 X.059
28 736-3039WASH:FLAT:.406 x 1.5 x .105
29 Troy-Bilt SCR:SHLDR:.368x.113:TT:1/4-20738-04184ASCR:SHLDR:.368x.113:TT:1/4-20
30 738-05082SPCR:SHLDR:.970 x .190
31 738-05088SPCR:SHLDR:DBL:.750 x .145
32 742-04308BLADE:CUT:21:23" 2 IN 1:ECON
33 747-05141AROD:LIFT:DECK:FRT:12.7
34 747-06538ROD:BRAKE
35 748-04069CUP:PIVOT:DECK LIFT
36 Troy-Bilt SPCR:SHLDR:IDLR748-05029ASPCR:SHLDR:IDLR
37 748-05037ASPCR:SHLDR:IDLR PIVOT
38 Troy-Bilt SPCR:0.255 X 0.376 X 1.030 LG750-0566ASPCR:0.255 X 0.376 X 1.030 LG
39 750-06184SPCR:.385 ID x 1.75 OD x .585
40 Troy-Bilt BELT:V:A:96.5:ARAM:C2754-04060CBELT:V:A:96.5:ARAM:C2
41 756-05034PUL:IDLR:4.50" DIA
43 Troy-Bilt PLUG:DECK WASH783-06464PLUG:DECK WASH
44 Troy-Bilt CAP:PULLEY:HD783-08389CAP:PULLEY:HD
45 783-08510
46 783-08565A
47 783-08654B
Rasen
Bankeinzug, MasterCard, Visa, American Express, PayPal, Nachnahme, Vorauskasse, Sofortüberweisung
Gestione della qualità
Aiutaci a migliorare il nostro sito. Informaci se trovi un errore.