.it
Carrello
vuoto
Il mio account
Registrati
Log in
Benvenuti
Contatti
Spedizione
L’azienda
Guest book
Condizioni e Privacy
Catalogare
Tagliare, profilare
Componenti per motore
Officine meccaniche
Parti e componentistica per macchine varie
Forestali
Articoli elettrici
Articoli invernali
Cinghie trapezoidali e relative pulegge
Filters
PEZZI DI RICAMBIO
Sprocket Rims
Guide Bars
Chainsaw Chains
Search by Part Number
Diagrammi ed elenchi
Servizio
Determine Chain
Ricerca
DE
EN
FR
ES
IT
Versione mobile
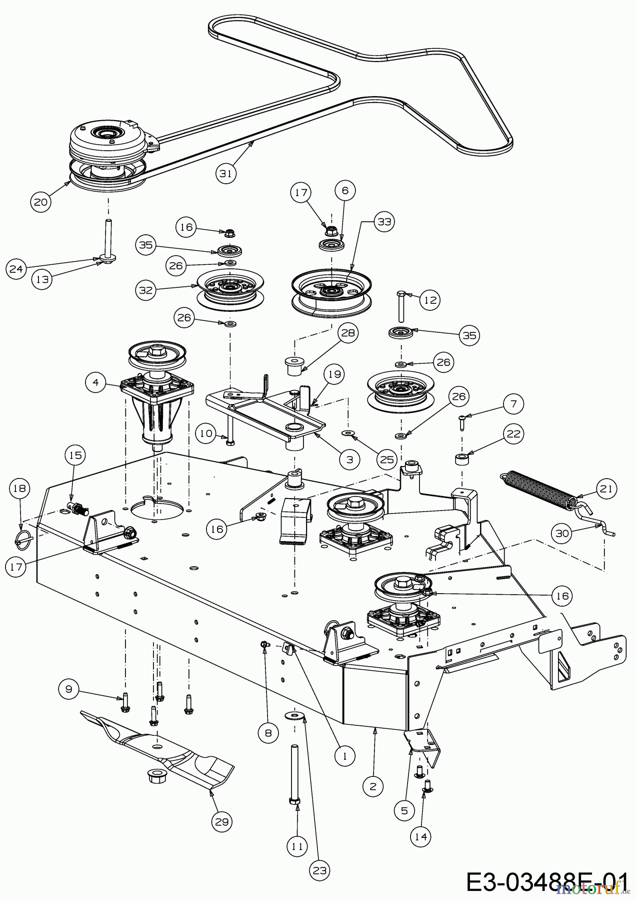
Cub Cadet XZ3 122 17BIDGHB603 (2018) Mowing deck B (48"/122cm) Ricambi
Start
Cub Cadet
Zero Turn
XZ3 122
17BIDGHB603 (2018)
Mowing deck B (48"/122cm)
Mowing deck B (48"/122cm) 17BIDGHB603 (2018)
Posizione
Articolo numero
Descrizione
1
16606-Z
BRKT:HOOK:RETAINER
2
603-05097C
3
603-05284
4
618-06994A
SPINDLE ASSY.
5
703-09435
6
703-11553
COVER IDLER PULLEY
7
710-05074
SCR:TT:1/4-20:1.0:PANTRXI:BLK
8
710-0599
SCR:TT:1/4-20:0.500:HXINDWSH
9
710-0817
SCR:TT:5/16-18:1.250:HXINDWSH
10
710-0859
SCREW HHCS:3/8-16:2.50:GR5:STD
11
710-1807
SCREW, HEX CAP 1/2-13X4.5 GR5
12
710-3011
HHCS:3/8-16:2.25:GR5:STD
13
710-3157A
HEX.SCREW HHCS:7/16-20:3.25GR5
14
710-3178
BOLT:CRG:3/8-16:0.75:SHRT NK
15
711-06200B
PIN DECK
16
712-04065
NUT:FLGLK:3/8-16:GRF:NYLON
17
712-04150
NUT:FLGLK:1/2-13:GRF:NYLON
18
714-0220A
PIN:LYNCH:.1875
19
714-0507
PIN:COT:3/32 X .750
20
717-05188
CLU ASM:LONG
21
732-04927
SPR:EXT:1.25 OD x 8.5 LG:RZTS
22
735-05147
DAMPER
23
736-0208
WASHER-FL
24
736-0322
WASH:FLAT:.450 x1.250 x.164:HD
25
736-0344
WASHER:FLAT:.385x1.000x.030
26
736-3004
WASH:FLAT:.406 x.875 x.105
28
741-05211
SHOULDER SPACER
29
742-04417
BLADE, MOWER
30
747-05608
HOOK:ROD:SPRING:DECK
31
754-05012A
BELT-V
32
756-05062
PULLEY-IDLER-FLAT
33
756-05331
IDLER PULLEY
35
783-08389
CAP:PULLEY:HD
Gestione della qualità
Aiutaci a migliorare il nostro sito. Informaci se trovi un errore.