Cub Cadet LT3 PS107K 13AV79DG603 (2018) Ricambi
13AV79DG603 (2018) LT3 PS107K

| Posizione | Articolo numero | Descrizione | |
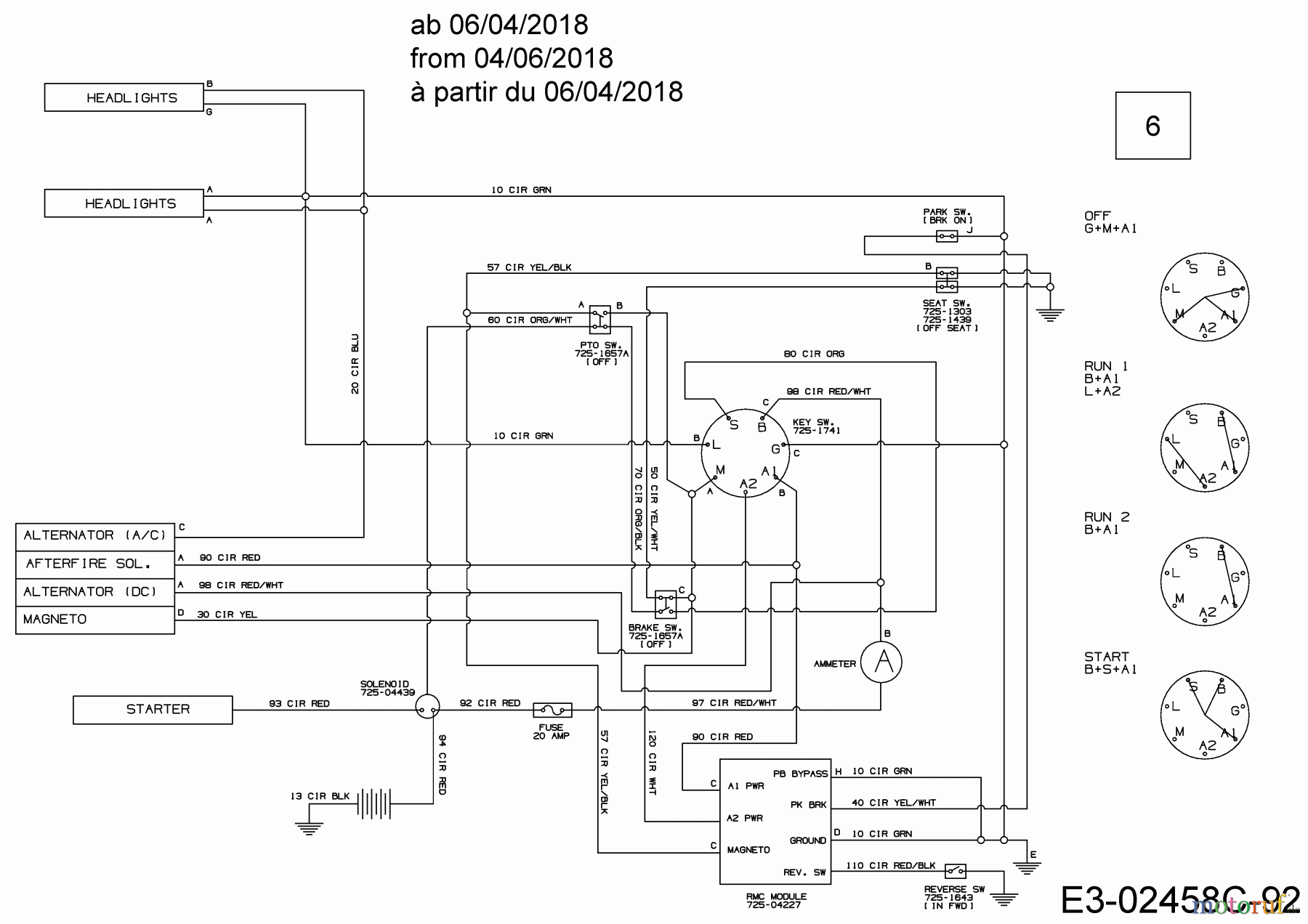
| 6 | 725-04432H | HARN:LT5:RMC:AM:ACDC:BULB | |


Gestione della qualità
Aiutaci a migliorare il nostro sito. Informaci se trovi un errore.
| Posizione | Articolo numero | Descrizione | |
| 6 | 725-04432H | HARN:LT5:RMC:AM:ACDC:BULB | |

