Cub Cadet LX 46" 13BPA4CN330 (2018) Main wiring diagram Ricambi
Main wiring diagram 13BPA4CN330 (2018)

| Posizione | Articolo numero | Descrizione | |
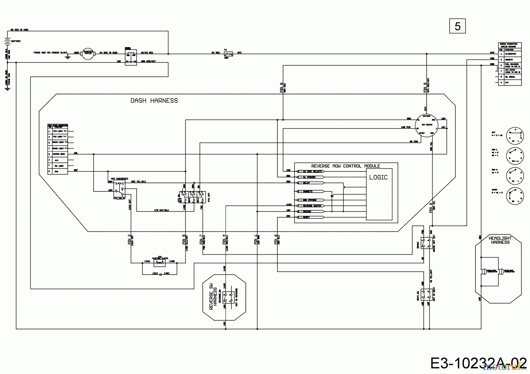
| 5 | 725-06127B | HARN:NX15:M:PTO:RMC:HM:DC | |


Gestione della qualità
Aiutaci a migliorare il nostro sito. Informaci se trovi un errore.

