.it
Carrello
vuoto
Il mio account
Registrati
Log in
Benvenuti
Contatti
Spedizione
L’azienda
Guest book
Condizioni e Privacy
Catalogare
Tagliare, profilare
Componenti per motore
Officine meccaniche
Parti e componentistica per macchine varie
Forestali
Articoli elettrici
Articoli invernali
Cinghie trapezoidali e relative pulegge
Filters
PEZZI DI RICAMBIO
Sprocket Rims
Guide Bars
Chainsaw Chains
Search by Part Number
Diagrammi ed elenchi
Servizio
Determine Chain
Ricerca
DE
EN
FR
ES
IT
Versione mobile
MTD Optima ME 76 31AY55T5678 (2018) Auger housing, Auger, Auger gearbox Ricambi
Start
MTD
Snow throwers
Optima ME 76
31AY55T5678 (2018)
Auger housing, Auger, Auger gearbox
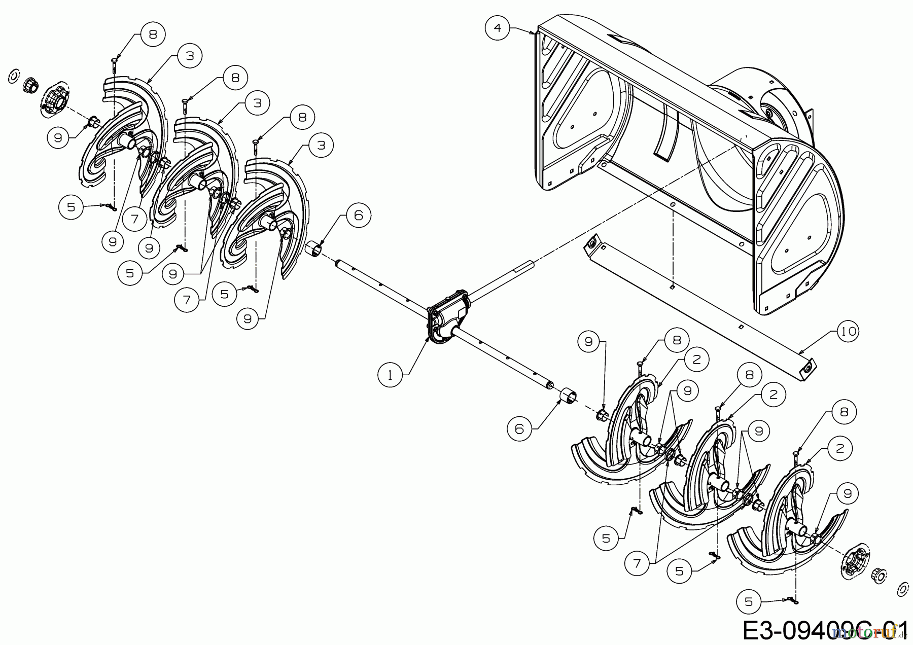
Auger housing, Auger, Auger gearbox 31AY55T5678 (2018)
Posizione
Articolo numero
Descrizione
1
618-04165B
GRBX ASM:AUGER.30"
2
684-04107A
AUGER ASM-LH
3
684-04108A
SPIRAL ASM: RH POWDER BLACK
4
684-05210
5
714-04040
PIN-COTTER
6
731-04870
SPACER:1.25ODx.75IDx1.00 LG
7
731-04871
SPACER-PULLEY
8
738-04124A
PIN-SHEAR:.25 x 1.50:GR2
9
741-0493C
BUSH:FLG:.800 ID x.910 OD
10
790-00119
SHAVE PLATE, 30"
Gestione della qualità
Aiutaci a migliorare il nostro sito. Informaci se trovi un errore.