.it
Carrello
vuoto
Il mio account
Registrati
Log in
Benvenuti
Contatti
Spedizione
L’azienda
Guest book
Condizioni e Privacy
Catalogare
Tagliare, profilare
Componenti per motore
Officine meccaniche
Parti e componentistica per macchine varie
Forestali
Articoli elettrici
Articoli invernali
Cinghie trapezoidali e relative pulegge
Filters
PEZZI DI RICAMBIO
Sprocket Rims
Guide Bars
Chainsaw Chains
Search by Part Number
Diagrammi ed elenchi
Servizio
Determine Chain
Ricerca
DE
EN
FR
ES
IT
Versione mobile
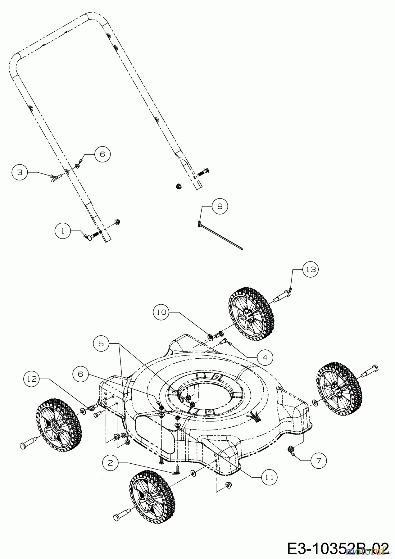
MTD Yard Machines 20" 11A-02M2360 (2018) Mounting parts handle and wheels Ricambi
Start
MTD
Petrol mower
Yard Machines 20"
11A-02M2360 (2018)
Mounting parts handle and wheels
Mounting parts handle and wheels 11A-02M2360 (2018)
Posizione
Articolo numero
Descrizione
1
710-0262
BOLT:CRG:5/16-18:1.50:GR2
2
710-0932A
SCR:CRG:1/4-20:1.000:GR5
3
710-1205
BOLT:EYE:1/4-20: BENT ROPE GDE
4
710-3008
SCREW HHCS:5/16-18:.75:GR5:STD
5
712-04063
FLANGED NUT 5/16-18:GRF:NYLON
6
712-04064
NUT:FLGLK:1/4-20:GRF:NYLON
7
712-04065
NUT:FLGLK:3/8-16:GRF:NYLON
8
725-0157
CBL:TIE: 3/16 X .05 X 7.4
10
736-0105
SPRING WASHER .401 x.870 x.060
11
736-0173
WASH:FLAT:.280x.740x.063
12
738-04033
SCR:SHLDR:.428x.160:5/16-18
13
738-0533
SCR:SHLDR:.498x1.635:3/8-16
Gestione della qualità
Aiutaci a migliorare il nostro sito. Informaci se trovi un errore.