.it
Carrello
vuoto
Il mio account
Registrati
Log in
Benvenuti
Contatti
Spedizione
L’azienda
Guest book
Condizioni e Privacy
Catalogare
Tagliare, profilare
Componenti per motore
Officine meccaniche
Parti e componentistica per macchine varie
Forestali
Articoli elettrici
Articoli invernali
Cinghie trapezoidali e relative pulegge
Filters
PEZZI DI RICAMBIO
Sprocket Rims
Guide Bars
Chainsaw Chains
Search by Part Number
Diagrammi ed elenchi
Servizio
Determine Chain
Ricerca
DE
EN
FR
ES
IT
Versione mobile
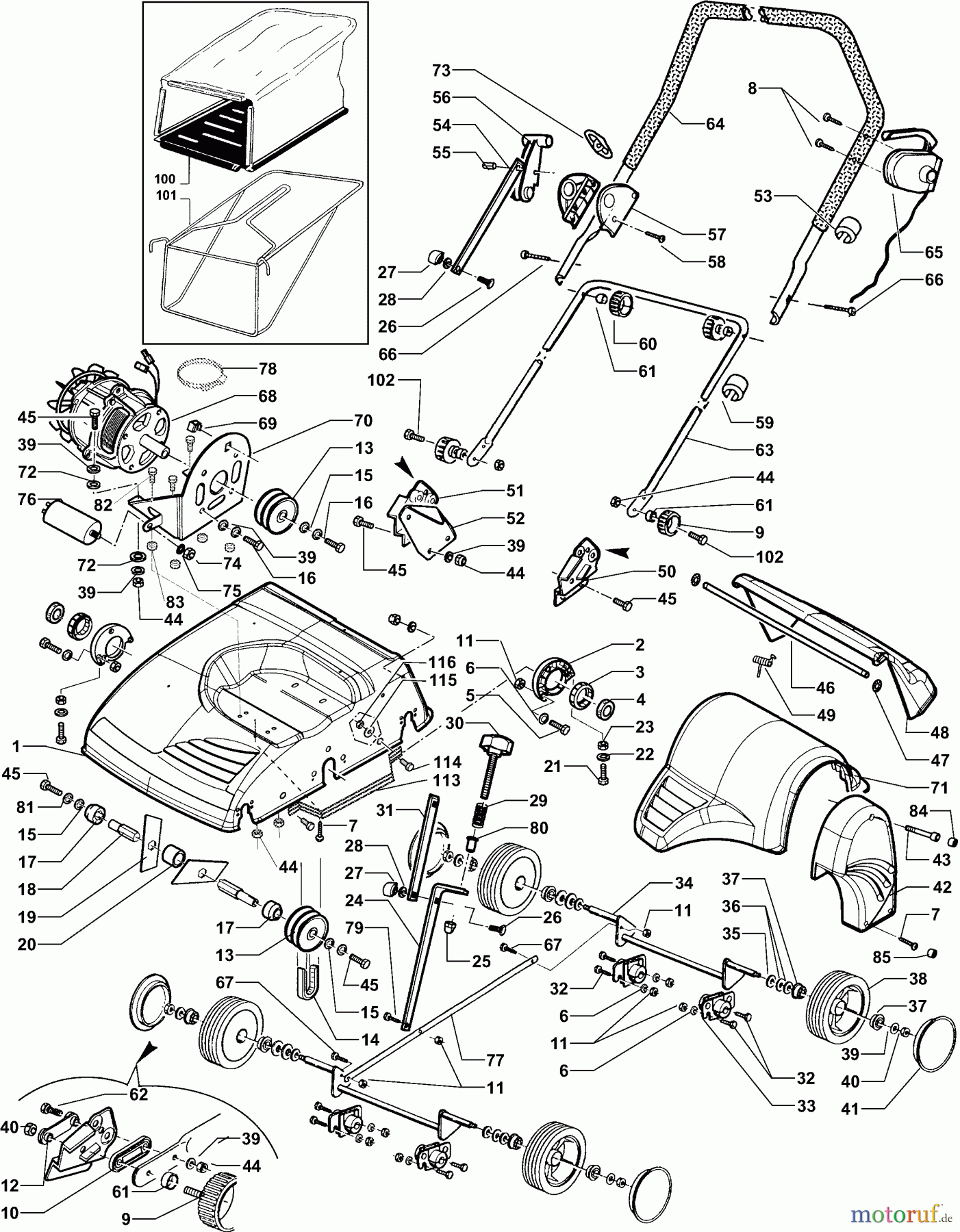
Dolmar Elektro EV-3918 1b EV-3918 (2011→) Ricambi
Start
Dolmar
Vertikutierer
Elektro
EV-3918
1b EV-3918 (2011→)
1b EV-3918 (2011→) EV-3918
Posizione
Articolo numero
Descrizione
1
683037760
DECK ROT RAL 2002
2
684018490
LAGERGEHÄUSE
3
684018480
LAGERBUCHSE
4
682018470
LAGER 17X40X12 6203 RS
5
680147490
SCHRAUBE M6X20
6
680144370
SCHEIBE M6X18
7
680145990
SCHRAUBE 3,9X19
8
680140080
SCHRAUBE 4,0X25
9
682022180
GRIFF
10
680456760
ZWISCHENSTÜCK
11
920406000
SECHSKANTMUTTER M6
12
680456750
KLEMME
13
682025880
TREIBRAD
14
680243570
KEILRIEMEN XZ-21
15
680144480
SCHEIBE M8X24
16
680109540
SCHRAUBE M8X16
17
684018460
ABSTANDHALTER
18
682018440
MESSERWELLE
19
682018430
MESSER
20
684018450
ABSTANDSBUCHSE
21
680100000
SCHRAUBE TE M6X50
22
680144750
SCHEIBE M6
23
680142000
MUTTER M6
24
683018350
STANGE
25
682024530
HUTMUTTER M 6
26
681022210
SCHRAUBE M6X16
27
682022260
KLEMM-MUTTER M 6
28
680142360
FÄCHERSCHEIBE M6
29
682019080
FEDER
30
682024080
STELLRAD
31
683022290
STANGE
32
680142760
SCHRAUBE M6X16
33
684018330
ACHSLAGER
34
683018310
ACHSE
35
680145250
FEDERSCHEIBE
36
680245240
SICHERUNGSRING 13X19X1
37
680203680
LAGER 12X26X12,4
38
683006790
RAD Ã?=200/26
39
680144460
SCHEIBE M8
40
680142030
MUTTER M8
41
680023500
RADKAPPE, SCHWARZ Ã?=200 RAL102
42
680035500
RIEMENABDECKUNG, SCHWARZ
43
681017300
SCHRAUBE
44
680144450
MUTTER M8 (B&S 3,5)
45
680152560
SCHRAUBE M8X20
46
682021910
STANGE GRASKLAPPE
47
680145900
SICHERUNGSSCHEIBE D=7
48
684018300
GRASKLAPPE
49
682019770
FEDER
50
683008010
GRIFFTRÄGER LINKS
51
683008000
GRIFFTRÄGER RECHTS
52
683018380
GRUNDPLATTE
53
680446340
KABELCLIPP
54
683018360
STANGE
55
681021900
STIFT
56
684018390
HEBEL
57
684018400
HEBELTRÄGER
58
681022110
SCHRAUBE 3,9X25
59
680446330
KABELCLIPP
60
682008490
KLEMMMUTTER M 8
61
680340060
SCHEIBE
62
680184540
SCHRAUBE M8X30
63
683018410
UNTERHOLM
64
683021960
OBERHOLM
65
682022160
SCHALTER
66
680101740
SCHRAUBE M8X55
67
681024440
SCHRAUBE M6X20
68
680028770
MOTOR 1800W S6 S/F ARIEG
69
682016350
KLAMMER
70
680035480
MOTORTRÄGER KPL.
71
680069340
MOTORABDECKUNG
72
680035590
KUNSTSTOFFSCHEIBE D=11,6X24,6
73
680409570
ZUGENTLASTUNG KABEL
74
680146410
MUTTER M8
75
680145480
SCHEIBE M8
76
680247600
KONDENSATOR 16µF
77
683024310
TRAVERSE
78
682017440
KABELBINDER
79
681024450
SCHRAUBE M6X18
80
682025460
BUCHSE
81
680145480
SCHEIBE M8
82
680140510
SCHRAUBE TE M8X25 8
83
680035580
ISOLIERELEMENT
84
680035600
ISOLIERKAPPE D=14,5
85
680035610
ISOLIERKAPPE D=9,5
100
682036630
GRASFANGSACK DOLMAR
101
683018550
RAHMEN
102
680172960
SCHRAUBE M8X35
113
680075300
SEITENSCHUTZ
114
680147470
SCHRAUBE TE M5X1
115
680147740
SCHEIBE M5X15
116
680140270
SICHERUNGSMUTTER
Gestione della qualità
Aiutaci a migliorare il nostro sito. Informaci se trovi un errore.