.it
Benvenuti
Contatti
Spedizione
L’azienda
Guest book
Condizioni e Privacy
Catalogare
Tagliare, profilare
Componenti per motore
Officine meccaniche
Parti e componentistica per macchine varie
Forestali
Articoli elettrici
Articoli invernali
Cinghie trapezoidali e relative pulegge
Filters
PEZZI DI RICAMBIO
Sprocket Rims
Guide Bars
Chainsaw Chains
Search by Part Number
Diagrammi ed elenchi
Servizio
Determine Chain
Ricerca
Il mio account
Registrati
Log in
Settings
DE
EN
FR
ES
IT
Desktop
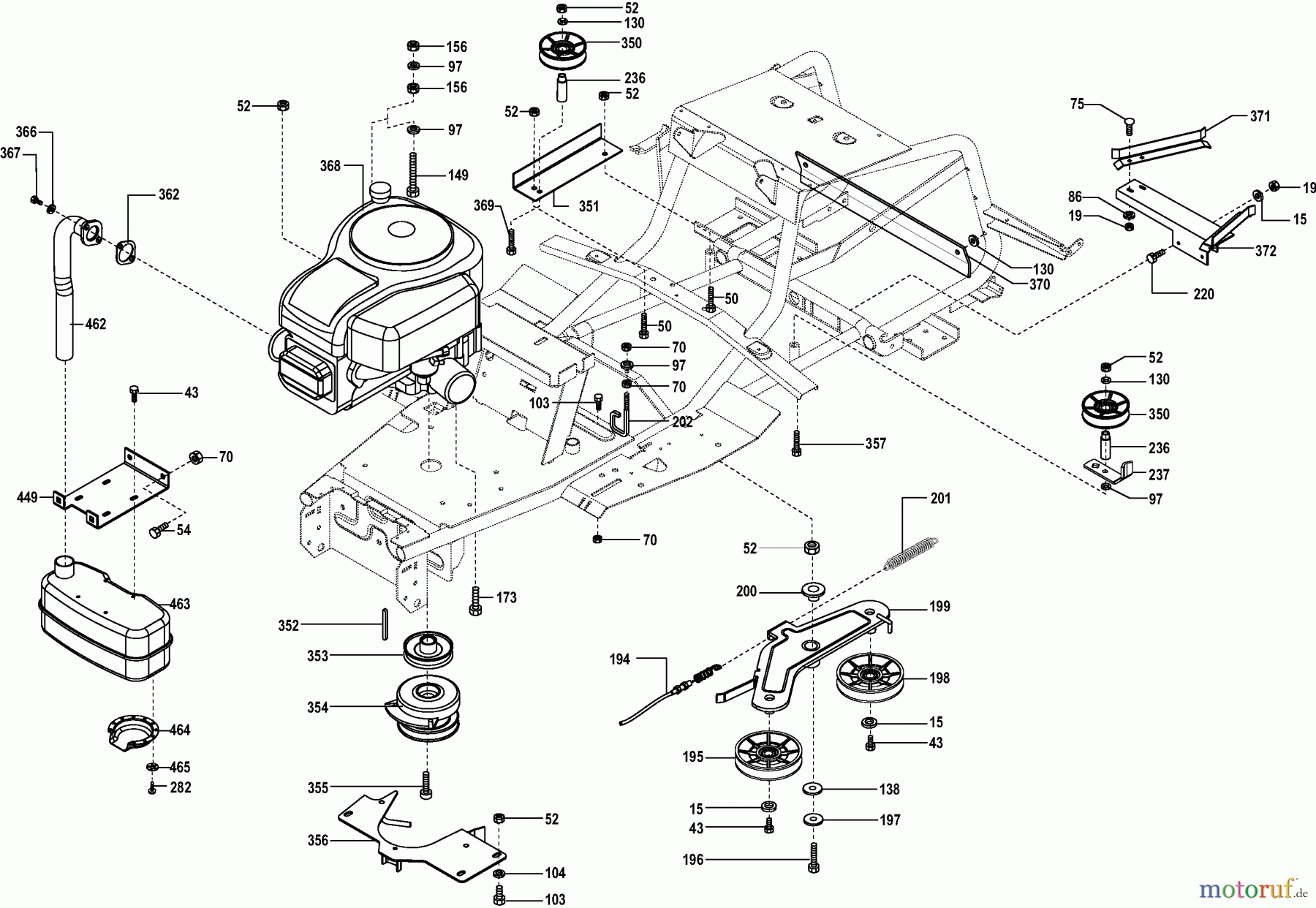
Dolmar TM-102.17 H TM-102.17 H (2004) 6 MOTOR Ricambi
Start
Dolmar
Rasentraktoren
TM-102.17 H
TM-102.17 H (2004)
6 MOTOR
6 MOTOR TM-102.17 H (2004)
Posizione
Articolo numero
Descrizione
15
924806400
SCHEIBE A 6.4
19
920406000
SECHSKANTMUTTER M6
43
663523134
SCHRAUBE M6X12
50
663701011
SECHSKANTSCHRAUBE M8X50
52
663700121
6 KANT-MUTTER M8
54
663700545
SECHSKANTSCHRAUBE M8X16
70
663348988
MUTTER, MITTELGESICHERT M8
75
663700799
FLACHRUNDSCHRAUBE M6X16
86
663700137
SCHEIBE 6.4
97
663700201
FÄCHERSCHEIBE A8.4
103
900208204
6KT-SCHRAUBE M8X20
104
663700150
SCHEIBE 8.4
130
663700138
SCHEIBE A 8.4
138
663700656
TELLERFEDER 28X10.2X1.25
149
663500207
SECHSKANTSCHRAUBE M8X45
156
663500073
SICHERUNGSMUTTER M8
173
900208354
6KT-SCHRAUBE M8X35
194
663514070
SCHALTBOWDENZUG KUPPLUNG 78 CM
195
663514716
SPANNROLLE IN. M. LAGER
196
900208304
SECHSKANTSCHRAUBE M8X30
197
663701083
SCHEIBE
198
663514717
SPANNROLLE AUß. M. LAGER
199
663109630
SPANNROLLENWIPPE Ã?16
200
663480430
DISTANZBUCHSE WIPPE
201
663522087
ZUGFEDER
202
663514398
ÖSE
220
663700573
FLACHRUNDSCHRAUBE M6X20
236
663421630
ZENTRIERHÜLSE
237
663514394
RIEMENFÜHRUNG
282
663701138
LINSENKOPFSCHRAUBE 4.2X13
350
663521391
UMLENKROLLE + LAGER
351
663514957
FÜHRUNGSBLECH 5-GANG 102CM
352
663514943
PASSFEDER 1/4"X1/4"X1"
353
663485730
ANTRIEBSSEGMENT
354
663514876
MESSERBREMSKUPPLUNG 102CM
355
663514944
SCHRAUBE UNF 7/16"X3"
356
663494830
RIEMENFÜHRUNG
357
663702477
SECHSKANTSCHRAUBE M8X80
362
663514987
FLANSCHDICHTUNG B&S 272293
366
663702756
SICHERUNGSSCHEIBE SCHNORR S8
367
663461209
INNEN-6KT-SCHRAUBE UNC 5/16"X3/4"
368
-
MOTOR BRIGGS&STRATTON
369
663701521
SECHSKANTSCHRAUBE M8X40
370
663521195
RIEMENFÜHRUNG HYDRO 102
371
663127201
RIEMENFüHRUNGSBLECH RECHTS RAL9005
372
663495001
RIEMENFÜHRUNG HYDRO 102 RAL9005
449
663521469
AUSPUFFHALTEBLECH
462
663521726
AUSPUFFKRÜMMER
463
663521732
AUSPUFF
464
663521733
DEFLECTOR B&S
465
663700959
SCHEIBE 4,3 6798
Gestione della qualità
Aiutaci a migliorare il nostro sito. Informaci se trovi un errore.