.it
Carrello
vuoto
Il mio account
Registrati
Log in
Benvenuti
Contatti
Spedizione
L’azienda
Guest book
Condizioni e Privacy
Catalogare
Tagliare, profilare
Componenti per motore
Officine meccaniche
Parti e componentistica per macchine varie
Forestali
Articoli elettrici
Articoli invernali
Cinghie trapezoidali e relative pulegge
Filters
PEZZI DI RICAMBIO
Sprocket Rims
Guide Bars
Chainsaw Chains
Search by Part Number
Diagrammi ed elenchi
Servizio
Determine Chain
Ricerca
DE
EN
FR
ES
IT
Versione mobile
Dolmar Benzin PM-4645 PM-4645 (1997-2000) 7 PM-4645 Ricambi
Start
Dolmar
Rasenmäher
Benzin
PM-4645
PM-4645 (1997-2000)
7 PM-4645
7 PM-4645 PM-4645 (1997-2000)
Posizione
Articolo numero
Descrizione
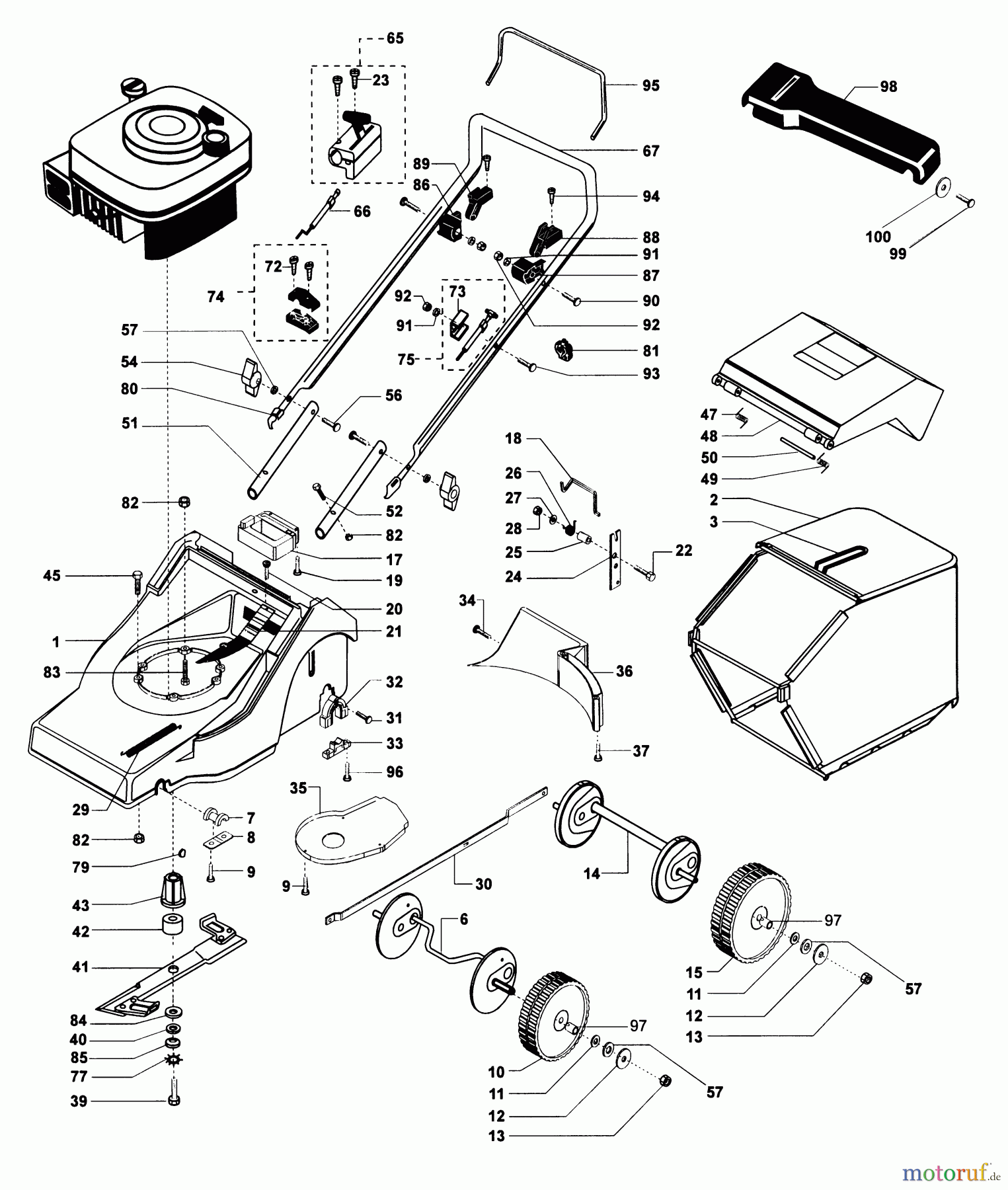
1
663548199
GEHäUSE ORANGE
2
661013081
GRASFANGSACK
3
661301092
RAHMEN
6
661300015
ACHSE VORNE
6
663546133
ACHSE VORNE
7
661300049
LAGERSCHALE
8
661300101
LAGERPLATTE
9
663510468
SCHRAUBE 6X16
10
661300022
LAUFRAD VORNE (KUNSTSTOFF)
11
663701429
SCHEIBE ø 6,4
12
661062561
SCHEIBE
13
663703384
SCHRAUBE M6X16
13
900206162
SECHSKANTSCHRAUBE M6X16
13
920406000
SECHSKANTMUTTER M6
14
661300062
ACHSE HINTEN
14
663526744
ACHSE HINTEN
15
661300054
LAUFRAD HINTEN
15
661300055
LAUFRAD HINTEN
17
661300019
GRIFF
18
661300007
STANGE
19
661112171
SCHRAUBE M6X30
20
663343696
SCHRAUBE 4X20
21
661300017
BLENDE
22
663702812
SECHSKANTSCHRAUBE M10X55
23
663543556
SCHRAUBE 4X20
24
661300048
HEBEL
25
661300010
DISTANZSTüCK
26
661300095
RüCKSTELLFEDER
27
663700139
SCHEIBE 10.5
28
920410000
SECHSKANTMUTTER M10
29
661300820
ZUGFEDER
30
661300016
ZUGSTANGE
31
663337916
SCHRAUBE 5X16
32
661300050
HALTERUNG OBEN
33
661300051
HALTERUNG UNTEN
34
663543550
SCHRAUBE 50X14
34
663543551
SCHRAUBE 5X26
35
661290288
ABDECKUNG
36
661300006
ABWEISER
37
908006205
SCHRAUBE T M6X20
39
663512512
ARRETIERSCHRAUBE 3/8" X 85
40
663316913
SCHEIBE ø 50 X 5
41
663513619
MESSER 3 - TEILIG 46 CM
42
663548192
DISTANZSCHEIBE
43
663512427
MESSERKUPPLUNG
45
663375953
SCHRAUBE M8X40
47
661301722
FEDER RECHTS
48
663524725
HECKKLAPPE BEDRUCKT
49
661301731
FEDER LINKS
50
661301126
ZAPFEN
51
663548169
FüHRUNGSHOLM UNTEN RAL 9005
52
663703978
SCHRAUBE M8X60
52
663704193
SCHRAUBE M8X45
54
663544757
FLüGELMUTTER M6
56
663702854
SCHRAUBE M6X45
57
924806400
SCHEIBE A 6.4
65
663333925
MOTORFERNBEDIENUNG
66
663332979
BOWDENZUG (FERNBEDIENUNG)
67
663531544
FüHRUNGSHOLM OBEN
67
663548173
FüHRUNGSHOLM OBEN
72
663373264
SCHRAUBE 5X16
73
663518925
WIDERLAGER
74
663548217
HOLMSTARTEINRICHTUNG
75
663518092
BOWDENZUG (MOTORBREMSE)
77
663700202
SCHEIBE ø 10,5
79
663700390
SCHEIBENFEDER
80
663543411
SCHUTZKAPPE
81
663505322
HOLMKLEMME
82
663500073
SICHERUNGSMUTTER M8
83
663700303
SECHSKANTSCHRAUBE M8X70
84
663300161
BREMSSCHEIBE
85
663700656
TELLERFEDER 28X10.2X1.25
86
663512577
WIDERLAGER RECHTS
87
663512578
WIDERLAGER LINKS
88
663512576
AUFNAHMEBüGEL LINKS
89
663512723
AUFNAHMEBüGEL RECHTS
90
663702873
SCHRAUBE M6X45
91
924806400
SCHEIBE A 6.4
92
920406000
SECHSKANTMUTTER M6
93
663703703
SCHRAUBE M6X40
94
663703704
SCHRAUBE 3,5X13
95
663548208
TOTMANN - BüGEL SCHWARZ
96
663543551
SCHRAUBE 5X26
97
663510923
KUGELLAGER
98
663531499
HOLMKONSOLE
99
663336375
SCHRAUBE 40X14 PT-KB
100
924804300
SCHEIBE 4.3
Gestione della qualità
Aiutaci a migliorare il nostro sito. Informaci se trovi un errore.