.it
Benvenuti
Contatti
Spedizione
L’azienda
Guest book
Condizioni e Privacy
Catalogare
Tagliare, profilare
Componenti per motore
Officine meccaniche
Parti e componentistica per macchine varie
Forestali
Articoli elettrici
Articoli invernali
Cinghie trapezoidali e relative pulegge
Filters
PEZZI DI RICAMBIO
Sprocket Rims
Guide Bars
Chainsaw Chains
Search by Part Number
Diagrammi ed elenchi
Servizio
Determine Chain
Ricerca
Il mio account
Registrati
Log in
Settings
DE
EN
FR
ES
IT
Desktop
Dolmar Benzin 4-Takt MS43004R 2 Hauptrohr, Getriebe, Schutzhaube Ricambi
Start
Dolmar
Motorsensen & Trimmer
Benzin
4-Takt
MS43004R
2 Hauptrohr, Getriebe, Schutzhaube
2 Hauptrohr, Getriebe, Schutzhaube MS43004R
Posizione
Articolo numero
Descrizione
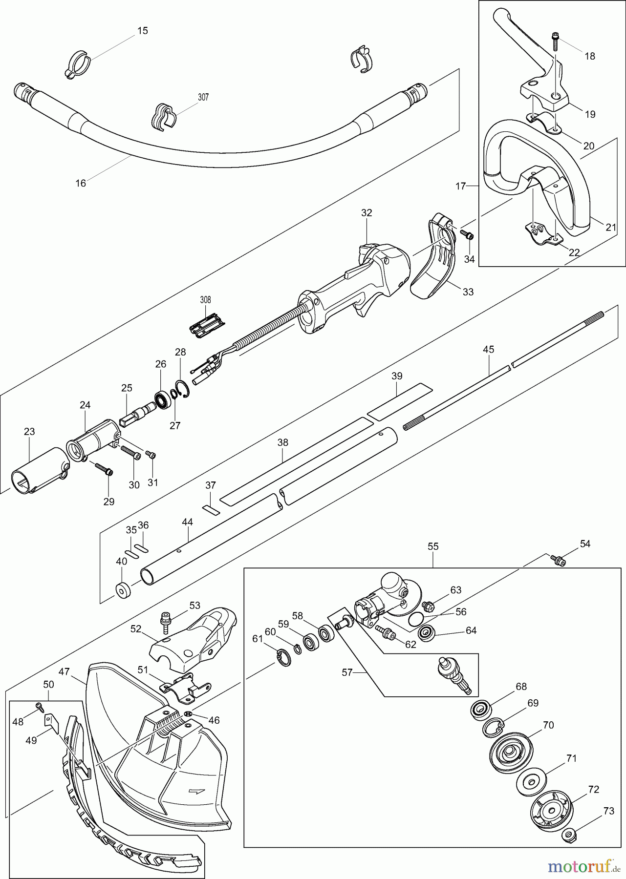
15
417764-3
HALTERUNG 10-33
16
367126510
FLEXIBLE WELLE
17
196897-4
HANDGRIFF KPL.
18
922244-1
6KT-SCHRAUBE M5X25
19
455316-2
ABDECKUNG MIT BARRIERE
20
346468-9
KLEMMSCHELLE 33
21
455315-4
HANDGRIFF
22
346817-0
KLEMMSCHELLE 28
23
424646-2
ABDECKUNG
24
319182-0
KLEMMSTÜCK
25
367326436
SPINDEL
26
211148-5
KUGELLAGER 6001ZZ
27
961052-5
SICHERUNGSRING S-12
28
367962106
SICHERUNGSRING R-28
29
922248-3
SCHRAUBE M5X28
30
381922352
INNEN-6KT-SCHRAUBE M6X30
31
367922212
INNEN-6 KANT-SCHRAUBE M5X12
32
126512-6
BEDIENUNGSHANDGRIFF KPL.
33
455304-9
SCHUTZ
34
367922228
SCHRAUBE 5X18
35
808723-2
HINWEISSCHILD
36
808723-2
HINWEISSCHILD
37
801D19-4
SCHILD SERIAL NO.
38
804X45-2
SICHERHEITSAUFKLEBER DOLMAR
39
660893388
FIRMENSCHILD DOLMAR LOGO
40
443146-3
FILZRING 8
44
142838-8
SCHAFTROHR KPL.
45
326574-6
WELLE
46
413143-3
SCHEIBE
47
452259-9
SCHUTZHAUBE ANSI STANDARD
48
266326-2
SCHNEIDSCHRAUBE 4X18
49
346074-0
FADENMESSER
50
135398-7
SCHUTZLEISTE KPL. 2010 =>
51
346072-4
SCHELLE FÜR SCHUTZHAUBE
52
451090-0
ABDECKUNG
53
266579-3
INNEN-6 KANT-SCHRAUBE M6X30
54
266865-2
SCHRAUBE M5X14
55
123835-3
GETRIEBE KPL.
55
126310-8
GETRIEBE KPL.
56
213459-4
O-RING 32
57
183K07-8
SPINDEL KPL.
57
367187644
SPINDEL KPL.
58
210161-0
RILLENKUGELLAGER 6000
58
367211064
KUGELLAGER 6000
59
210160-2
RILLENKUGELLAGER 6000ZZ
59
211062-5
RILLENKUGELLAGER 6000 2Z
60
257408-1
SICHERUNGSRING S-10
60
961006-2
SICHERUNGSRING S-10
61
257988-7
SICHERUNGSRING R-26
61
962105-3
SICHERUNGSRING R-26
62
367922353
SCHRAUBE M6X30
63
265590-2
6 KANT-SCHRAUBE M8X10
64
210081-8
RILLENKUGELLAGER 629ZZ
64
210159-7
RILLENKUGELLAGER 629ZZ
68
367210116
KUGELLAGER 6201LLU
69
257409-9
SICHERUNGSRING R-32
69
367962151
SICHERUNGSRING R-32
70
326823-1
AUFNAHMESCHEIBE ø 25,4
70
367332114
AUFNAHMESCHEIBE ø 25,4
71
346355-2
DRUCKSCHEIBE
72
168526-9
GLEITTELLER
73
264025-0
SECHSKANTMUTTER M10X1,25 LH
307
455588-9
KABELKLEMME
308
455934-6
VERBINDUNGSGEHÄUSE
Gestione della qualità
Aiutaci a migliorare il nostro sito. Informaci se trovi un errore.