.it
Carrello
vuoto
Il mio account
Registrati
Log in
Benvenuti
Contatti
Spedizione
L’azienda
Guest book
Condizioni e Privacy
Catalogare
Tagliare, profilare
Componenti per motore
Officine meccaniche
Parti e componentistica per macchine varie
Forestali
Articoli elettrici
Articoli invernali
Cinghie trapezoidali e relative pulegge
Filters
PEZZI DI RICAMBIO
Sprocket Rims
Guide Bars
Chainsaw Chains
Search by Part Number
Diagrammi ed elenchi
Servizio
Determine Chain
Ricerca
DE
EN
FR
ES
IT
Versione mobile
Dolmar Benzin 2-Takt MS-20 C (USA) 4 Vergaser, Luftfilter Ricambi
Start
Dolmar
Motorsensen & Trimmer
Benzin
2-Takt
MS-20 C (USA)
4 Vergaser, Luftfilter
4 Vergaser, Luftfilter MS-20 C (USA)
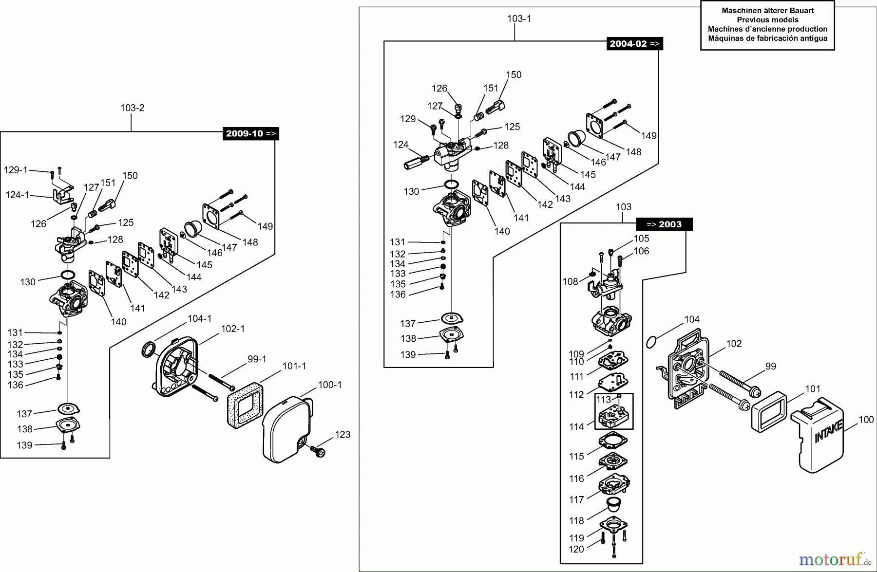
Posizione
Articolo numero
Descrizione
99
265667-3
KOMBI-SCHRAUBE M5X65
99-1
905405608
SCHRAUBE M5X60
100
374300403
LUFTFILTERDECKEL
100-1
374301802
LUFTFILTERGEHÄUSE
101
374300401
LUFTFILTER
101-1
374301703
LUFTFILTER
102-1
374301801
GEHÄUSE
102
5253004010
LUFTFILTERGEHÄUSE
103-1
168681-7
VERGASER TZ9V-2G
103-2
168682-5
VERGASER TZ9V-2L
103
374600500
VERGASER
104-1
213632-6
O-RING
104
5236061000
O-RING
105
325922-6
DREHGELENK
106
388600803
ZYLINDERSCHRAUBE
108
257964-1
SICHERUNGSRING E-3
109
213538-8
O-RING 2
110
367325924
DÜSE
111
442172-9
DICHTUNG
112
WJ00009599
PUMPENMEMBRAN
113
WJ00014070
SIEB
114
140989-1
PUMPENKÖRPER KPL.
115
442154-1
DICHTUNG
116
001151460
STEUERMEMBRAN
117
374604606
PUMPENABDECKUNG
118
424314-7
PRIMER PUMPE
119
5236046050
PRIMERDECKEL
120
367266582
BLECHSCHRAUBE 3X24
123
221233160
SCHRAUBE KPL. M5X14 W/W&SW
124-1
346510-6
GASZUGHALTER
124
374601924
EINSTELLSCHRAUBE
125
374601925
SCHRAUBE
126
374601945
NOCKEN
127
374601946
SCHEIBE
128
374601951
SICHERUNGSSCHEIBE
129-1
266720-8
SCHRAUBE
129
374601931
SCHRAUBE
130
374601922
O-RING
131
213629-5
O-RING
132
381603201
HAUPTDüSE
133
374601936
VENTIL KPL.
134
374601941
O-RING
135
374601942
FÜHRUNG
136
374601943
SCHRAUBE
137
374601904
STEUERMEMBRAN SATZ
138
374601905
ABDECKUNG
139
374601906
SCHRAUBE
140
374601911
PUMPENDICHTUNG
141
374601912
PUMPENMEMBRAN
142
374601935
PUMPENPLATTE
143
374601913
DICHTUNG
144
352018-0
FILTER
145
374601934
PUMPENDECKEL
146
374600903
VENTIL
147
374600904
PRIMERPUMPE
148
374601932
PLATTE
149
374601914
SCHRAUBE
150
374603601
HEBEL
151
374603602
FEDER
Gestione della qualità
Aiutaci a migliorare il nostro sito. Informaci se trovi un errore.