.it
Benvenuti
Contatti
Spedizione
L’azienda
Guest book
Condizioni e Privacy
Catalogare
Tagliare, profilare
Componenti per motore
Officine meccaniche
Parti e componentistica per macchine varie
Forestali
Articoli elettrici
Articoli invernali
Cinghie trapezoidali e relative pulegge
Filters
PEZZI DI RICAMBIO
Sprocket Rims
Guide Bars
Chainsaw Chains
Search by Part Number
Diagrammi ed elenchi
Servizio
Determine Chain
Ricerca
Il mio account
Registrati
Log in
Settings
DE
EN
FR
ES
IT
Desktop
Dolmar Akku AT3731C 1 Hauptrohr, Griff, Schutzhaube, Getriebe Ricambi
Start
Dolmar
Motorsensen & Trimmer
Akku
AT3731C
1 Hauptrohr, Griff, Schutzhaube, Getriebe
1 Hauptrohr, Griff, Schutzhaube, Getriebe AT3731C
Posizione
Articolo numero
Descrizione
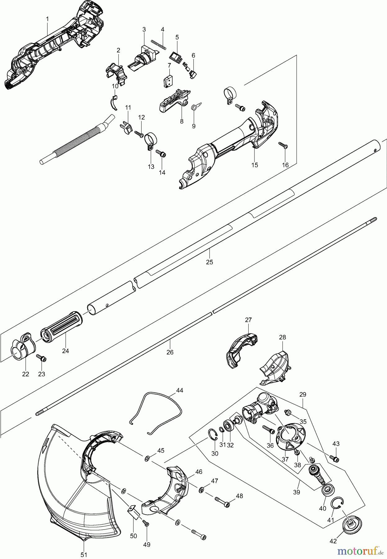
1
187698-1
GRIFFSCHALEN, SATZ INC. 1+15
2
454737-5
EINSCHALTSPERRE
3
454738-3
SOCKEL FÜR HEBEL
4
660234079
DRUCKFEDER 4
5
660651533
SCHALTER SLE6A2-33
6
686015-7
KONTAKTSCHUTZ
7
650704-0
SCHALTER D2SW-P01L1-3M
8
454736-7
SCHALTHEBEL
9
233612-6
SPIRALFEDER 10
10
451985-7
ABDECKUNG
11
687261-5
ZUGENTLASTUNG KABEL
12
265995-6
BLECHSCHRAUBE 4X18
13
346248-3
ROHRSCHELLE 24
14
367922228
SCHRAUBE 5X18
15
187698-1
GRIFFSCHALEN, SATZ INC. 1+15
16
265995-6
BLECHSCHRAUBE 4X18
22
168478-4
TRAGEGURTAUFNAHME
23
367922228
SCHRAUBE 5X18
24
450659-7
ABSTANDHALTER
24
451601-1
HüLSE 24
25
660142647
SCHAFTROHR KPL. AT-3731
25
660893388
FIRMENSCHILD DOLMAR LOGO
25
898861-8
HINWEISSCHILD
26
327056-1
WELLE
27
187800-6
SCHUTZ SET
28
187800-6
SCHUTZ SET
29
660126439
GETRIEBEGEHÄUSE KPL. B
30
381142400
SICHERUNGSRING
31
374300612
SPRENGRING
32
210049-4
RILLENKUGELLAGER 609ZZ
35
367301101
BOLZEN M6X9
36
266805-0
SCHRAUBE M5X25
37
455026-1
WICKELSCHUTZ
38
381005939
SCHRAUBE KPL.
39
187920-6
GETRIEBERÄDER KPL.
40
388010991
KUGELLAGER 6000DDU
41
381142600
SICHERUNGSRING R-26
42
332042-9
AUFNAHMESCHEIBE
43
367922223
KOMBI-SCHRAUBE M5X16
44
326348-5
SCHUTZBüGEL
45
413143-3
SCHEIBE
46
454641-8
SCHUTZHAUBENHALTER
47
942151-2
FEDERRING 6
48
266579-3
INNEN-6 KANT-SCHRAUBE M6X30
49
266427-6
SCHNEIDSCHRAUBE 4X12
50
346725-5
FADENMESSER
50
347274-5
FADENMESSER
51
454640-0
SCHUTZHAUBE
51
457980-5
SCHUTZHAUBE
Gestione della qualità
Aiutaci a migliorare il nostro sito. Informaci se trovi un errore.