.it
Benvenuti
Contatti
Spedizione
L’azienda
Guest book
Condizioni e Privacy
Catalogare
Tagliare, profilare
Componenti per motore
Officine meccaniche
Parti e componentistica per macchine varie
Forestali
Articoli elettrici
Articoli invernali
Cinghie trapezoidali e relative pulegge
Filters
PEZZI DI RICAMBIO
Sprocket Rims
Guide Bars
Chainsaw Chains
Search by Part Number
Diagrammi ed elenchi
Servizio
Determine Chain
Ricerca
Il mio account
Registrati
Log in
Settings
DE
EN
FR
ES
IT
Desktop
Dolmar Akku AT-3631 C 1 Hauptrohr, Griff, Schutzhaube, Getriebe Ricambi
Start
Dolmar
Motorsensen & Trimmer
Akku
AT-3631 C
1 Hauptrohr, Griff, Schutzhaube, Getriebe
1 Hauptrohr, Griff, Schutzhaube, Getriebe AT-3631 C
Posizione
Articolo numero
Descrizione
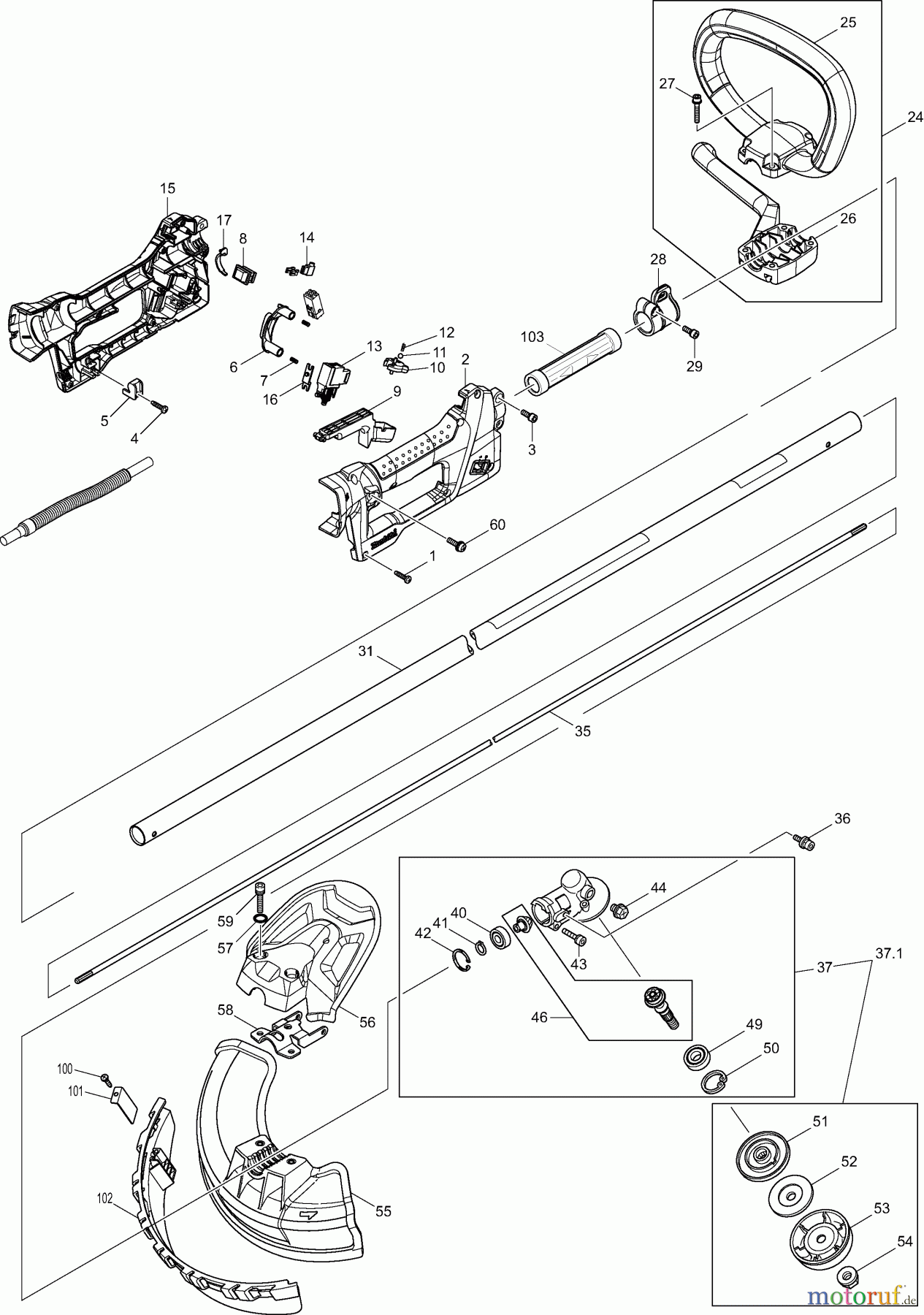
1
265995-6
BLECHSCHRAUBE 4X18
2
660188840
GRIFFSCHALEN, SATZ
3
367922228
SCHRAUBE 5X18
4
265995-6
BLECHSCHRAUBE 4X18
5
687261-5
ZUGENTLASTUNG KABEL
6
451983-1
SPERRKNOPF
7
233054-4
DRUCKFEDER 4
8
660651533
SCHALTER SLE6A2-33
9
451984-9
SCHALTHEBEL
10
451986-5
ANZEIGE
11
216018-3
STAHLKUGEL 5.0
12
233211-4
DRUCKFEDER 2
13
660650630
SCHALTER TGR3-3
14
686015-7
KONTAKTSCHUTZ
15
660188840
GRIFFSCHALEN, SATZ
16
451982-3
ANSCHLUSSBLECH
17
451985-7
ABDECKUNG
24
660195215
HANDGRIFF KPL.
25
451598-4
HANDGRIFF
26
660451599
KLEMMSCHALE
27
660911253
FLACHKOPFSCHRAUBE M5X30
28
168478-4
TRAGEGURTAUFNAHME
29
367922228
SCHRAUBE 5X18
31
141097-1
SCHAFTROHR KPL.
31
660893388
FIRMENSCHILD DOLMAR LOGO
31
810558-9
SICHERHEITSAUFKLEBER
35
660325812
WELLE
36
367922218
KOMBI-SCHRAUBE M5X14
37.1
125556-3
GETRIEBE KPL.
37
660125791
GETRIEBEGEHÄUSE KPL.
40
210049-4
RILLENKUGELLAGER 609ZZ
41
367961005
SICHERUNGSRING S-9
42
962103-7
SICHERUNGSRING R-24
43
922241-7
INNEN-6 KANT-SCHRAUBE M5X25
44
265590-2
6 KANT-SCHRAUBE M8X10
46
188902-1
GETRIEBERÄDER KPL.
49
210115-7
RILLENKUGELLAGER 6001LLU
50
367962106
SICHERUNGSRING R-28
51
331861-0
AUFNAHMESCHEIBE
52
346084-7
DRUCKSCHEIBE
53
168526-9
GLEITTELLER
54
264025-0
SECHSKANTMUTTER M10X1,25 LH
55
451566-7
SCHUTZHAUBE
56
660451565
ABDECKUNG
57
213105-9
O-RING 11
58
367346073
SCHELLE FÜR SCHUTZHAUBE
59
367922353
SCHRAUBE M6X30
60
367911233
KOMBI-SCHRAUBE M5X20
100
265995-6
BLECHSCHRAUBE 4X18
101
346280-7
FADENMESSER
102
-
HINWEISSCHILD
102
140583-9
SCHUTZLEISTE
103
451601-1
HüLSE 24
Gestione della qualità
Aiutaci a migliorare il nostro sito. Informaci se trovi un errore.