.it
Carrello
vuoto
Il mio account
Registrati
Log in
Benvenuti
Contatti
Spedizione
L’azienda
Guest book
Condizioni e Privacy
Catalogare
Tagliare, profilare
Componenti per motore
Officine meccaniche
Parti e componentistica per macchine varie
Forestali
Articoli elettrici
Articoli invernali
Cinghie trapezoidali e relative pulegge
Filters
PEZZI DI RICAMBIO
Sprocket Rims
Guide Bars
Chainsaw Chains
Search by Part Number
Diagrammi ed elenchi
Servizio
Determine Chain
Ricerca
DE
EN
FR
ES
IT
Versione mobile
Dolmar Benzin Kettensäge PS6100H 3 Zylinder, Kurbelgehäuse Ricambi
Start
Dolmar
Kettensägen
Benzin Kettensäge
PS6100H
3 Zylinder, Kurbelgehäuse
3 Zylinder, Kurbelgehäuse PS6100H
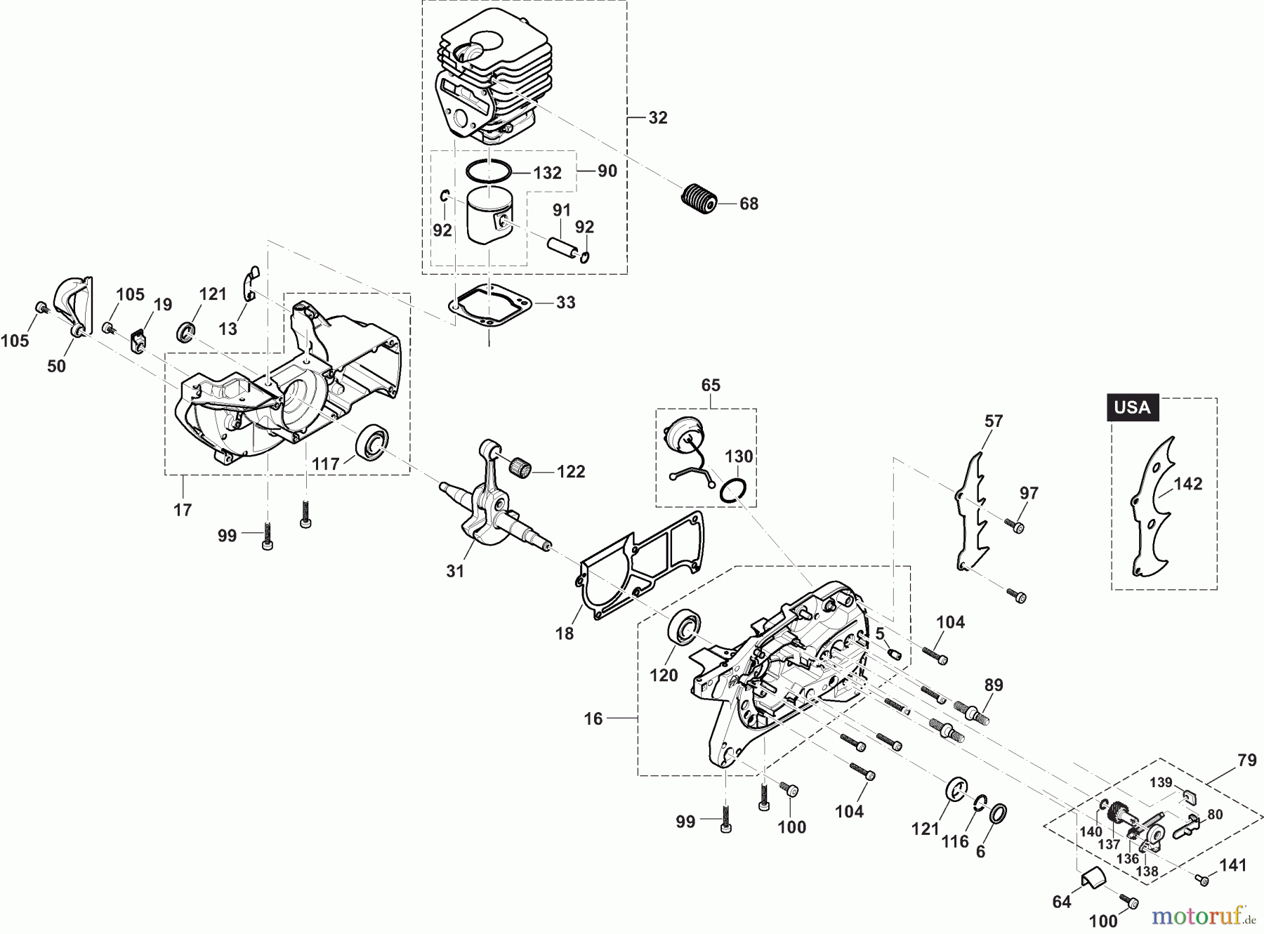
Posizione
Articolo numero
Descrizione
5
010245030
BELÜFTUNGSVENTIL
6
394245010
ANSCHLAGRING, GEHäRTET, VERZINKT
13
130118070
STAHLKLAMMER
16
130111111
KURBELGEHÄUSE KS KPL., ROT
17
130111120
KURBELGEHÄUSE MS KPL., ROT
18
130111070
KURBELGEHÄUSEDICHTUNG
19
130111090
KLAMMER
31
143709-2
KURBELWELLE KPL.
32
130131150
ZYLINDER / KOLBEN KPL. Ã? 47MM
33
346950-8
ZYLINDERFUßDICHTUNG
50
130173080
ZULUFTKANAL
57
130250011
ZACKENLEISTE
64
181111050
KETTENFÄNGER
65
181114202
TANKDECKEL KPL.
68
181114401
DÄMPFUNGSFEDER KPL.
79
130213150
KETTENSPANNER KPL. PROFI
79
130213160
KETTENSPANNER KPL. (LANGER ZAPFEN) PROFI
80
130213240
SPANNSCHLITTEN PROFI
80
130213250
SPANNSCHLITTEN (LANGER ZAPFEN) PROFI
89
195232010
SCHIENENBOLZEN MIT BUND M8
90
143436-1
KOLBEN KPL. D47
91
315132050
KOLBENBOLZEN 11X32
92
234390-1
SPRENGRING 11
97
266605-8
SCHRAUBE T M5X16
99
266984-4
SCHRAUBE T M5X25
100
908006145
SCHRAUBE T M6X14
104
908405255
SCHRAUBE T M5X25
105
266474-7
SCHRAUBE T M5X9
116
930916160
SPRENGRING
117
211154-0
KUGELLAGER (EINKLEBEN) 6202
120
211154-0
KUGELLAGER (EINKLEBEN) 6202
121
213814-0
RADIALDICHTRING ø15/24X7
122
212164-0
NADELKRANZ
130
213080-9
O-RING 29,5
132
325132050
KOLBENRING ø 47
136
181213230
KETTENSPANNSCHRAUBE PROFI
137
181213250
EINSTELLSCHRAUBE PROFI
138
452667-4
GETRIEBEABDECKUNG PROFI
139
181213260
SPANNSCHRAUBENLAGER
140
963207020
O-RING 7X2
141
908705125
SCHRAUBE M5X12
142
130250020
ZACKENLEISTE USA
Gestione della qualità
Aiutaci a migliorare il nostro sito. Informaci se trovi un errore.