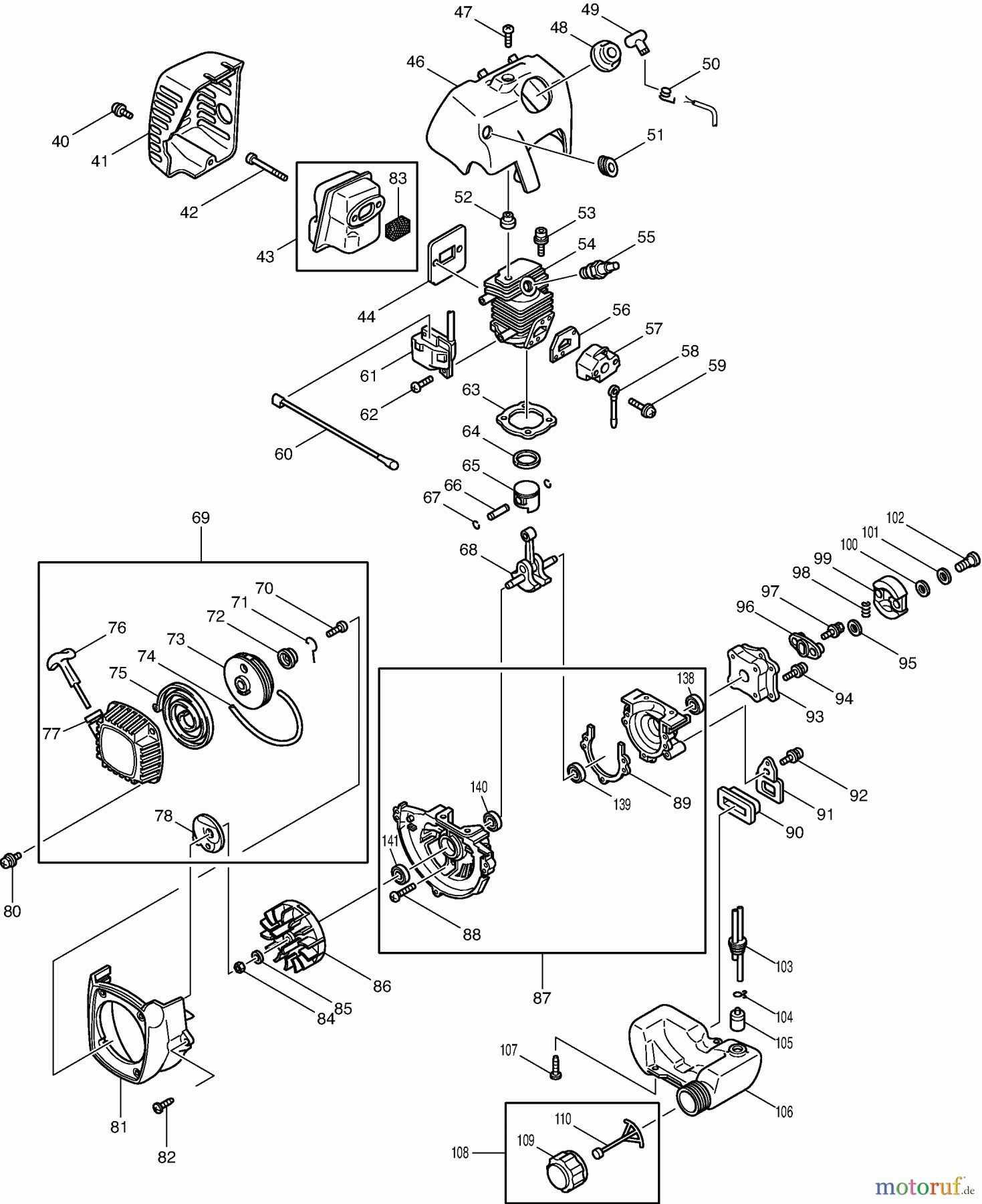
Dolmar Benzin HT-2162 E (USA) 5 HT-2162 E (USA) Motor, Anwerfvorrichtung, Kraftstofftank Ricambi
5 HT-2162 E (USA) Motor, Anwerfvorrichtung, Kraftstofftank HT-2162 E (USA)



Gestione della qualità
Aiutaci a migliorare il nostro sito. Informaci se trovi un errore.


