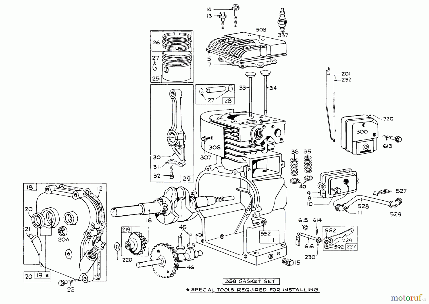
Toro 58210 - 26" Tiller, 1972 (2000001-2999999) ENGINE BRIGGS & STRATTON MODEL NO. 130292-0371 Ricambi
ENGINE BRIGGS & STRATTON MODEL NO. 130292-0371 58210 - Toro 26" Tiller, 1972 (2000001-2999999)



Gestione della qualità
Aiutaci a migliorare il nostro sito. Informaci se trovi un errore.

