Carrello
Il mio account

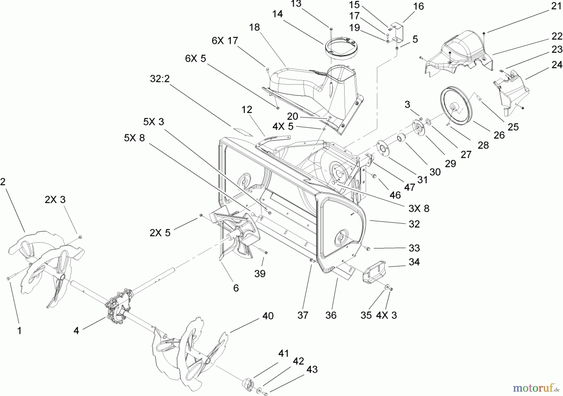
Toro 38635 (828 LE) - Power Max 828 LE Snowthrower, 2005 (250000001-250999999) AUGER AND HOUSING ASSEMBLY Ricambi

AUGER AND HOUSING ASSEMBLY 38635 (828 LE) - Toro Power Max 828 LE Snowthrower, 2005 (250000001-250999999)

 Toro Neu Snow Blowers/Snow Throwers Seite 2 38635 (828 LE) - Toro Power Max 828 LE Snowthrower, 2005 (250000001-250999999) AUGER AND HOUSING ASSEMBLY
Rasen
Bankeinzug, MasterCard, Visa, American Express, PayPal, Nachnahme, Vorauskasse, Sofortüberweisung