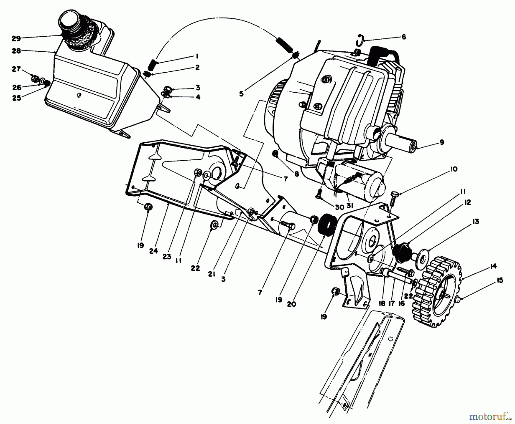
Toro 38185 - CCR 2000 Snowthrower, 1987 (7000001-7999999) ENGINE & MAIN FRAME ASSEMBLY Ricambi
ENGINE & MAIN FRAME ASSEMBLY 38185 - Toro CCR 2000 Snowthrower, 1987 (7000001-7999999)



Gestione della qualità
Aiutaci a migliorare il nostro sito. Informaci se trovi un errore.





