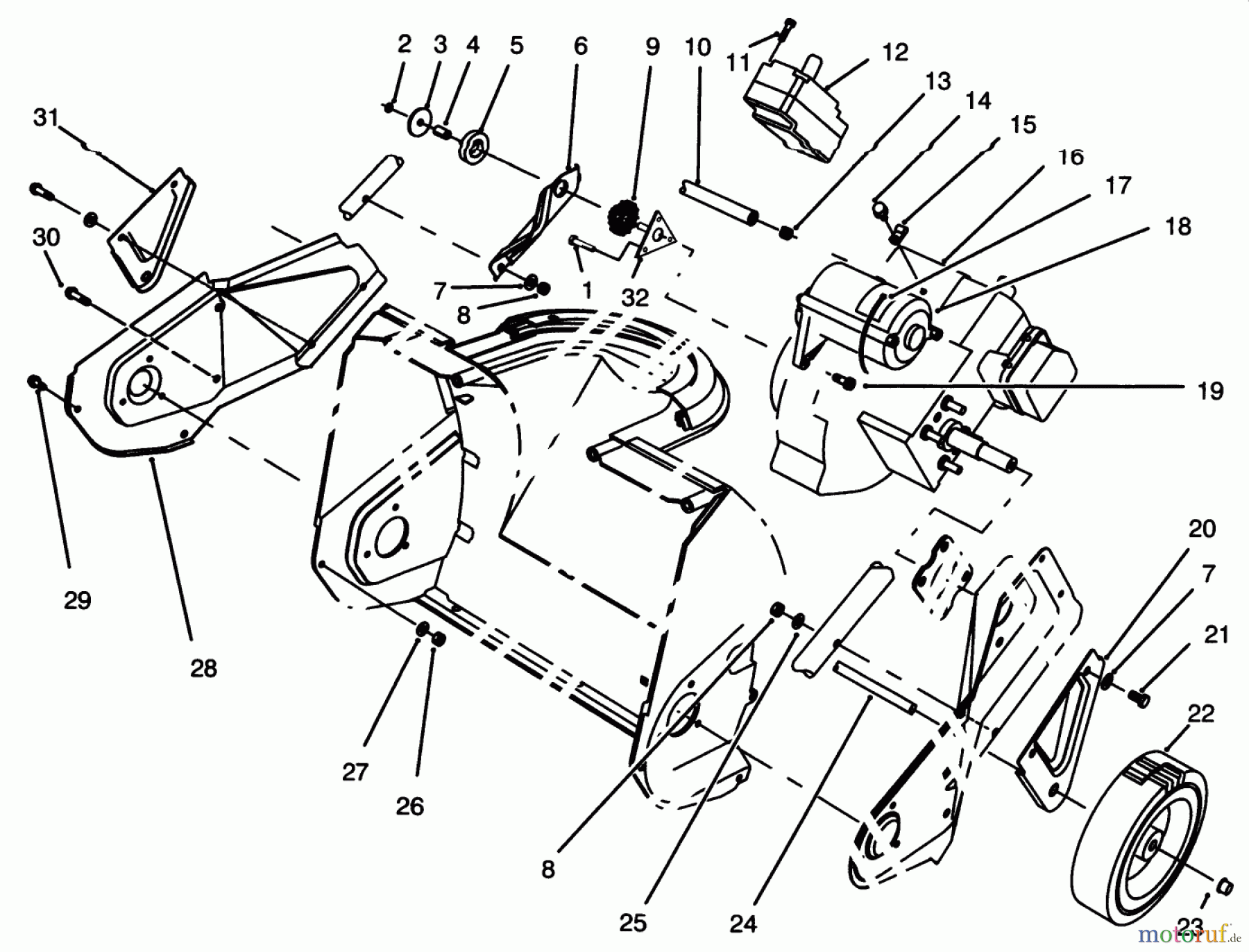
Toro 38171 - CCR Powerlite Snowthrower, 1995 (59000001-59999999) ENGINE & WHEEL ASSEMBLY Ricambi
ENGINE & WHEEL ASSEMBLY 38171 - Toro CCR Powerlite Snowthrower, 1995 (59000001-59999999)



Gestione della qualità
Aiutaci a migliorare il nostro sito. Informaci se trovi un errore.



