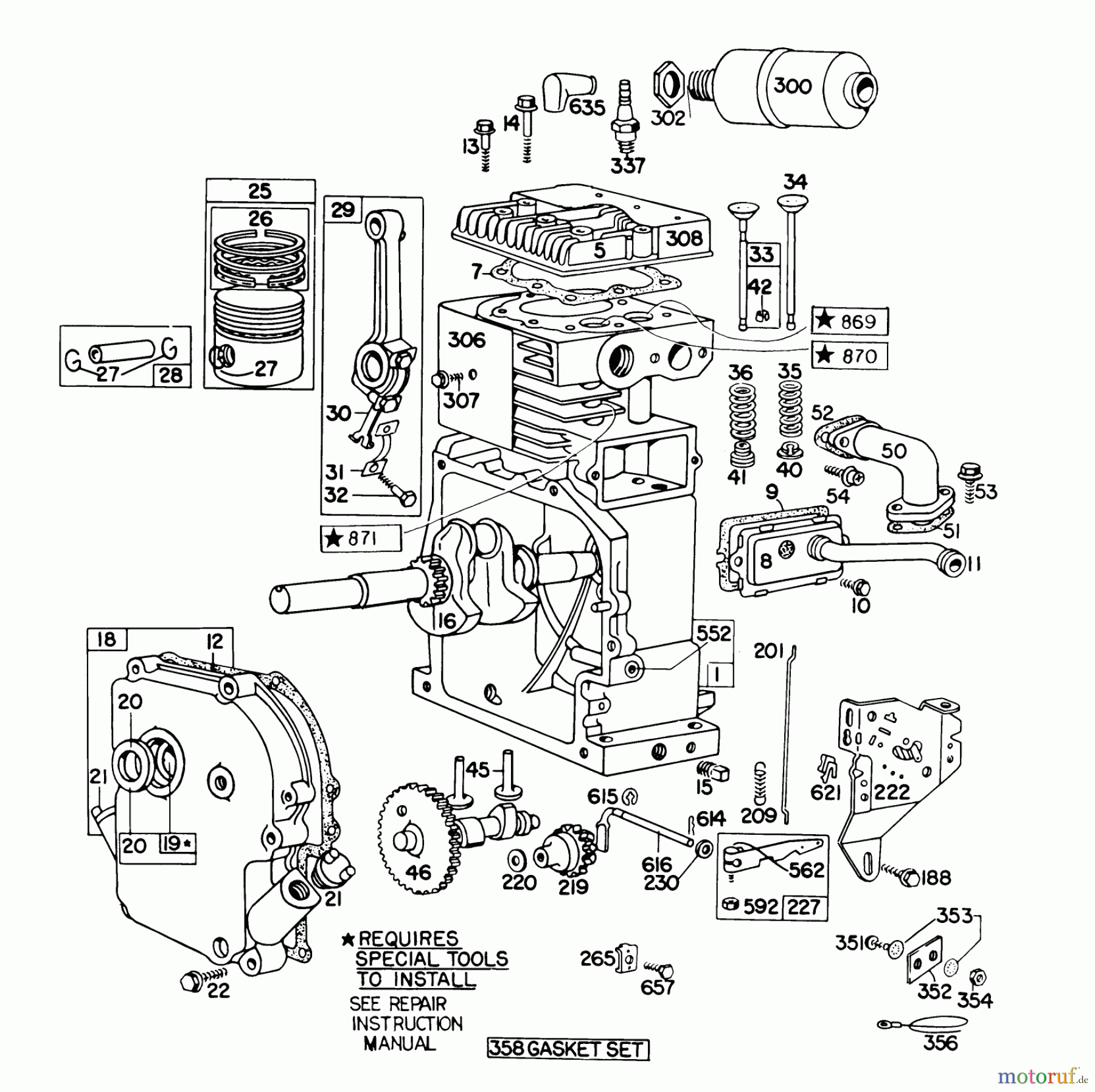
Toro 38155 (826) - 826 Snowthrower, 1980 (0000001-0999999) ENGINE BRIGGS & STRATTON MODEL NO. 190402 TYPE 0989-01 #1 Ricambi
ENGINE BRIGGS & STRATTON MODEL NO. 190402 TYPE 0989-01 #1 38155 (826) - Toro 826 Snowthrower, 1980 (0000001-0999999)



Gestione della qualità
Aiutaci a migliorare il nostro sito. Informaci se trovi un errore.

