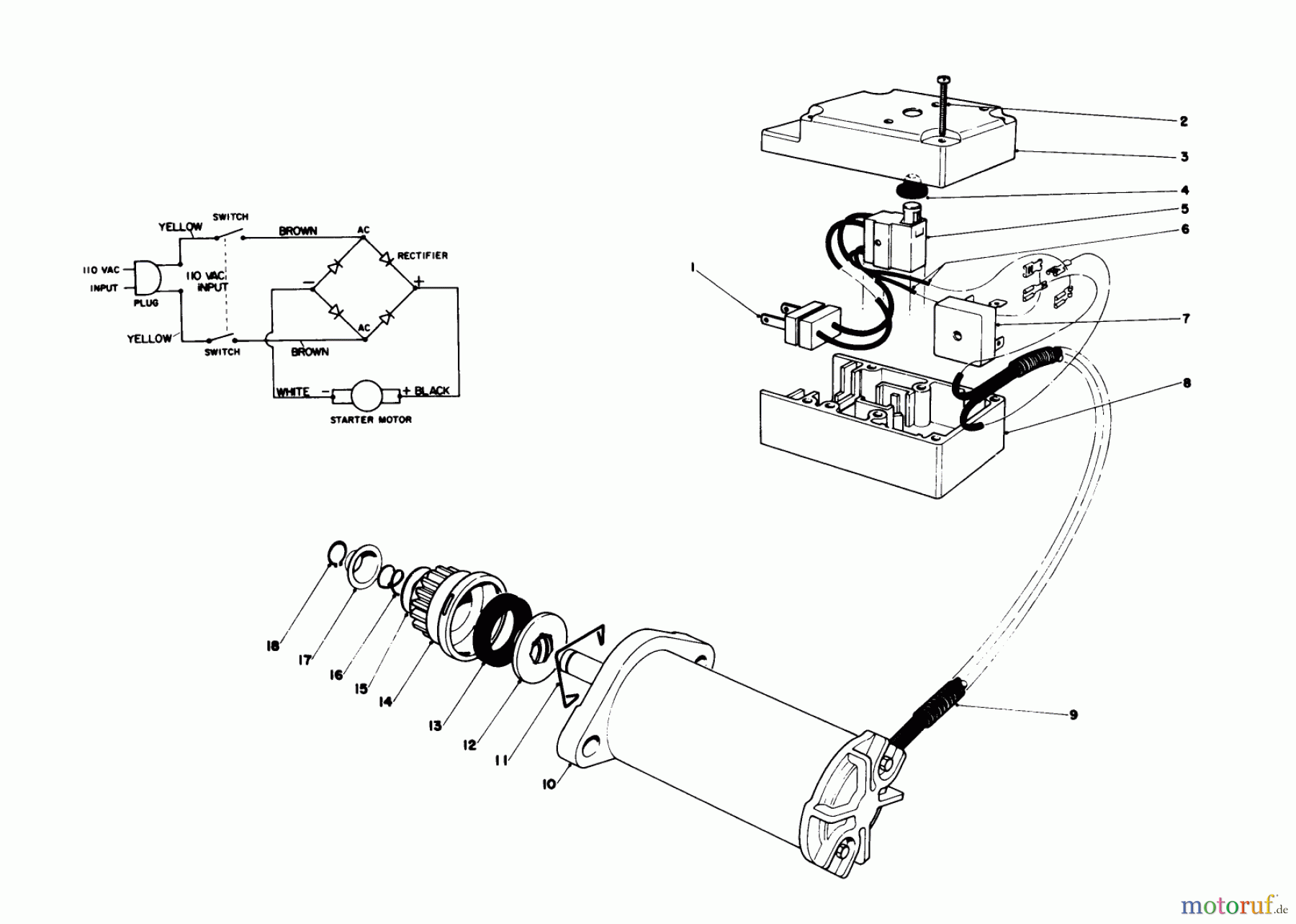
Toro 38120 (S-200) - S-200 Snowthrower, 1981 (1000001-1000350) STARTER MOTOR & SWITCH ASSEMBLY (MODEL 38130) Ricambi
STARTER MOTOR & SWITCH ASSEMBLY (MODEL 38130) 38120 (S-200) - Toro S-200 Snowthrower, 1981 (1000001-1000350)



Gestione della qualità
Aiutaci a migliorare il nostro sito. Informaci se trovi un errore.

