.it
Carrello
vuoto
Il mio account
Registrati
Log in
Benvenuti
Contatti
Spedizione
L’azienda
Guest book
Condizioni e Privacy
Catalogare
Tagliare, profilare
Componenti per motore
Officine meccaniche
Parti e componentistica per macchine varie
Forestali
Articoli elettrici
Articoli invernali
Cinghie trapezoidali e relative pulegge
Filters
PEZZI DI RICAMBIO
Sprocket Rims
Guide Bars
Chainsaw Chains
Search by Part Number
Diagrammi ed elenchi
Servizio
Determine Chain
Ricerca
DE
EN
FR
ES
IT
Versione mobile
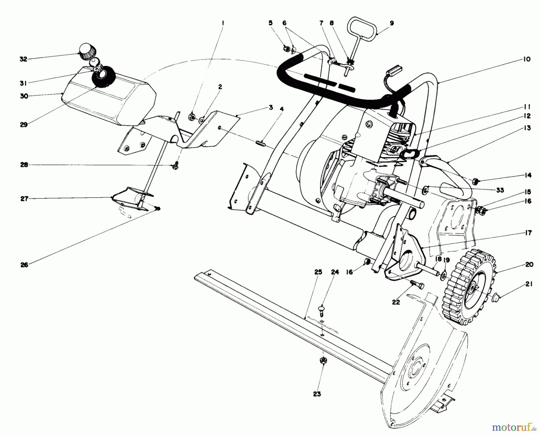
Toro 38120 (S-200) - S-200 Snowthrower, 1980 (0000001-0015000) ENGINE ASSEMBLY Ricambi
Start
Toro Neu
Snow Blowers/Snow Throwers
Seite 1
38120 (S-200) - Toro S-200 Snowthrower, 1980 (0000001-0015000)
ENGINE ASSEMBLY
ENGINE ASSEMBLY 38120 (S-200) - Toro S-200 Snowthrower, 1980 (0000001-0015000)
Posizione
Articolo numero
Descrizione
1
TR32152-4
Mutter
2
TR3-5792
Scheibe
3
TR29-5480
DISCONTINUED
4
TR29-5700
DISCONTINUED
5
TR32111-7
Mutter
6
TR3-7501
Scheibe
7
TR3-9278
52-7120
8
TR237-73
Buechse
9
TR23-4540
DISCONTINUED
10
TR33-2120
49-1390
11
TR221-567
12
TR23-3810
Dichtung
13
TR27-0530
52-7200
14
TR32152-4
Mutter
15
TR3256-23
Scheibe
16
TR3296-29
Mutter
17
TR26-6550
EXHAUST MUFFLER ASM
18
TR27-0060
Achse
19
TR3256-24
WASHER-FLAT
20
TR23-3250
Rad
21
TR3290-320
Sicherungskappe
22
TR322-3
Schraube
23
TR32149-2
Mutter
24
TR3229-1
Schraube
25
TR23-3170
Schuerfleiste
26
TR12-5450
Schraube
27
TR25-5690
HALTERUNG
28
TR12-3270
Schraube
29
TR25-1610
Schutzgummi
30
TR23-5230
DISCONTINUED
31
TR20-4620
Dichtung
32
TR37-7300
TANKVERSCHLUSS
33
TR4-2390
Scheibe
TR8-2079
TR25-9150
SCHILD
Gestione della qualità
Aiutaci a migliorare il nostro sito. Informaci se trovi un errore.