.it
Carrello
vuoto
Il mio account
Registrati
Log in
Benvenuti
Contatti
Spedizione
L’azienda
Guest book
Condizioni e Privacy
Catalogare
Tagliare, profilare
Componenti per motore
Officine meccaniche
Parti e componentistica per macchine varie
Forestali
Articoli elettrici
Articoli invernali
Cinghie trapezoidali e relative pulegge
Filters
PEZZI DI RICAMBIO
Sprocket Rims
Guide Bars
Chainsaw Chains
Search by Part Number
Diagrammi ed elenchi
Servizio
Determine Chain
Ricerca
DE
EN
FR
ES
IT
Versione mobile
Toro 38090 (1132) - 1132 Snowthrower, 1986 (6000001-6999999) ENGINE ASSEMBLY Ricambi
Start
Toro Neu
Snow Blowers/Snow Throwers
Seite 1
38090 (1132) - Toro 1132 Snowthrower, 1986 (6000001-6999999)
ENGINE ASSEMBLY
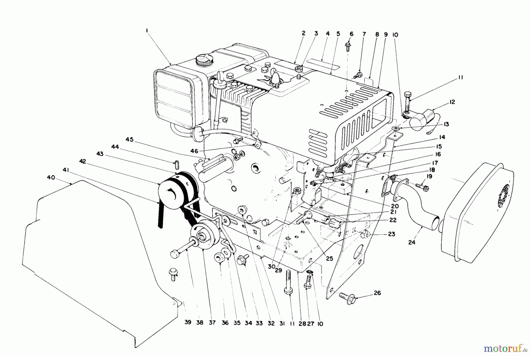
ENGINE ASSEMBLY 38090 (1132) - Toro 1132 Snowthrower, 1986 (6000001-6999999)
Posizione
Articolo numero
Descrizione
1
TR39-1820
2
TR54-9750
CAUTION DECAL
3
TR32153-3
Mutter
4
TR42-1740
DISCONTINUED
5
TR39-1780
DISCONTINUED
6
TR32144-4
Schraube
7
TR32144-12
DISCONTINUED
8
TR29-6400
CHOKE DECAL
9
TR53-7680
DISCONTINUED
10
TR3254-2
Federring
11
TR322-9
Schraube
12
TR41-8610
INTERLOCK MODULE
13
TR25-1600
SCHEIBE
14
TR39-1740
Halter
15
TR3214070
SCHRAUBE
16
TR3254-10
Federring
17
TR3296-54
Stopmutter
18
TR39-1810
DICHTUNG
19
TR3274-12
Schraube
20
TR22-8960
MONTAGEBOCK
21
TR289-20
Rohrverlaengerung
22
TR288-4
CAP-PIPE
23
TR3290-433
Mutter
24
TR39-1800
DISCONTINUED
25
TR3231-27
Schraube
26
TR323-6
Schraube
27
TR322-3
Schraube
28
TR22-9030
DISCONTINUED
29
TR3256-23
Scheibe
30
TR3296-29
Mutter
31
TR41-8580
HALTEPLATTE
32
TR3290-357
NUT-HHF, WHIZ
33
TR32144-15
Schraube
34
TR41-8590
BELT GUIDE
35
TR3256-24
WASHER-FLAT
36
TR32-9639
37
TR244-63
Riemenspannscheibe
38
TR323-8
SCREW-HH
39
TR32144-10
SCREW-HWH
40
TR17-6550
Keilriemenschutz
41
TR26-9670
Keilriemen
42
TR21-4100
DISCONTINUED
43
TR17-6540
Keilriemen
44
TR3246-14
3246-3
45
TR5-0930
Keil
46
TR39-1790
HALTEWINKEL
Gestione della qualità
Aiutaci a migliorare il nostro sito. Informaci se trovi un errore.