.it
Benvenuti
Contatti
Spedizione
L’azienda
Guest book
Condizioni e Privacy
Catalogare
Tagliare, profilare
Componenti per motore
Officine meccaniche
Parti e componentistica per macchine varie
Forestali
Articoli elettrici
Articoli invernali
Cinghie trapezoidali e relative pulegge
Filters
PEZZI DI RICAMBIO
Sprocket Rims
Guide Bars
Chainsaw Chains
Search by Part Number
Diagrammi ed elenchi
Servizio
Determine Chain
Ricerca
Il mio account
Registrati
Log in
Settings
DE
EN
FR
ES
IT
Desktop
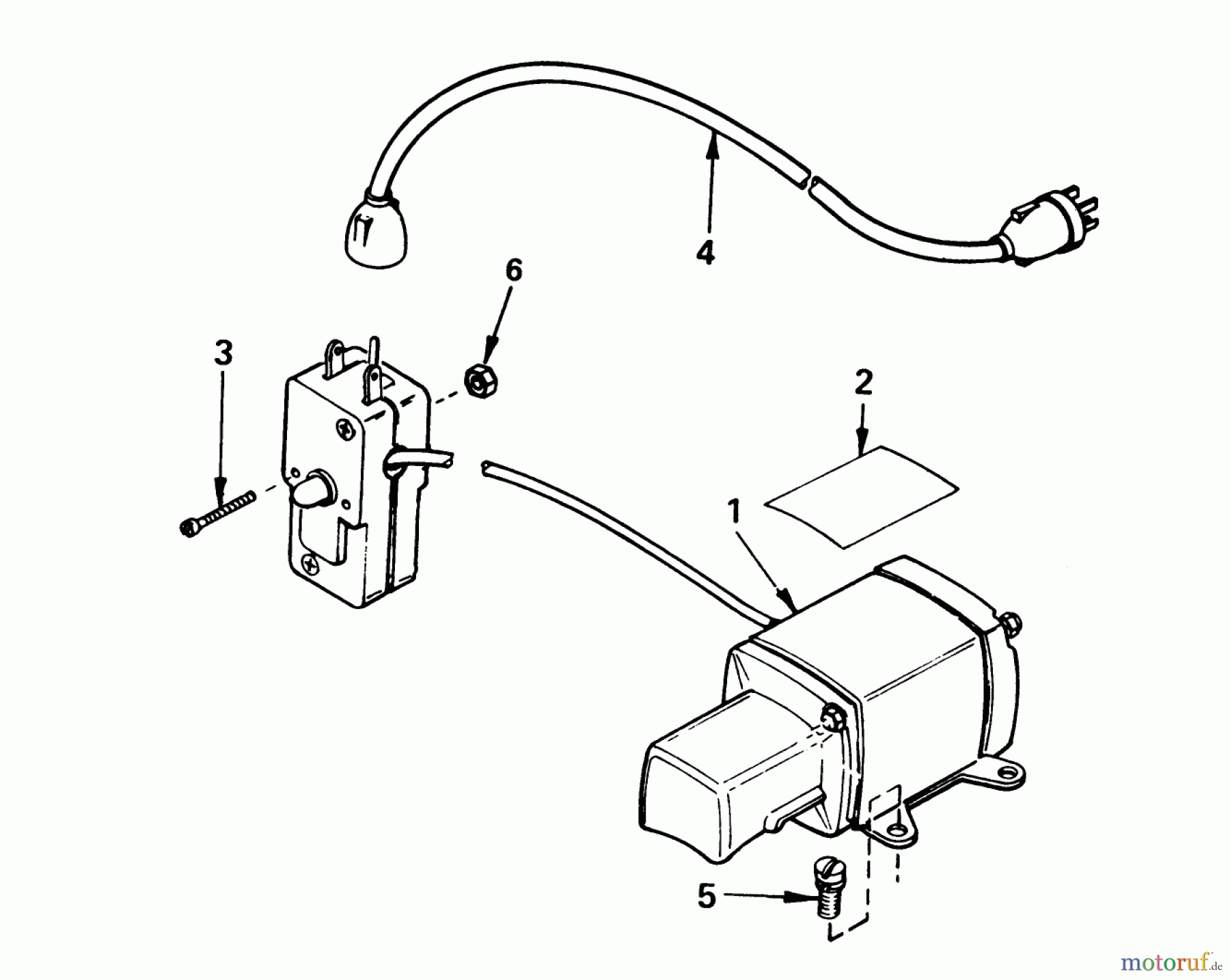
Toro 38035 (3521) - 3521 Snowthrower, 1985 (5000001-5999999) STARTER MOTOR KIT MODEL 23-3790 (OPTIONAL) Ricambi
Start
Toro Neu
Snow Blowers/Snow Throwers
Seite 1
38035 (3521) - Toro 3521 Snowthrower, 1985 (5000001-5999999)
STARTER MOTOR KIT MODEL 23-3790 (OPTIONAL)
STARTER MOTOR KIT MODEL 23-3790 (OPTIONAL) 38035 (3521) - Toro 3521 Snowthrower, 1985 (5000001-5999999)
Posizione
Articolo numero
Descrizione
1
TC33517A
USE 00033517B
2
TC34161
3
TC650741
SCREW
4
TC32450A
USE 00032450B
5
TC650759
SCHRAUBE
6
TC650742
NUT
Gestione della qualità
Aiutaci a migliorare il nostro sito. Informaci se trovi un errore.