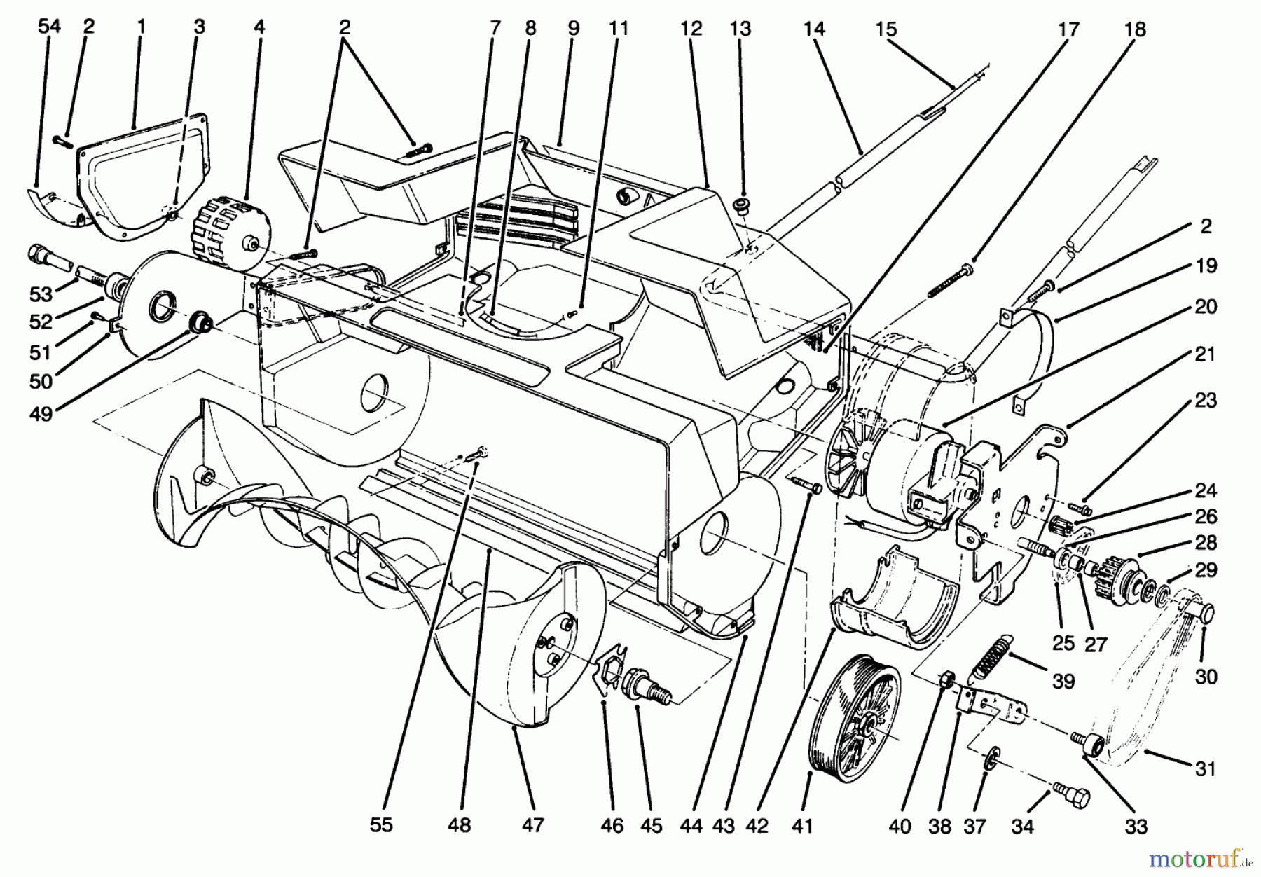
Toro 38025 (1800) - 1800 Power Curve Snowthrower, 1996 (69000001-69999999) HOUSING & ROTOR ASSEMBLY Ricambi
HOUSING & ROTOR ASSEMBLY 38025 (1800) - Toro 1800 Power Curve Snowthrower, 1996 (69000001-69999999)



Gestione della qualità
Aiutaci a migliorare il nostro sito. Informaci se trovi un errore.

