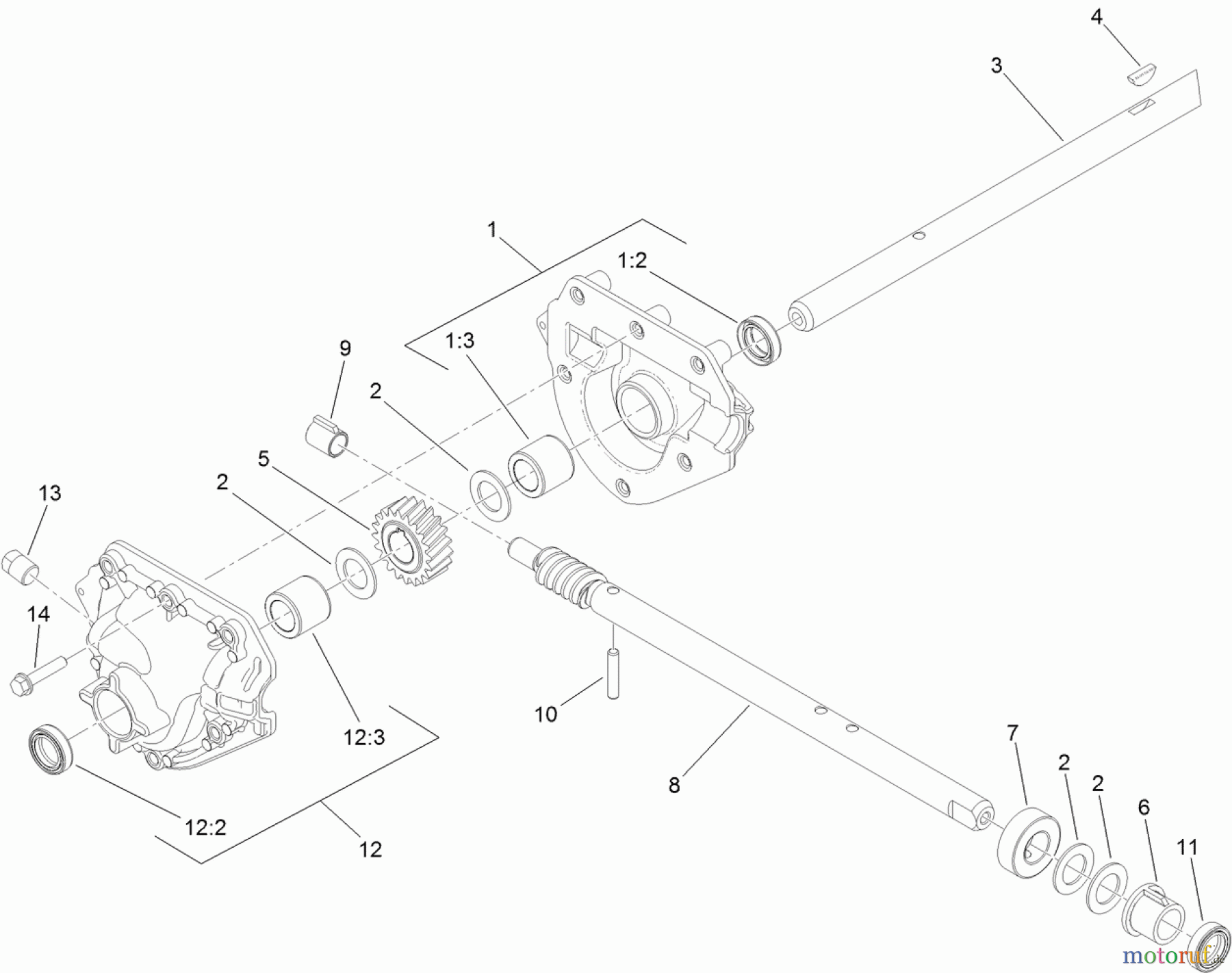
Toro 37772 - Power Max 826 OE Snowthrower, 2013 (SN 313000001-313999999) 26 INCH AUGER GEARCASE ASSEMBLY NO. 119-7641 Ricambi
26 INCH AUGER GEARCASE ASSEMBLY NO. 119-7641 37772 - Toro Power Max 826 OE Snowthrower, 2013 (SN 313000001-313999999)

| Posizione | Articolo numero | Descrizione | |
| 1 | TR121-1209 | ||
| 1:2 | TR121-6634 | SEAL-SHAFT | |
| 1:3 | TR120-9269 | ||
| 2 | TR119-7640 | WASHER-THRUST | |
| 3 | TR119-7639 | ||
| 4 | TR3257-5 | Keil | |
| 5 | TR119-1576 | GEAR-HELICAL, 20 TOOTH | |
| 6 | TR119-7635 | BUSHING-INPUT | |
| 7 | TR119-7636 | COLLAR-THRUST | |
| 8 | TR121-1234 | SHAFT-IMPELLER, ROLLED | |
| 9 | TR62-1150 | Buechse | |
| 10 | TR107-8899 | PIN-DOWEL | |
| 11 | TR121-6634 | SEAL-SHAFT | |
| 12 | TR121-1210 | ||
| 12:2 | TR121-6634 | SEAL-SHAFT | |
| 12:3 | TR120-9269 | ||
| 13 | TR121-6832 | PLUG-PIPE, SQH | |
| 14 | TR108-4862 | Schraube | |


Gestione della qualità
Aiutaci a migliorare il nostro sito. Informaci se trovi un errore.

