.it
Carrello
vuoto
Il mio account
Registrati
Log in
Benvenuti
Contatti
Spedizione
L’azienda
Guest book
Condizioni e Privacy
Catalogare
Tagliare, profilare
Componenti per motore
Officine meccaniche
Parti e componentistica per macchine varie
Forestali
Articoli elettrici
Articoli invernali
Cinghie trapezoidali e relative pulegge
Filters
PEZZI DI RICAMBIO
Sprocket Rims
Guide Bars
Chainsaw Chains
Search by Part Number
Diagrammi ed elenchi
Servizio
Determine Chain
Ricerca
DE
EN
FR
ES
IT
Versione mobile
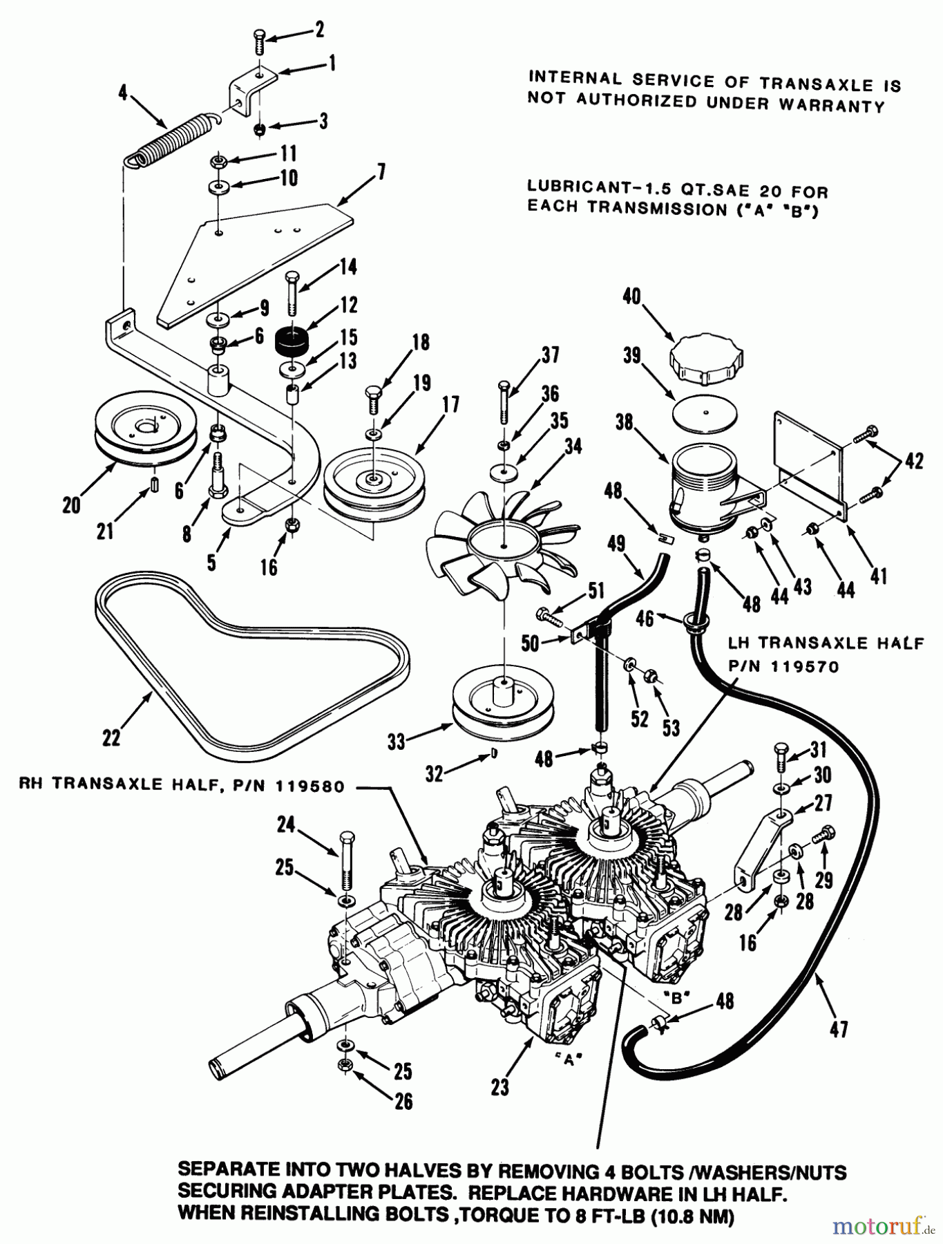
Toro Y1-12OE01 (612-Z) - 612-Z Tractor, 1990 TRANSMISSION AND DRIVE SYSTEM Ricambi
Start
Toro Neu
Mowers, Zero-Turn
Y1-12OE01 (612-Z) - Toro 612-Z Tractor, 1990
TRANSMISSION AND DRIVE SYSTEM
TRANSMISSION AND DRIVE SYSTEM Y1-12OE01 (612-Z) - Toro 612-Z Tractor, 1990
Posizione
Articolo numero
Descrizione
1
TR116505
BRACKET-SPRING
2
TR908017
SECHSKANTSCHRAUBE 10
3
TR915662
MUTTER 10
4
TR116506
SPRING-EXTENSION
5
TR116721
116721-03
6
TR6229
BUSHING
7
TR116718
116718-01
8
TR113165
BOLT-SHOULDER
9
TR2844
WASHER
10
TR920039
SCHEIBE
11
TR915113
32153-2
12
TR108889
Stossdaempfer
13
TR116728
SPACER
14
TR908023
322-10
15
TR116531
WASHER
16
TR915662
MUTTER 10
17
TR116439
PULLEY IDLER
18
TR908034
SCHRAUBE 10
19
TR920009
3256-24
20
TR116670
DISCONTINUED
TR119270
DISCONTINUED
21
TR105453
KEY
22
TR116527
V-BELT
23
TR115313
SVCE BULTN ZRT #5
24
TR908041
SCHRAUBE
25
TR920009
3256-24
26
TR915663
MUTTER 10
27
TR115274
BRKT-HYDRO SIDE
28
TR920267
Scheibe
29
TR908017
SECHSKANTSCHRAUBE 10
30
TR920008
Scheibe
31
TR908019
322-5
32
TR937086
SCHLUESSEL 5
33
TR116665
PULLEY
34
TR115271
Luefterrad
35
TR103995
Scheibe
36
TR920081
SICHERUNGSSCHEIBE 20
37
TR908009
321-11
38
TR114028
Tankdeckel
39
TR114563
COVER GASKET
40
TR114562
114028
41
TR11-8100
DISCONTINUED
42
TR908003
321-4
43
TR920007
SCHEIBE 20
44
TR915661
3296-42
46
TR938031
BUSHING-NYLON 1.093
47
TR115748
DISCONTINUED
TR117413
DISCONTINUED
48
TR116180
DISCONTINUED
49
TR115747
DISCONTINUED
TR115777
DISCONTINUED
50
TR8820
PIN HITCH UPPER LINK
51
TR908017
SECHSKANTSCHRAUBE 10
52
TR920008
Scheibe
53
TR915662
MUTTER 10
Gestione della qualità
Aiutaci a migliorare il nostro sito. Informaci se trovi un errore.