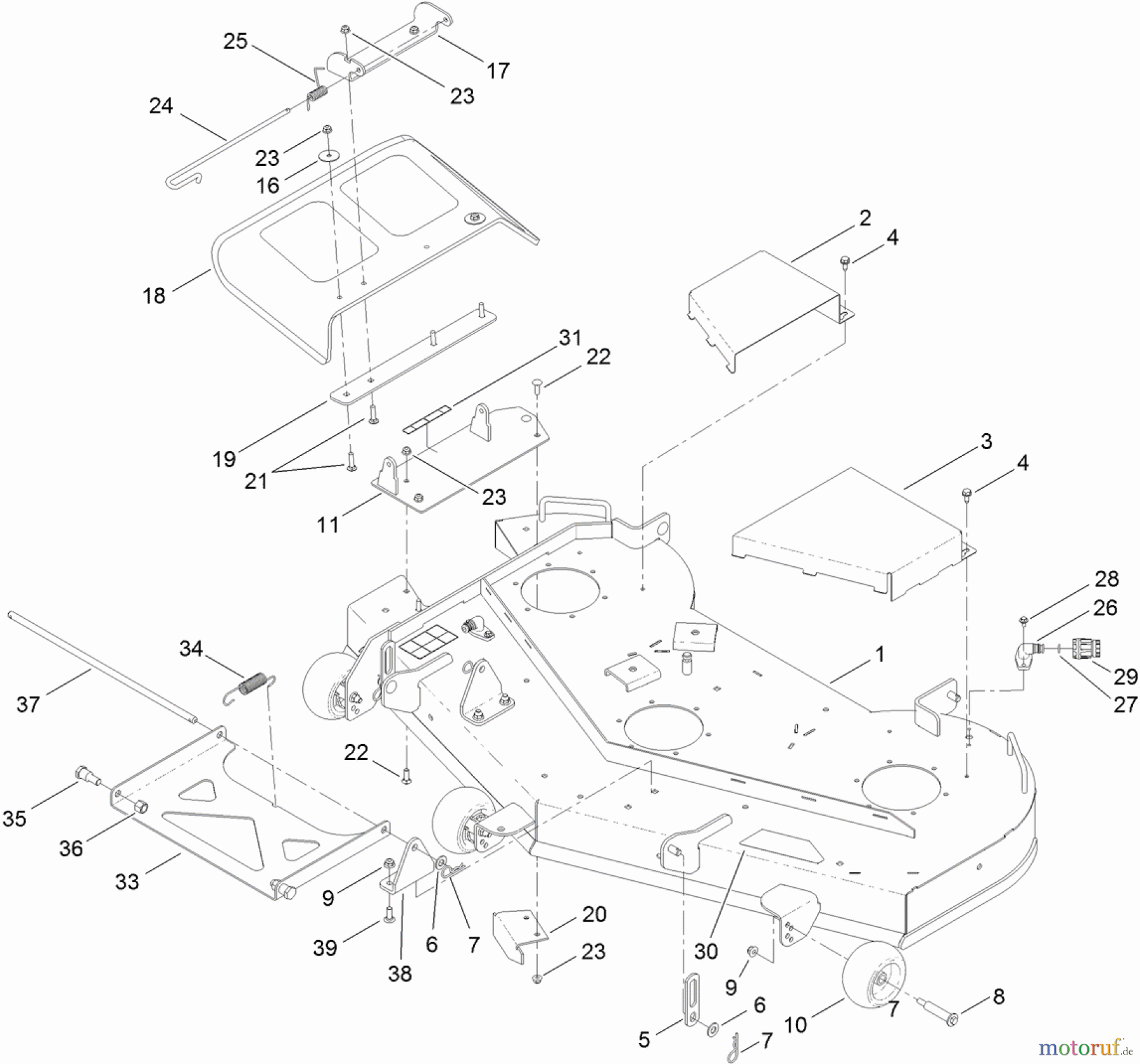
Toro 74872 (MX5480) - TITAN MX5480 Zero-Turn-Radius Riding Mower, 2012 (SN 312000001-312999999) 54 INCH DECK ASSEMBLY Ricambi
54 INCH DECK ASSEMBLY 74872 (MX5480) - Toro TITAN MX5480 Zero-Turn-Radius Riding Mower, 2012 (SN 312000001-312999999)



Gestione della qualità
Aiutaci a migliorare il nostro sito. Informaci se trovi un errore.

