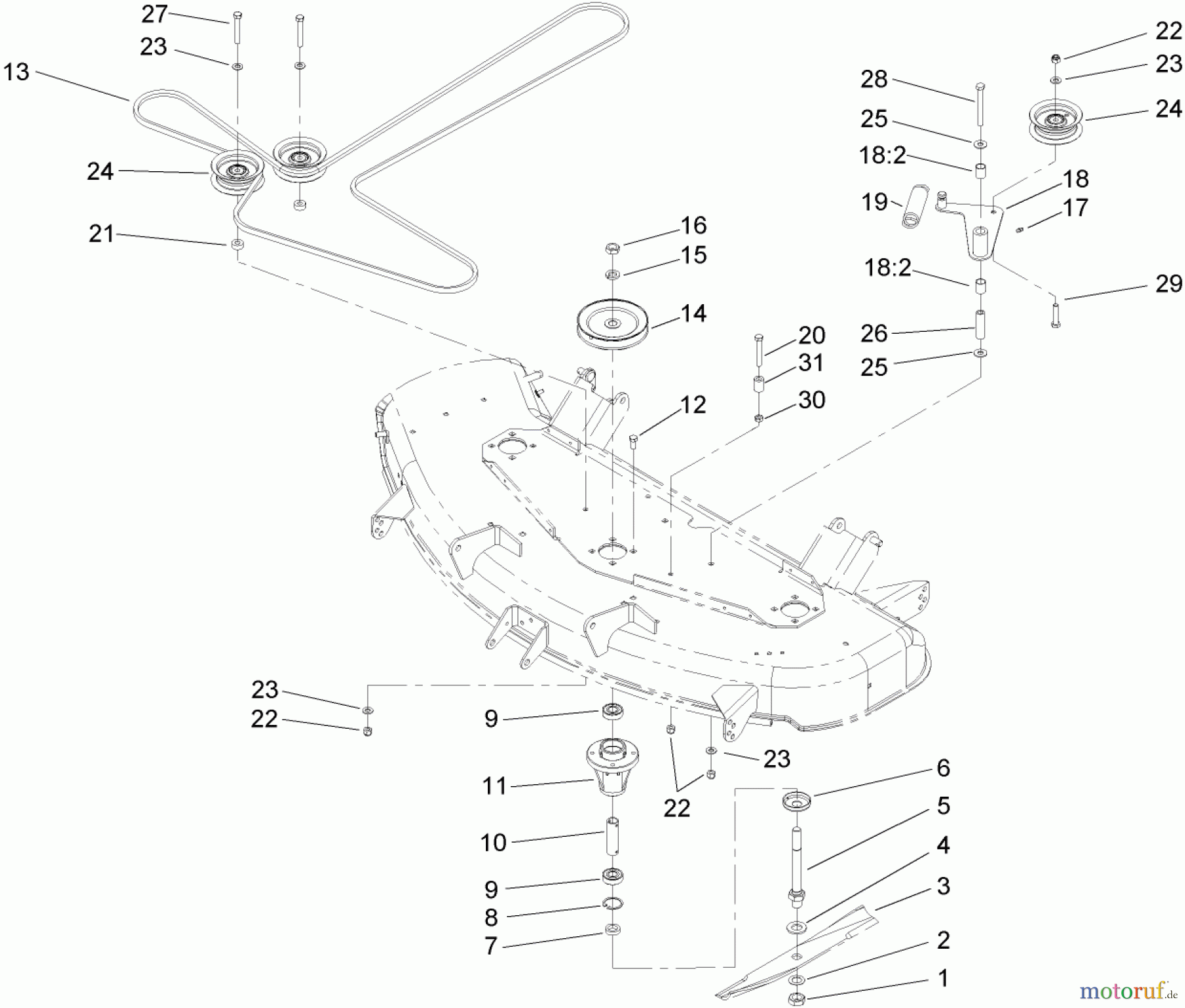
Toro 74704 (ZX480) - TimeCutter ZX480 Riding Mower, 2005 (250000001-250999999) SPINDLE AND BELT DRIVE ASSEMBLY Ricambi
SPINDLE AND BELT DRIVE ASSEMBLY 74704 (ZX480) - Toro TimeCutter ZX480 Riding Mower, 2005 (250000001-250999999)



Gestione della qualità
Aiutaci a migliorare il nostro sito. Informaci se trovi un errore.




