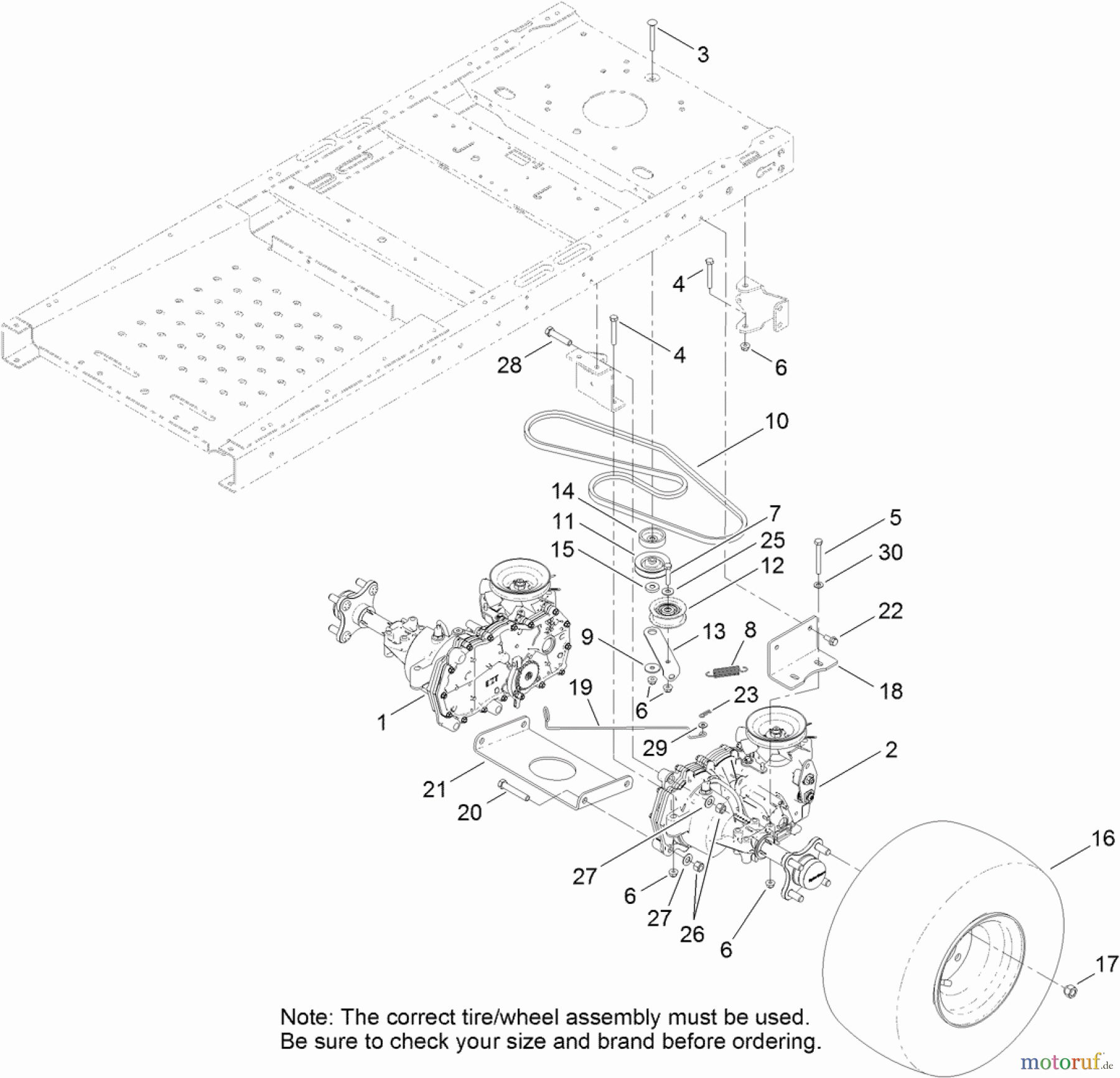
Toro 74622 (4200) - TimeCutter SS 4200 Riding Mower, 2011 (311000001-311999999) HYDRO TRANSAXLE DRIVE AND REAR WHEEL ASSEMBLY Ricambi
HYDRO TRANSAXLE DRIVE AND REAR WHEEL ASSEMBLY 74622 (4200) - Toro TimeCutter SS 4200 Riding Mower, 2011 (311000001-311999999)



Gestione della qualità
Aiutaci a migliorare il nostro sito. Informaci se trovi un errore.

