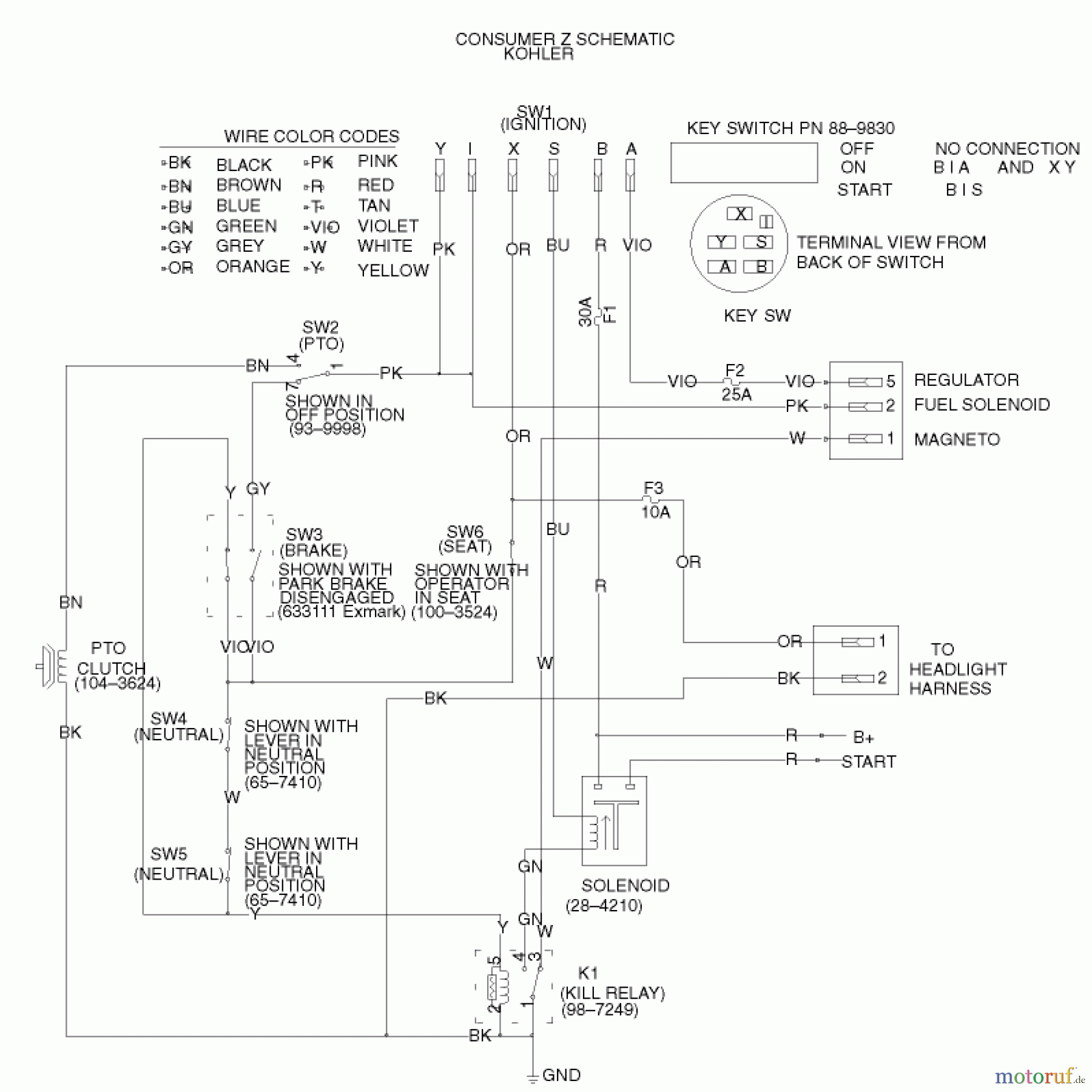
Toro 74601 (Z17-44) - Z17-44 TimeCutter Z Riding Mower, 2001 (210000001-210999999) WIRING SCHEMATIC Ricambi
WIRING SCHEMATIC 74601 (Z17-44) - Toro Z17-44 TimeCutter Z Riding Mower, 2001 (210000001-210999999)

| Posizione | Articolo numero | Descrizione | |
| TR218-578 | FUSE-BLADE, 10 AMP | ||
| TC109102 | |||
| TRNN10277 | FUSE-30 AMP | ||


Gestione della qualità
Aiutaci a migliorare il nostro sito. Informaci se trovi un errore.

