.it
Carrello
vuoto
Il mio account
Registrati
Log in
Benvenuti
Contatti
Spedizione
L’azienda
Guest book
Condizioni e Privacy
Catalogare
Tagliare, profilare
Componenti per motore
Officine meccaniche
Parti e componentistica per macchine varie
Forestali
Articoli elettrici
Articoli invernali
Cinghie trapezoidali e relative pulegge
Filters
PEZZI DI RICAMBIO
Sprocket Rims
Guide Bars
Chainsaw Chains
Search by Part Number
Diagrammi ed elenchi
Servizio
Determine Chain
Ricerca
DE
EN
FR
ES
IT
Versione mobile
Toro 74425 (Z530) - TimeCutter Z530 Riding Mower, 2007 (270000001-270999999) OIL PAN ASSEMBLY HONDA GXV530 EXA2LB Ricambi
Start
Toro Neu
Mowers, Zero-Turn
74425 (Z530) - Toro TimeCutter Z530 Riding Mower, 2007 (270000001-2709
OIL PAN ASSEMBLY HONDA GXV530 EXA2LB
OIL PAN ASSEMBLY HONDA GXV530 EXA2LB 74425 (Z530) - Toro TimeCutter Z530 Riding Mower, 2007 (270000001-270999999)
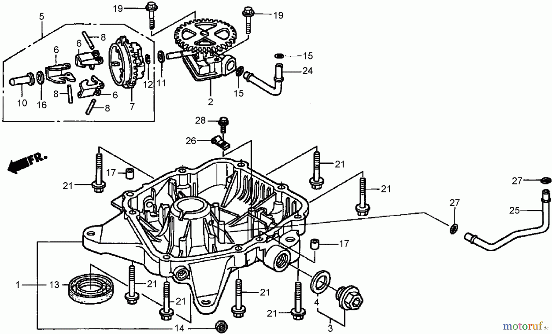
Posizione
Articolo numero
Descrizione
1
Honda 11300-Z0A-830
2
Honda 15100-Z0A-811
3
Honda 15550-Z0A-810
4
Honda 15625-ZE1-003
5
Honda 16510-Z0A-000
6
Honda 16511-Z0A-000
7
Honda 16512-Z0A-000
8
Honda 16513-ZE2-000
10
Honda 16531-Z0A-000
11
Honda 90473-147-000
12
Honda 90602-ZE1-000
13
Honda 91202-Z0A-003
14
Honda 91259-VM0-000
15
Honda 91301-Z0A-003
16
Honda 94101-06800
17
Honda 94301-08140
19
Honda 95701-06035-00
21
Honda 95701-08040-00
24
Honda 15161-Z0A-000
25
Honda 15162-Z0A-800
26
Honda 15163-Z0A-000
27
Honda 91302-Z0A-003
28
Honda 95701-06012-00
Gestione della qualità
Aiutaci a migliorare il nostro sito. Informaci se trovi un errore.