Toro 74425 (Z530) - TimeCutter Z530 Riding Mower, 2007 (270000001-270999999) CYLINDER ASSEMBLY HONDA GXV530 EXA2LB Ricambi
CYLINDER ASSEMBLY HONDA GXV530 EXA2LB 74425 (Z530) - Toro TimeCutter Z530 Riding Mower, 2007 (270000001-270999999)

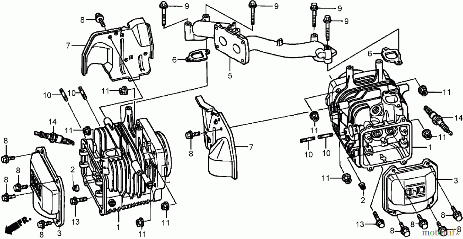
| Posizione | Articolo numero | Descrizione | |
| 1 | Honda 12100-Z0A-406 | ||
| 2 | Honda 12209-422-005 | ||
| 3 | Honda 12311-Z0A-000 | ||
| 5 | Honda 17101-Z0A-000 | ||
| 6 | Honda 17151-Z0A-000 | ||
| 7 | Honda 19631-Z0A-000 | ||
| 8 | Honda 90013-883-000 | ||
| 9 | Honda 90016-ZE8-000 | ||
| 10 | Honda 90045-892-000 | ||
| 11 | Honda 90201-Z0A-000 | ||
| 13 | Honda 95701-06030-00 | ||
| 14 | Honda 98079-54846 | ||
| 14 | Honda 98079-54855 | ||
| 14 | Honda 98079-55846 | ||
| 14 | Honda 98079-55855 | ||



