Toro 74406 (ZX440) - TimeCutter ZX440 Riding Mower, 2006 (260000241-260999999) MOTION CONTROL ASSEMBLY Ricambi
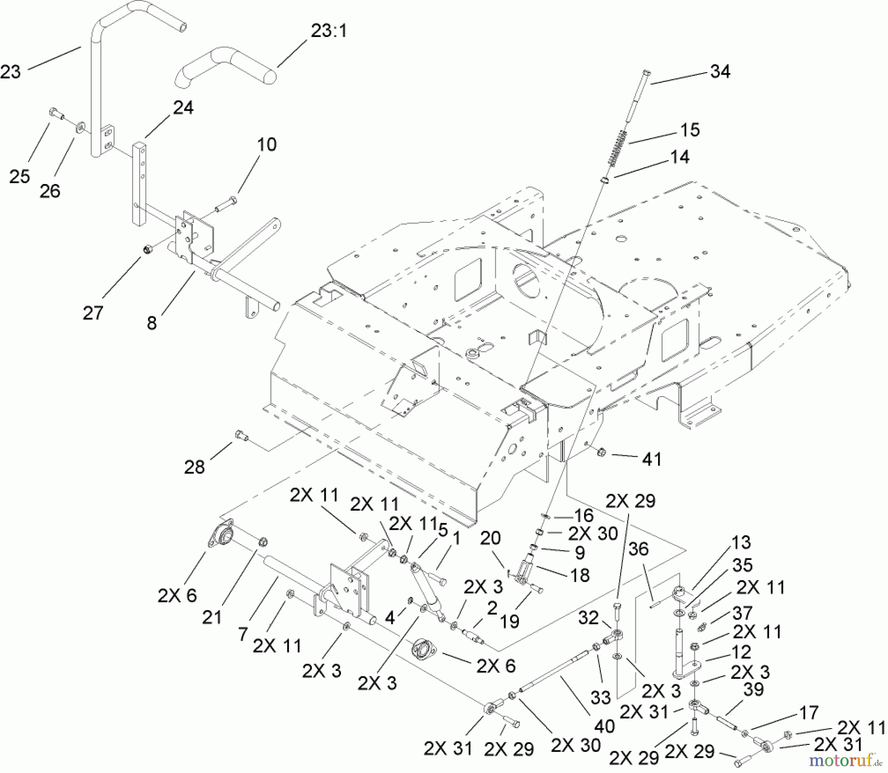
MOTION CONTROL ASSEMBLY 74406 (ZX440) - Toro TimeCutter ZX440 Riding Mower, 2006 (260000241-260999999)



Gestione della qualità
Aiutaci a migliorare il nostro sito. Informaci se trovi un errore.


