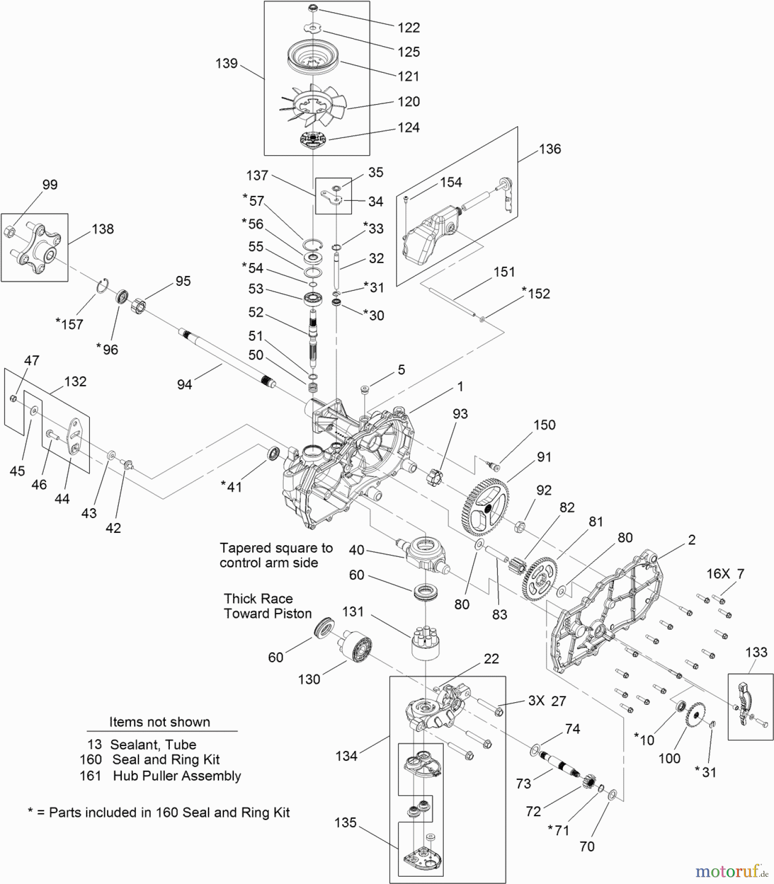
Toro 74389 (ZS 4200S) - TimeCutter ZS 4200S Riding Mower, 2012 (SN 312000001-312999999) RIGHT HAND HYDRO TRANSAXLE ASSEMBLY NO. 119-3331 Ricambi
RIGHT HAND HYDRO TRANSAXLE ASSEMBLY NO. 119-3331 74389 (ZS 4200S) - Toro TimeCutter ZS 4200S Riding Mower, 2012 (SN 312000001-312999999)



Gestione della qualità
Aiutaci a migliorare il nostro sito. Informaci se trovi un errore.

