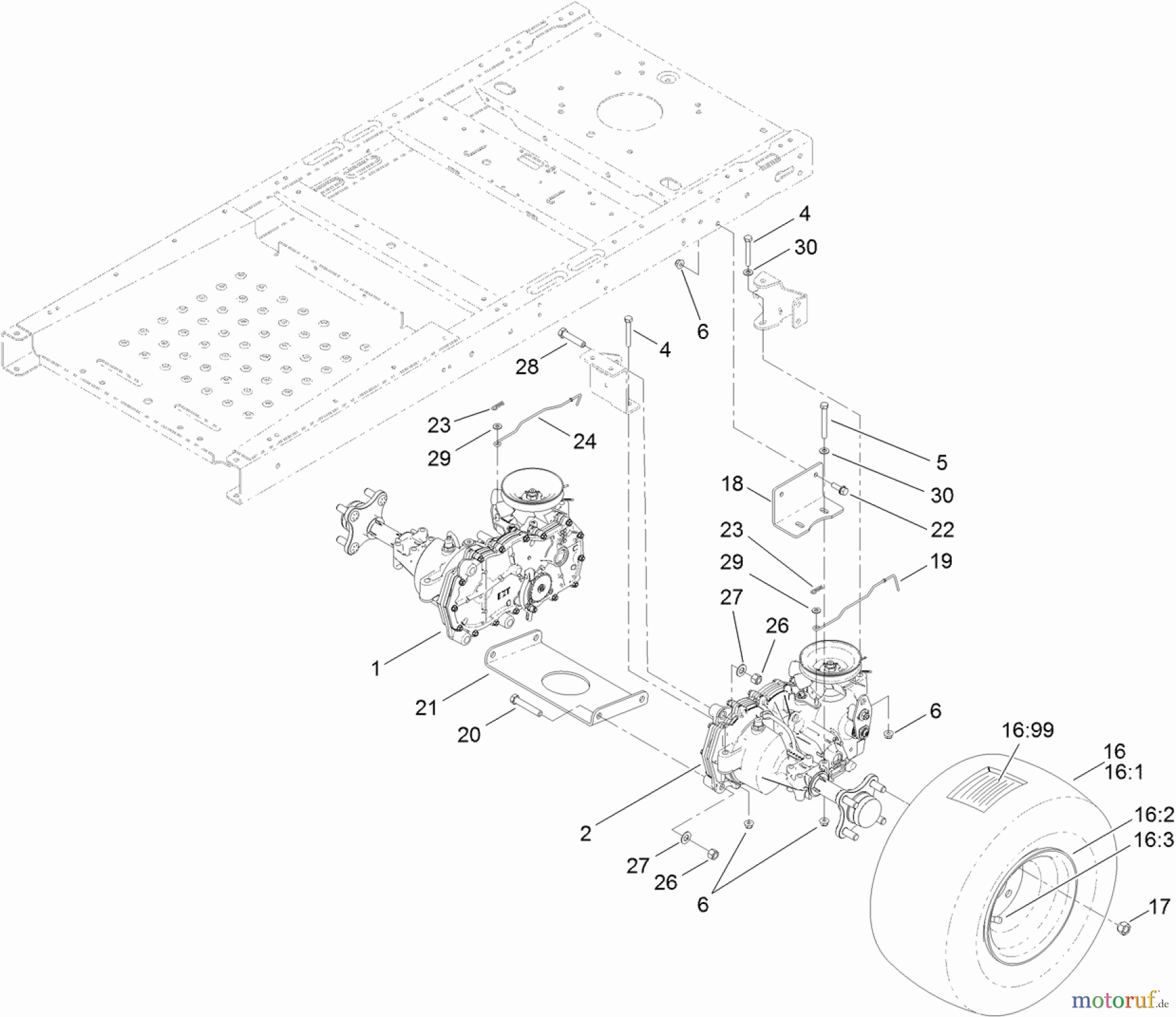
Toro 74387 (ZS 5000) - TimeCutter ZS 5000 Riding Mower, 2012 (SN 312000001-312999999) HYDRO TRANSAXLE ASSEMBLY Ricambi
HYDRO TRANSAXLE ASSEMBLY 74387 (ZS 5000) - Toro TimeCutter ZS 5000 Riding Mower, 2012 (SN 312000001-312999999)



Gestione della qualità
Aiutaci a migliorare il nostro sito. Informaci se trovi un errore.

