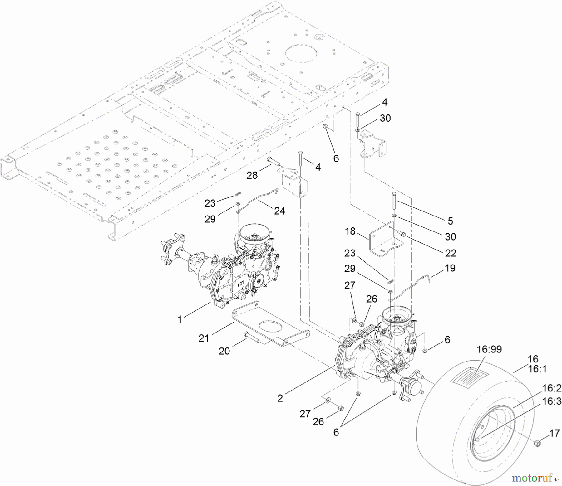
Toro 74386 (ZS 4200) - TimeCutter ZS 4200 Riding Mower, 2012 (SN 312000001-312999999) HYDRO TRANSAXLE DRIVE AND REAR WHEEL ASSEMBLY Ricambi
HYDRO TRANSAXLE DRIVE AND REAR WHEEL ASSEMBLY 74386 (ZS 4200) - Toro TimeCutter ZS 4200 Riding Mower, 2012 (SN 312000001-312999999)



Gestione della qualità
Aiutaci a migliorare il nostro sito. Informaci se trovi un errore.

